Чайник в деле... Проектирование вибрационного уплотнителя

Проектирование внешнего электроснабжения (кабельные и воздушные трассы, трансформаторные подстанции), типовые проекты, расчеты, делимся своими проектами.
Ruz1k
Сообщения: 6
Зарегистрирован: 19 апр 2018, 23:29
Репутация: 0
Контактная информация:

Чайник в деле... Проектирование вибрационного уплотнителя

Сообщение Ruz1k » 20 апр 2018, 01:01

Здравствуйте, поклонники электричества.

Введу кратко в курс дела: я - студент магистр питерского Политеха (институт металлургии машиностроения и транспорта).

Научное исследование связано с изучением компактных вибрационных уплотнителей. В качестве лабораторной установки строится модель уплотнителя с 2-мя вибровозбудителями (площадочные вибраторы), реверсируемая.

Так вот, в чём суть вопроса:
Подскажите, пожалуйста, каким образом оптимально собрать цепь из - источник 220В (подводиться будет от розетки) , два вибратора (220В, мощность 0,12 кВт, ном ток 0,7 А, три провода идёт от него). Задача состоит в том, чтобы включать либо 1ый, либо 2й вибратор. У установки ещё будет ручка, к которой подведётся ручка управления. Просто дайте направление в какую сторону двигаться, что понадобится. Просто даже не знай, что спросить в магазине электрики, какие з/ч понадобятся :sorry:

Вам, как экспертам, несложно сходу накидать мысли, а мне придётся помозговать долго, в электрике нуль :ok: . Буду рад любым комментам, идеям) Дайте старт, дальше додумаю, догуглю
Вложения
T7oLx9flgq4.jpg
Реклама
Аватара пользователя
elalex
Сообщения: 7423
Зарегистрирован: 21 июл 2015, 08:08
Репутация: 591
Откуда: [email protected]
Контактная информация:

Чайник в деле... Проектирование вибрационного уплотнителя

Сообщение elalex » 20 апр 2018, 15:02

1.Я бывший приводчик, наша задача была – сделать так, чтобы технолог был доволен. Для этого приводчик вникает в технологию.
2.Так я чайник в вибраторах. Будете учить меня или сами научитесь электрике?
3.Сразу возникла куча вопросов:
– чего это промышленный мотор питается от 220В, а не 380В?
– какую существенную вибрацию может создать 120Вт–мотор?
– что такое реверсивный вибратор? Зачем нужен реверс?
4. Сначала создается принципиальная электрическая схема, только потом – где это взять и сколько стоит.
5.А что, в Питере Google не отключили? Или будете гуглить по Яндексу? Или VPN, Opera Mini?
Последний раз редактировалось elalex 20 апр 2018, 18:52, всего редактировалось 6 раз.
Одиночный свободный электрик
Опыт ремонтов квартир 20лет
Высшее электрическое образование
Бывший инженер-электрик
Пенсионер
64 года
Пишу для владельцев частного жилья
Запасной E–mail для россиян: [email protected]
ПАВ
Сообщения: 7647
Зарегистрирован: 13 авг 2015, 19:54
Репутация: 923
Откуда: Одесса
Контактная информация:

Чайник в деле... Проектирование вибрационного уплотнителя

Сообщение ПАВ » 20 апр 2018, 17:49

Вас учить, только портить дальше. Оставьте в стороне механику, как бывший проводчик(от слова прИвод, или привОд???), растолкуйте по электрике, если есть умение и желание. Если нет, отдохните.
В жизни все не так, как на самом деле...
Аватара пользователя
TOPMO3
Сообщения: 4181
Зарегистрирован: 29 фев 2016, 10:37
Репутация: 626
Откуда: Ижевск
Контактная информация:

Чайник в деле... Проектирование вибрационного уплотнителя

Сообщение TOPMO3 » 20 апр 2018, 21:22

Здравствуйте
Ruz1k писал(а):Источник цитатыВведу кратко в курс дела: я - студент магистр питерского Политеха (институт металлургии машиностроения и транспорта).
Вы хто? Студент, возомнивший себя магистром ... али, магистр не чурающийся роли студента? :smile:
Научное исследование связано с изучением компактных вибрационных уплотнителей. В качестве лабораторной установки строится модель уплотнителя с 2-мя вибровозбудителями (площадочные вибраторы), реверсируемая.
Изучается устройство и управление или "поведенческая" часть, т.е. результат полученный после включения (высота "подскока", направление движения или еще чо нить)?
Подскажите, пожалуйста, каким образом оптимально собрать цепь из - источник 220В (подводиться будет от розетки)
Это пока отодвиним ... не достаточно инфы ... т.е. ТЗ (тех.задание) не описано полностью и не достаточно вводных данных. :pardon:
два вибратора (220В, мощность 0,12 кВт, ном ток 0,7 А, три провода идёт от него).
Под такое описание подпадают много типов двигателей ... лучше дайте качественное фото шильдиков (пластинки на крышке).
Задача состоит в том, чтобы включать либо 1ый, либо 2й вибратор.
Вы все нужные варианты описали? Если так, будет достаточно одного переключателя, на три положения, типа " 1 - Откл. - 2 ".
У установки ещё будет ручка, к которой подведётся ручка управления.
Это уже механика/конструктирование ... но возможно что нить придумаем ...по ходу обсуждения. :yes:
Просто дайте направление в какую сторону двигаться, что понадобится. Просто даже не знай, что спросить в магазине электрики, какие з/ч понадобятся :sorry:
Понятно ... но пока и мы не знаем ... ответьте на вопросы.
Вам, как экспертам, несложно сходу накидать мысли, а мне придётся помозговать долго, в электрике нуль :ok: .
Льстите, чоли?
Буду рад любым комментам, идеям) Дайте старт, дальше додумаю, догуглю
С богом! :smile:
Смеюсь последний ... тормоз однако!
ПАВ
Сообщения: 7647
Зарегистрирован: 13 авг 2015, 19:54
Репутация: 923
Откуда: Одесса
Контактная информация:

Чайник в деле... Проектирование вибрационного уплотнителя

Сообщение ПАВ » 21 апр 2018, 08:13

Задача на уровне ПТУ- два мотора, два контактора, кнопочная станция, все.
Хотя, не все- такие штуки должны питаться или от 3х42В через изолирующий тр-р, либо 1х220 тоже через него, нормы ТБ требуют.
Смотреть здесь: http://aquagroup.ru/normdocs/11108 п.8.
В жизни все не так, как на самом деле...
Аватара пользователя
elalex
Сообщения: 7423
Зарегистрирован: 21 июл 2015, 08:08
Репутация: 591
Откуда: [email protected]
Контактная информация:

Чайник в деле... Проектирование вибрационного уплотнителя

Сообщение elalex » 21 апр 2018, 12:19

1.Плевать на тот ГОСТ – там нет субъекта – не написано, для кого он обязателен, нет госрегистрации. Ничтожный документ.
2.Зачем трансы? Достаточно и УЗО.
Последний раз редактировалось elalex 21 апр 2018, 13:17, всего редактировалось 2 раза.
Одиночный свободный электрик
Опыт ремонтов квартир 20лет
Высшее электрическое образование
Бывший инженер-электрик
Пенсионер
64 года
Пишу для владельцев частного жилья
Запасной E–mail для россиян: [email protected]
ПАВ
Сообщения: 7647
Зарегистрирован: 13 авг 2015, 19:54
Репутация: 923
Откуда: Одесса
Контактная информация:

Чайник в деле... Проектирование вибрационного уплотнителя

Сообщение ПАВ » 21 апр 2018, 12:46

Ссылка открывается нормально, высушите планшет, или положите под трамвай.
Себе вы можете что и как угодно включать, на стройках такие вещи идут через тр-ры.
В жизни все не так, как на самом деле...
Аватара пользователя
elalex
Сообщения: 7423
Зарегистрирован: 21 июл 2015, 08:08
Репутация: 591
Откуда: [email protected]
Контактная информация:

Чайник в деле... Проектирование вибрационного уплотнителя

Сообщение elalex » 21 апр 2018, 13:07

1.Я уже 2 недели не пользуюсь планшетом. Поищите другой повод для домыслов.
2.Страна, на стройках которой не применяют УЗО – обречена на умирание.
Одиночный свободный электрик
Опыт ремонтов квартир 20лет
Высшее электрическое образование
Бывший инженер-электрик
Пенсионер
64 года
Пишу для владельцев частного жилья
Запасной E–mail для россиян: [email protected]
Ruz1k
Сообщения: 6
Зарегистрирован: 19 апр 2018, 23:29
Репутация: 0
Контактная информация:

Чайник в деле... Проектирование вибрационного уплотнителя

Сообщение Ruz1k » 28 апр 2018, 16:45

elalex писал(а):Источник цитаты – чего это промышленный мотор питается от 220В, а не 380В?
– какую существенную вибрацию может создать 120Вт–мотор?
– что такое реверсивный вибратор? Зачем нужен реверс?

1) не знаю, там оба напряжения в паспорте написаны, мол используется 220/380
2) установка алюминиевая, легкая, и к тому же главная цель проверить самостоятельное виброперемещение в зависимости от положения центра тяжести всей установки, а не степень уплотнения
3) Не вибратор реверсивный, а модель, установка в целом))
TOPMO3 писал(а):Источник цитаты Вы хто? Студент, возомнивший себя магистром ... али, магистр не чурающийся роли студента?

виноват) .. студент я
TOPMO3 писал(а):Источник цитаты Изучается устройство и управление или "поведенческая" часть, т.е. результат полученный после включения (высота "подскока", направление движения или еще чо нить)?

главная цель проверить самостоятельное виброперемещение (динамику) в зависимости от положения центра тяжести всей установки, подтвердить или опровергнуть теор часть.
TOPMO3 писал(а):Источник цитаты Под такое описание подпадают много типов двигателей ... лучше дайте качественное фото шильдиков (пластинки на крышке

знаю что такое шильдик)) Прикрепил. Заранее прошу прощения за качество, зазумил изображение из существующих фото
TOPMO3 писал(а):Источник цитаты Льстите, чоли?

пытаюсь :biggrin: получается?
ПАВ писал(а):Источник цитаты Задача на уровне ПТУ- два мотора, два контактора, кнопочная станция, все.
Хотя, не все- такие штуки должны питаться или от 3х42В через изолирующий тр-р, либо 1х220 тоже через него, нормы ТБ требуют.
Смотреть здесь: http://aquagroup.ru/normdocs/11108 п.8.

Спасибо за инфу, хотя 2 часть сообщения будто на эльфийском написана, для меня))
Вложения
шильдик.png
Ruz1k
Сообщения: 6
Зарегистрирован: 19 апр 2018, 23:29
Репутация: 0
Контактная информация:

Чайник в деле... Проектирование вибрационного уплотнителя

Сообщение Ruz1k » 28 апр 2018, 16:46

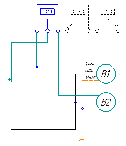
Также накидал схему.
Кому несложно, не лень, "не западло", взгляните краем глаза, пожалуйста :help:
И такой глупый вопрос, куда можно заземлиться?)
Благодарю.
Вложения
элеектрик тудудуду.png
элеектрик тудудуду.png (10.08 КБ) 5035 просмотров
ПАВ
Сообщения: 7647
Зарегистрирован: 13 авг 2015, 19:54
Репутация: 923
Откуда: Одесса
Контактная информация:

Чайник в деле... Проектирование вибрационного уплотнителя

Сообщение ПАВ » 28 апр 2018, 16:59

Вам придется изучить еще и такую штуку, как ПРЕОБРАЗОВАТЕЛЬ ЧАСТОТНЫЙ, т.к. данный мотор, да вы сами должны видеть, питается напряжением частотой 1...50 Гц, да 3000^-1 намекает.
Схема почти такая, только там нужен источник переменного, а не постоянного тока.
Если не секрет, на каком вы курсе и сколько у вас по ТОЭ?
В жизни все не так, как на самом деле...
Аватара пользователя
TOPMO3
Сообщения: 4181
Зарегистрирован: 29 фев 2016, 10:37
Репутация: 626
Откуда: Ижевск
Контактная информация:

Чайник в деле... Проектирование вибрационного уплотнителя

Сообщение TOPMO3 » 29 апр 2018, 18:52

ПАВ писал(а):Источник цитаты... т.к. данный мотор, да вы сами должны видеть, питается напряжением частотой 1...50 Гц, да 3000^-1 намекает.
Ошибочка (написанному на шильдике - не верить!) ... в данном случае, цифра "1" - обозначает однофазное питание (220 В.).
11.jpg

Ruz1k писал(а):Источник цитаты... два вибратора (220В, мощность 0,12 кВт, ном ток 0,7 А,)
Вы что ... последователь Эзопа?
Я правильно понял, что написаное в скобках суммарные величины, а не параметры каждого двигателя? И вааще ... откель взяты эти цифирки (мной подчеркнуты)?
(три провода идёт от него)
От кого/чего ... три провода от всей установки или три провода от каждого двигателя?
Смеюсь последний ... тормоз однако!
ПАВ
Сообщения: 7647
Зарегистрирован: 13 авг 2015, 19:54
Репутация: 923
Откуда: Одесса
Контактная информация:

Чайник в деле... Проектирование вибрационного уплотнителя

Сообщение ПАВ » 29 апр 2018, 19:12

Таки да, однофазное, но как вы поимеете 3000 об/мин и частоту 1-50 Гц, кроме как частотником? Да и почему шильдику не верить, если вот тут написано так: Комплектация
- Преобразователь частотный;
- инструкция;
- картонная коробка
Узнать больше - https://storgom.ua/product/vibrator-plo ... E#fastview
И кто сказал, что ЧР есть только трехфазные?
В жизни все не так, как на самом деле...
Аватара пользователя
TOPMO3
Сообщения: 4181
Зарегистрирован: 29 фев 2016, 10:37
Репутация: 626
Откуда: Ижевск
Контактная информация:

Чайник в деле... Проектирование вибрационного уплотнителя

Сообщение TOPMO3 » 29 апр 2018, 19:19

Ruz1k, Вы писали, что требуется один вариант управления ... "№1 или №2".
По опыту знаю, что иногда, реакция (направление движения) меняется при изменении направления вращения (реверсирование).
Получается для двух движков возможно более сложное управление (количество возможных вариантов, надеюсь знаете как подсчитать) ... схема Ваша, с натяжкой, верная, если ... заменить источник питания, как указали выше ... выяснить предназначение проводов выходящих из двигателей.
Примечание: Три провода, выходящие из коробки однофазного двигателя, могут быть ...
1. ... 3 вывода - фаза, нуль и земля;
2. ... 3 вывода - рабочая, пусковая и общий.
Смеюсь последний ... тормоз однако!
Аватара пользователя
TOPMO3
Сообщения: 4181
Зарегистрирован: 29 фев 2016, 10:37
Репутация: 626
Откуда: Ижевск
Контактная информация:

Чайник в деле... Проектирование вибрационного уплотнителя

Сообщение TOPMO3 » 29 апр 2018, 19:47

ПАВ писал(а):Источник цитаты Таки да, однофазное, но как вы поимеете 3000 об/мин и частоту 1-50 Гц, кроме как частотником? Да и почему шильдику не верить, если вот тут написано так: Комплектация
- Преобразователь частотный;
- инструкция;
- картонная коробка
Узнать больше - https://storgom.ua/product/vibrator-plo ... E#fastview
И кто сказал, что ЧР есть только трехфазные?
Дык, у Вас украинский магазин, и двигатель послабее ... ссылаются на офдилерство - а на сайте производителя такого и нет!
А вот сайт продаванов от завода ... http://vibromotors.ru/catalog/2pole/plo ... ry-ev-320/
о частотнике ни слова ... ваши просто заработать больше хотят. :biggrin:
Смеюсь последний ... тормоз однако!
Ruz1k
Сообщения: 6
Зарегистрирован: 19 апр 2018, 23:29
Репутация: 0
Контактная информация:

Чайник в деле... Проектирование вибрационного уплотнителя

Сообщение Ruz1k » 29 апр 2018, 20:42

TOPMO3 писал(а):Источник цитаты Ruz1k писал(а):
Источник цитаты... два вибратора (220В, мощность 0,12 кВт, ном ток 0,7 А,)
Вы что ... последователь Эзопа?
Я правильно понял, что написаное в скобках суммарные величины, а не параметры каждого двигателя? И вааще ... откель взяты эти цифирки (мной подчеркнуты)?

Взято из паспорта
данные.png

TOPMO3 писал(а):Источник цитаты От кого/чего ... три провода от всей установки или три провода от каждого двигателя?

от каждого двигателя)
TOPMO3 писал(а):Источник цитаты Ваша, с натяжкой, верная, если ... заменить источник питания, как указали выше ... выяснить предназначение проводов выходящих из двигателей.

как заменить? не понял :sad: поясните пожалуйста. О частотном преобразователе речь? можете в 2 словах раскидать?
Ruz1k
Сообщения: 6
Зарегистрирован: 19 апр 2018, 23:29
Репутация: 0
Контактная информация:

Чайник в деле... Проектирование вибрационного уплотнителя

Сообщение Ruz1k » 29 апр 2018, 20:43

ПАВ писал(а):Источник цитаты Вам придется изучить еще и такую штуку, как ПРЕОБРАЗОВАТЕЛЬ ЧАСТОТНЫЙ, т.к. данный мотор, да вы сами должны видеть, питается напряжением частотой 1...50 Гц, да 3000^-1 намекает.
Схема почти такая, только там нужен источник переменного, а не постоянного тока.
Если не секрет, на каком вы курсе и сколько у вас по ТОЭ?

Спасибо за ответ. 2 курс магистратуры, 4ка была
Аватара пользователя
TOPMO3
Сообщения: 4181
Зарегистрирован: 29 фев 2016, 10:37
Репутация: 626
Откуда: Ижевск
Контактная информация:

Чайник в деле... Проектирование вибрационного уплотнителя

Сообщение TOPMO3 » 30 апр 2018, 17:56

Ruz1k писал(а):Источник цитатыот каждого двигателя)
Вскройте крышки и покажите или, если что поймете, опишите, к чему и как подключены, там, эти три провода.
Ruz1k писал(а):как заменить? не понял :sad: поясните пожалуйста.
Отзыв был насчет нарисованной схемы ... у Вас там источник аккумулятор нарисован, а надо было нарисовать генератор переменного тока ... а вот трехфазный или однофазный он (генератор) - надо выяснять (по проводам выходящим из двигателя).
Ruz1k писал(а): О частотном преобразователе речь? можете в 2 словах раскидать?
1. Частота вращения вала двигателя - жестко связана с частотой питающей сети;
2. Производители, меняя количество обмоток и количество полюсов статора и ротора - изготавливают двигатели на разные частоты вращения ... но опять же какой то одной скорости вращения;
3. Частотный преобразователь (ЧП) - мощная такая, электронная фиговина, питаясь от сети - выдает на свои выходы переменное напряжение, частоту которой можно плавно менять (крутилкой) ... т.е. возвращаясь к пункту 1 ... двигатель, подключенный к выходу ЧП будет вращаться с той скоростью, какой хотелка пожелает.
Смеюсь последний ... тормоз однако!
Ruz1k
Сообщения: 6
Зарегистрирован: 19 апр 2018, 23:29
Репутация: 0
Контактная информация:

Чайник в деле... Проектирование вибрационного уплотнителя

Сообщение Ruz1k » 05 май 2018, 02:17

TOPMO3 писал(а):Источник цитаты Вскройте крышки и покажите или, если что поймете, опишите, к чему и как подключены, там, эти три провода.

Не ожидал холодец из проводов увидеть тут :biggrin:
1.jpg
2.jpg
шильд.jpg

TOPMO3 писал(а):Источник цитаты тзыв был насчет нарисованной схемы ... у Вас там источник аккумулятор нарисован, а надо было нарисовать генератор переменного тока ... а вот трехфазный или однофазный он (генератор) - надо выяснять (по проводам выходящим из двигателя).

Понял, спасибо. Я так указал фазу и ноль вилки, которую потом буду втыкать в ближайшую розетку :D
TOPMO3 писал(а):Источник цитаты 1. Частота вращения вала двигателя - жестко связана с частотой питающей сети;
2. Производители, меняя количество обмоток и количество полюсов статора и ротора - изготавливают двигатели на разные частоты вращения ... но опять же какой то одной скорости вращения;
3. Частотный преобразователь (ЧП) - мощная такая, электронная фиговина, питаясь от сети - выдает на свои выходы переменное напряжение, частоту которой можно плавно менять (крутилкой) ... т.е. возвращаясь к пункту 1 ... двигатель, подключенный к выходу ЧП будет вращаться с той скоростью, какой хотелка пожелает.

Если я сейчас соберу по своей нарисованной схеме, вибратор просто на максималочку будет крутить ротор, ведь так? Мне надо максимально бюджетно, безо всяких нагромаждений в виде преобразователей)
ПАВ
Сообщения: 7647
Зарегистрирован: 13 авг 2015, 19:54
Репутация: 923
Откуда: Одесса
Контактная информация:

Чайник в деле... Проектирование вибрационного уплотнителя

Сообщение ПАВ » 05 май 2018, 07:30

Ruz1k писал(а):Источник цитаты Не ожидал холодец из проводов увидеть тут



А что вы ожидали??? Нормальная ситуация, какие проблемы? Включайте. Или не включайте, тут уже вам решать.
В жизни все не так, как на самом деле...


  • Реклама

Вернуться в «Проектирование внешнего электроснабжения»

Кто сейчас на конференции

Сейчас этот форум просматривают: нет зарегистрированных пользователей и 8 гостей