В общем виде, примерно так надо ... имхо.vvv40 писал(а):Источник цитаты 3-х фазный ввод в частный дом (4 провода). Заземление TNC-S, ЗУ. На входе стоит переключатель на резервное питание. ...

Как я понял, Вы решили играть роль партизана на допросе! После этой инфы - схема меняется и не только схема.vvv40 писал(а):Источник цитаты У меня счетчик в ЩУ на столбе в 30 метрах от дома. Генератор, ЗУ возле дома.
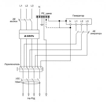
Не делайте выводов, если не сильны в какой то области ... давайте инфу по нему.(Сорри, у генератора не PEN, а N)
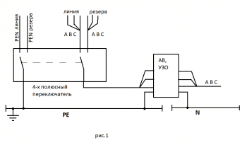
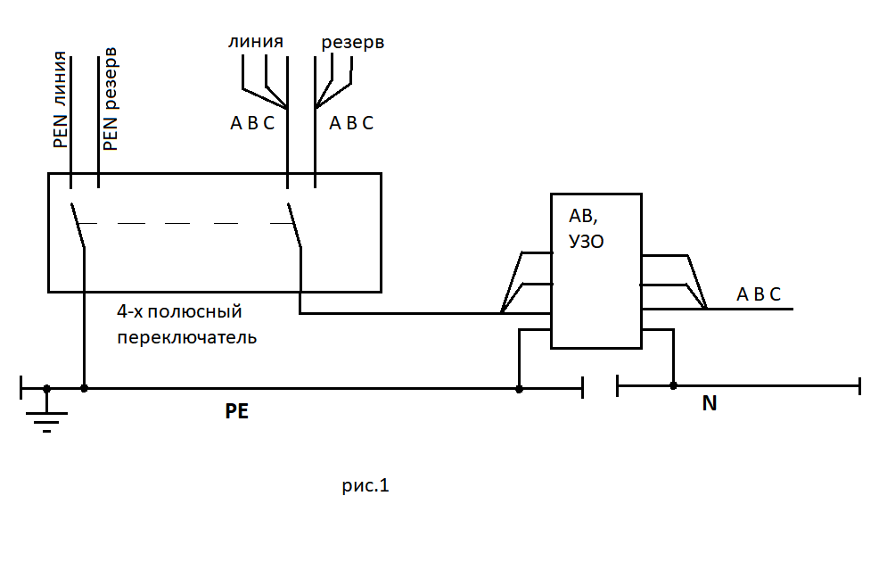
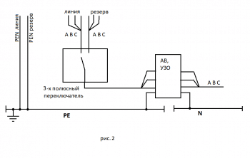
Нет.Тогда получается, что надо 3-х полюсный рубильник (и верхний рисунок) ?
Свое мнение, насчет этого обсуждения (и форума в целом), придержу ... готовых, универсальных решений и схем, советую не искать ... очень много нюансов.vvv40 писал(а):Источник цитаты Нашел обсуждение данного вопроса на другом форуме (2011-2017). Там приведены схемы для генераторов с изолированной и глухозаземленной нейтралью.
http://elektroas.ru/forum/showthread.php?t=340&page=1
Мелкой пакостью занимаетесь ... лишь бы навредить "врагам" ... так что ли?elalex писал(а):Источник цитаты Да, имеет смысл ноль генератора не заземлять – делать с ним IT.
Каким местом это относится к проблеме автора? Он не геолог в тайге, не в шахте живет, не "воюет" как Вы и живет скорее всего, не в скандинавии!elalex писал(а):Источник цитаты На пакостной IT работают шахты, военные и вся Норвегия.

elalex писал(а):Источник цитаты Если рассчитывать на вменяемость и смелость хозяина, то для переключения с сети на генератор достаточно (6 пофазных и 2 нулевых) 1–полюсных выключателей нагрузки, что (возможно) дешевле единого 4–полюсного переключателя.
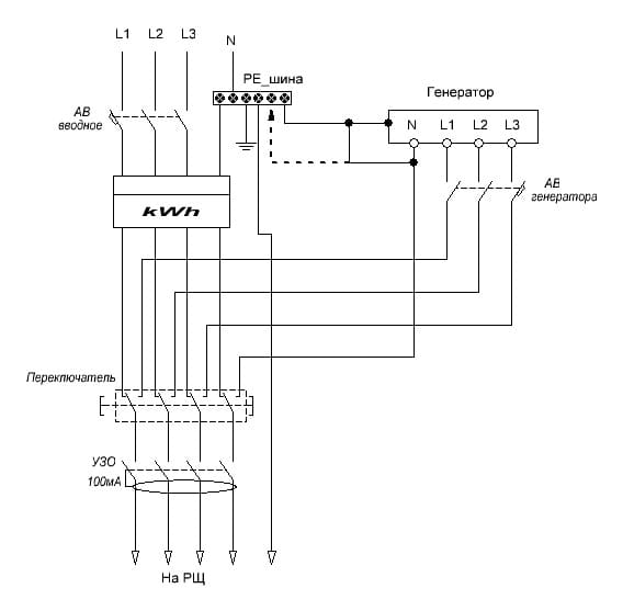
Система TN-C-S, (конкретно в Вашем случае) возможна только при условиях ...vvv40 писал(а):Источник цитаты ВЛ - СИП ... От ЩУ 4 жилы
После счетчика ПУЭ требует наличие защиты, по количеству отходящих линий.В ЩУ 3п АВ до счетчика, нулевой провод заземлен
Вернуться в «Заземление и молниезащита»
Сейчас этот форум просматривают: нет зарегистрированных пользователей и 10 гостей