Подскажите, как подключить реле и кнопки в ящике управления

Обсуждение вопросов по теории электротехники.
Аватара пользователя
remnko
Сообщения: 22
Зарегистрирован: 01 апр 2018, 11:27
Репутация: 2
Контактная информация:

Подскажите, как подключить реле и кнопки в ящике управления

Сообщение remnko » 15 авг 2018, 22:34

Делаю ящик управления станком. Планируется на дверцу ящика поставить переключатель с ключом и на каждую группу потребителей кнопку включения с лампочкой (желательно, чтобы лампочка была в кнопке, не отдельно).
Не могу никак понять способ подключения этих выключателей групп с лампами, а также соединение их с промежуточными реле.
Вижу схему примерно так:
на входе в ящик стоит автомат на 25ампер (включен будет всегда, выключение станка будет через ключ и кнопки на дверце), от него идут три параллельных реле (10+10+5А). Каждое реле включаются переключателем ключом + одним кнопочным переключателем соответствующей группы. Т.е. сначала ключ повернуть нужно, а потом соответствующую группу кнопкой (с фиксатором).
Схема:
5b745001063dd_.thumb.jpg.937b1c58efb90ac7a20da82e8cef78aa.jpg

Понятно, что это не принципиальная схема, но для общей картины, что планируется, понять можно.
И не понимаю, как подключить реле, чтобы они работали. Им ведь нужно напряжение. И как кнопки подключать, тоже не пойму. Они же не выдержат 10А, наверно? Да и питание тоже требуют для подсветки.
Подскажите, пожалуйста, как правильно подключить на группу реле с переключателем (ключом) и кнопочным включателем группы с лампочкой. Либо когда лампочка отдельно от кнопочного переключателя.
Реклама
Аватара пользователя
elalex
Сообщения: 7423
Зарегистрирован: 21 июл 2015, 08:08
Репутация: 591
Откуда: [email protected]
Контактная информация:

Подскажите, как подключить реле и кнопки в ящике управления

Сообщение elalex » 15 авг 2018, 22:55

1.Пока сильно помогать не могу, поэтому пока по мелочам, вокруг да около:
2.Чтобы составлять схемы, нужно быть достаточным электриком. Судя по изложению, Вы не электрик.
3.Красивые картинки оценят дети, а главный инструмент общения электриков - принципиальные схемы и необходимый алгоритм работы (в сложных схемах алгоритм описывается не словами, а рисуется). Пока нет первого, а второе непонятно.
4.Серьёзным электрикам знать, что "автомат 25А" - недостаточно. Автоматы 25А по время-токовым характеристикам бывают разные.
Одиночный свободный электрик
Опыт ремонтов квартир 20лет
Высшее электрическое образование
Бывший инженер-электрик
Пенсионер
64 года
Пишу для владельцев частного жилья
Запасной E–mail для россиян: [email protected]
Аватара пользователя
remnko
Сообщения: 22
Зарегистрирован: 01 апр 2018, 11:27
Репутация: 2
Контактная информация:

Подскажите, как подключить реле и кнопки в ящике управления

Сообщение remnko » 16 авг 2018, 00:36

elalex писал(а):Источник цитаты Чтобы составлять схемы, нужно быть достаточным электриком. Судя по изложению, Вы не электрик.

Ну да, не электрик, но не совсем далек от электрики. Но сверх требований к этой схеме нет.
elalex писал(а):Источник цитаты Серьёзным электрикам знать, что "автомат 25А" - недостаточно.

думаю, что "C" сойдет.
elalex писал(а):Источник цитаты (в сложных схемах алгоритм описывается не словами, а рисуется).

если бы знать, как они подключаются, я бы нарисовал. Да и рисовать бы не стал, а собрал сразу :)
но т.к. не знаю, как их соединять по причине, что не знаю, как они подключаются (реле и кнопки с подстветкой), то и нарисовать никак. Я их видел только на картинке на сайте поставщика :)
Аватара пользователя
elalex
Сообщения: 7423
Зарегистрирован: 21 июл 2015, 08:08
Репутация: 591
Откуда: [email protected]
Контактная информация:

Подскажите, как подключить реле и кнопки в ящике управления

Сообщение elalex » 16 авг 2018, 05:21

1.Сойдёт или не сойдёт автомат С - решается при детальном рассмотрении ситуации. Знакомы с проблемой сопротивления петли Фаза-ноль и селективностью токовой защиты?
2.Получается, что задача совершенно непонятная. Не думаю, чтобы кто-то по имеющимся данным мог сказать про ящик что-то определённое.
3.А чего это и как это неэлектрик собирает ящики управления? Что там у вас творится?
Иногда бывают ситуации, когда совершенно неэлектрикам руководство предлагает заняться электрикой. Скажем, моей дочери директор поручил заняться электроснабжением ресторана. Или человек не различает миллиметры линейные и квадратные, а ему нужно распределить 5000кВт. Или человек - электрик в посёлке на диком Севере, но не понимает назначения заземления, считает его опасным и принципиально не делает.
Одиночный свободный электрик
Опыт ремонтов квартир 20лет
Высшее электрическое образование
Бывший инженер-электрик
Пенсионер
64 года
Пишу для владельцев частного жилья
Запасной E–mail для россиян: [email protected]
Аватара пользователя
Rumato
Сообщения: 739
Зарегистрирован: 23 июл 2015, 22:15
Репутация: 107
Откуда: Щелково МО
Контактная информация:

Подскажите, как подключить реле и кнопки в ящике управления

Сообщение Rumato » 16 авг 2018, 06:36

remnko,
Поступаете в ПТУ, к концу 2 курса придет понимание, что и куда нужно подключить.
https://instagram.com/dmytriy_kuskov
Аватара пользователя
remnko
Сообщения: 22
Зарегистрирован: 01 апр 2018, 11:27
Репутация: 2
Контактная информация:

Подскажите, как подключить реле и кнопки в ящике управления

Сообщение remnko » 16 авг 2018, 12:44

Rumato писал(а):Источник цитаты Поступаете в ПТУ, к концу 2 курса придет понимание, что и куда нужно подключить.

когда у вас болит голова, вы в мед учится бежите?
Аватара пользователя
@Eliseev
Сообщения: 24
Зарегистрирован: 13 авг 2018, 14:51
Репутация: 8
Контактная информация:

Подскажите, как подключить реле и кнопки в ящике управления

Сообщение @Eliseev » 16 авг 2018, 13:16

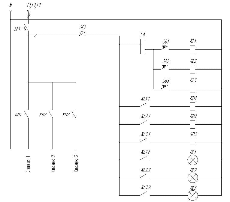
Из описания ничего не понятно, мне кажется вы не правильно понимаете суть работы реле. Если ими замыкать цепь (О_О), то зачем переключатель (как я понял с положениями только 0 и 1). В общем если использовать реле как промежуточные, а замыкать цепь контакторами (или пускателями, решать Вам), то вот Вам схемка. Правда размыкать цепь АВ слегка неправильно, я бы посоветовал между SA и общим контактом кнопок включения поставить кнопку на выключение всей цепи, кнопкой и выключать удобнее, и мало-ли кто ключ с собой унесет (если делать так, то SF2 подключить до SF1). Кстати SF2 выключатель для релейки (крайне советую), на 6А пойдет. По поводу реле, не обязательно что бы их сумма была 25А, и по 5А хватит, они только для управления, а вот контакторы выбирайте по току аппарата (напряжение я так понимаю 380?).

Комментарии к схеме:
1. Схема однолинейная, силовая цепь 3 фазы, релейка 1 фаза (разрисовывать на работе нет времени).
2. Все кнопки с фиксацией, так же разрисовывать не стал.
3. Переключатель SA на одно направление, просто для не электриков обычно так понятнее (другими словами "левое положение" - 0, правое - 1)
4. KL1,2,3 - ваши реле, KM1,2,3 - пускатели (контакторы). Провода с реле идут на управляющие контакты если что, хотя текстом это не воспринять, лучше погуглите.
Косяк, силовые контакты пускателей КМ1, КМ2, КМ3 (на схеме два КМ2)
Вложения
Станки.JPG
Аватара пользователя
elalex
Сообщения: 7423
Зарегистрирован: 21 июл 2015, 08:08
Репутация: 591
Откуда: [email protected]
Контактная информация:

Подскажите, как подключить реле и кнопки в ящике управления

Сообщение elalex » 16 авг 2018, 13:39

remnko, ну что у Вас за аналогии?
Когда нужен ящик управления, нормальные люди просят электриков - скорее с существенным образованием, но никак не дилетантов.
Если там у вас происходит чёрт знает что - попробуйте разобраться с предложением @Eliseev
Одиночный свободный электрик
Опыт ремонтов квартир 20лет
Высшее электрическое образование
Бывший инженер-электрик
Пенсионер
64 года
Пишу для владельцев частного жилья
Запасной E–mail для россиян: [email protected]
Аватара пользователя
@Eliseev
Сообщения: 24
Зарегистрирован: 13 авг 2018, 14:51
Репутация: 8
Контактная информация:

Подскажите, как подключить реле и кнопки в ящике управления

Сообщение @Eliseev » 16 авг 2018, 13:44

Стандартный ответ от "одиночного свободного электрика". По делу я ничего не скажу, зато порассуждать - это да, это мое. И про характеристику, и про "ничего не понятно" и про то, что к электрику сходить.
ealex Чтобы составлять схемы, нужно быть достаточным электриком ваше сообщение? Ну так если вы недостаточно электрик, зачем же в рассуждения пускаетесь? Хотя кто я, по сравнению с пенсионером, с советским то ПТУшным образованием.
Вот бы вообще повсюду пенсионеры повсюду управляли да советовали, какая жизнь тогда бы началась. Или может опять поспорить хотите? :smile:
Аватара пользователя
remnko
Сообщения: 22
Зарегистрирован: 01 апр 2018, 11:27
Репутация: 2
Контактная информация:

Подскажите, как подключить реле и кнопки в ящике управления

Сообщение remnko » 16 авг 2018, 13:59

@Eliseev писал(а):Источник цитаты (напряжение я так понимаю 380?).

не уточнил, да... фаза одна, 220 у каждого потребителя. Планируется 1 станок, у него разные потребители, типа, моторы шаговые, частотник, вытяжка и т.п.
А так, спасибо за схему.
Аватара пользователя
@Eliseev
Сообщения: 24
Зарегистрирован: 13 авг 2018, 14:51
Репутация: 8
Контактная информация:

Подскажите, как подключить реле и кнопки в ящике управления

Сообщение @Eliseev » 16 авг 2018, 14:06

remnko теперь вообще ничего не понятно :biggrin: я думал станок и есть потребитель? в общем скажу так, для однофазных - контакторы, если станок трехфазный - для него можно пускатель, а там уже сами думаю разберетесь :good:
Аватара пользователя
elalex
Сообщения: 7423
Зарегистрирован: 21 июл 2015, 08:08
Репутация: 591
Откуда: [email protected]
Контактная информация:

Подскажите, как подключить реле и кнопки в ящике управления

Сообщение elalex » 16 авг 2018, 15:00

@Eliseev:
1.Естественно, спорим!
2.Я недостаточный электрик?
3.Вас сильно волнует, что я пенсионер? Вы что-то имеете против советов пенсионеров?
Не стоит рассуждать об управлении пенсионерами. Лично я уже 30 лет не рвусь управлять ничем (в смысле платной работы), мне это надоело.
4.Да, я даю такой стандартный ответ на такие стандартные ситуации. Вам мой не нравится - отвечайте нестандартно, пусть remnko оценит Ваш совет.
Последний раз редактировалось elalex 16 авг 2018, 16:50, всего редактировалось 1 раз.
Одиночный свободный электрик
Опыт ремонтов квартир 20лет
Высшее электрическое образование
Бывший инженер-электрик
Пенсионер
64 года
Пишу для владельцев частного жилья
Запасной E–mail для россиян: [email protected]
Аватара пользователя
@Eliseev
Сообщения: 24
Зарегистрирован: 13 авг 2018, 14:51
Репутация: 8
Контактная информация:

Подскажите, как подключить реле и кнопки в ящике управления

Сообщение @Eliseev » 16 авг 2018, 15:24

Так мне ваш ответ и не нужен -я же не спрашиваю :wink:
А спор потом с вашей стороны не закончится фразой - мол я выбрал себе зону комфорта и аргументов слушать не намерен. А в технических вопросах принимаю позицию Минюса и МЧС (Минэнерго не авторитет) :wink:
Просто второй раз вижу в место ответа от Вас рассуждения и ничего по делу, для вас каждый вопрос является нестандартным? так нужно было тогда и про частоту спросить, вдруг какой американский станок? :smile:
А быть экспертом в любой области легко, если всех к специалистам отправлять да обучаться в ПТУ, но люди ведь потому сюда и идут, что ждут помощи, а не критики, не так ли?
Вот и получается, что порассуждали, а по делу - ноль, так какая же польза обществу?
Против пенсионеров ничего против не имею, но монтажники-пенсионеры, это словно своя закрытая каста, сколько спорить приходилось. То придут щиток мне перебирать в квартиру, когда общие сети меняют, то проводку алюминиевую лепят, объясняя что так дешевле. Так сказать опыт общения определяет характер этого самого общения :wink:
Аватара пользователя
elalex
Сообщения: 7423
Зарегистрирован: 21 июл 2015, 08:08
Репутация: 591
Откуда: [email protected]
Контактная информация:

Подскажите, как подключить реле и кнопки в ящике управления

Сообщение elalex » 16 авг 2018, 16:44

@Eliseev:
1.Я заметил в Вашем сообщении сегодня 13:44 утверждения про меня и прямые вопросы ко мне. На такое считаю нужным отвечать. Как-то уже говорил: Кто не хочет таких моих ответов - пусть не упоминает меня.
2.Вас сильно волнует, какой фразой кончится спор?
3.Я выбрал себе зону комфорта - работу свободным электриком и общение в Интернете.
4.Аргументы слушаю любые. На сильно нелогичные - возражаю, разумные - принимаю к руководству.
В технических вопросах руководствуюсь логикой, а не документами, независимо от их происхождения. Решениями Минэнерго (в части приказа о введении ПУЭ в действие), Минюста, МинЧС руководствуюсь только в юридических спорах.
5.Мои рассуждения - это и есть ответ по делу. Для меня направить человека в нужном направлении - главное дело. Для других главное - рассказать про какие-то провода.
6.Нет, не каждый вопрос нестандартный. Скажем, вопрос о схеме питания жилья - стандартный.
7.Как Вас волнует логика моих действий! Мне приходится анализировать и формулировать собственную логику!
Здесь я увидел недостаточность знаний спрашивающего и не увидел смысла углубляться в ситуацию. Вы видите - углубляйтесь.
8.Я не считаю себя экспертом в любой области, я просто имею и высказываю своё мнение про эти области.
9.Если Вы достаточно знакомы с моей деятельностью на форуме, то я не отправляю всех в стороны к каким-то другим специалистам по электрике и в ПТУ.
Там, где я могу и хочу - помогаю сам.
ПТУ не считаю лучшим местом обучения электрике - я сделаю любого электриком за неделю.
10.Помощь разные люди понимают по-разному. Обычно спрашивающие считают помощью только объяснение, куда какие провода совать. Я считаю помощью и критику, и формировку электрического стратегического мышления. И естественно, в мире сумасшедших и негодяев ценится тактика, а не стратегия решений, поэтому я и не имею большого успеха в электрике.
11.Соответственно понятию помощи формируется и понятие пользы обществу - более полезным считается советчик по мелочам. Мне не привыкать, что более полезным считается более быстрый, а не более логичный.
12.Никогда не работал в бригадах, про касты монтажников не знаю. Понятно, что сильно старые монтажники имеют закостенелое советское мышление, и этим опасны заказчикам. Опять же, если знакомы с моей деятельностью на форуме, то видно, что ко мне это не относится. Не думаю, что кто-то применяет так много новых подходов в ремонте квартир, как я.
Не стоит стричь всех под одну гребёнку - скажем, считать всех пенсионеров примерно одинаковыми по всем параметрам. Например, мой физиологический возраст (включая внешний вид, когда высплюсь) - около 40 лет. Я предлагаю всякому, кто покажет пенсионера моего возраста, выглядящего лучше меня, $5. Пока не получил никто.
Так что Ваш опыт общения с пенсионерами ко мне не относится.
Одиночный свободный электрик
Опыт ремонтов квартир 20лет
Высшее электрическое образование
Бывший инженер-электрик
Пенсионер
64 года
Пишу для владельцев частного жилья
Запасной E–mail для россиян: [email protected]
Аватара пользователя
@Eliseev
Сообщения: 24
Зарегистрирован: 13 авг 2018, 14:51
Репутация: 8
Контактная информация:

Подскажите, как подключить реле и кнопки в ящике управления

Сообщение @Eliseev » 16 авг 2018, 17:11

Позвольте я отвечу тезисно, это все таки форум а не личный блог :wink:
Конечно для меня имеет значение как заканчивается спор. Вед можно сказать ты не прав потому что пошел в (_*_), это правильно ли будет?
Зоной комфорта я так же называю и ваши убеждения, которые судя по всему с 2013 года (им датируется то самое письмо) у вас не поменялись, а мир то не стоит на месте.
Направить человека и отправить его к специалисту, как по мне даже звучит по разному. Повторюсь, что я так на любой вопрос и в любой сфере могу ответить: "сходите к специалисту", так что-же я теперь на верный путь всех направляю? Тут конкретные вопросы спрашивают, какие провода куда совать, люди ведь думают что к специалистам идут, а их на "верный путь направляют" по моему это софистика :wink:
Сделаю любого электриком за неделю - громко. Что же не идете, не учите? А то в вузах кругом дураки, по 6 лет учат :wink:
Электрическое стратегическое мышление это как? Вы что там на войне? Мне кажется технического вполне достаточно, а со стратегией пусть министры возятся.
По поводу логики ваших действий - меня она не волнует, откуда вы это? Я просто ее не вижу :wink: особенно когда вместо критики "если у вас бардак- пользуйтесь советом гражданина n". Где же тут обоснованность и логика?
Вы свою логичность воспринимаете как истину в последней инстанции, а как же критичность к себе? Или с вашим стажем это дико?
Мир негодяев и подлецов - ну это уже совсем популизм.
Понятие пользы обществу вы из своих же суждений вывели, не факт что оно так формируется. С такой общественной пользой нам и в космос не летать, ведь это не по мелочам, а глобально - так сказать удел подлецов.
Физиологический возраст? Наверно вы биологический имели ввиду? :wink:
"Проектировщики мои личные враги" ваши слова? Так что же вы про одну гребенку то, или в чужом глазу только видно? :wink:
Знаете складывается ощущение, что вы прямо сверхчеловек:) и за неделю электриком сделаете, и более логичны, а успеха не имеете, и подходов применяете больше чем любой другой, и самый бодрый пенсионер, мне даже стыдно, что я смею усомниться, вы уж не серчайте, я то так, 54 квартиры в день не обслуживаю (это примерно, если из 20000 хотя бы раз в год в каждой что то ломаться будет :wink: )
Аватара пользователя
elalex
Сообщения: 7423
Зарегистрирован: 21 июл 2015, 08:08
Репутация: 591
Откуда: [email protected]
Контактная информация:

Подскажите, как подключить реле и кнопки в ящике управления

Сообщение elalex » 16 авг 2018, 18:44

1.Отвечайте, как хотите. Я всегда выступал за правило - пусть люди говорят где, что и сколько угодно. Сокращение свободы самовыражения отрицательно влияет на рейтинг форума.
2.Я так понял, Вы не слишком хорошо знакомы с моими манерами, поэтому в нужных местах буду их кратко формулировать.
Я не утверждаю свою правоту, посылая кого-то. Когда посылал (очень давно), объяснял причину посыла, но не доказывал свою правоту.
3.Какие документы нахожу, на такие и ориентируясь. Если Минэнерго, Минюст и МинЧС изменят свои решения, и я об этом узнаю - изменю и я свои взгляды. А пока не вижу изменений в мире. Если видите - покажите.
4.Вы считаете - софистика, а я считаю - стратегия.
5.Да, я не вижу в работе электрика ничего, чему можно и нужно учить годами, месяцами и даже неделями.
6.Не учу потому, что:
- не вижу спроса. За 20 лет были единичные разговоры, чтобы научить хозяина сделать себе электрику. А уж чтобы научить профессии - не было никогда.
- не вижу необходимости заняться очным обучением. Если и когда здоровье ухудшится настолько, что не смогу заниматься электрикой лично - тогда заброшу удочку на желающих обучиться. Возможно, стану прорабом, тогда и буду учить. Пока что личное обучение - вне зоны моего комфорта.
- у меня есть опыт платного обучения. 1995г, математика, $1/час. Парень отнесся к учебе легкомысленно, конкурс был очень высокий, и что не поступит - стало ясно еще до экзамена.
7.В вузах не дураки - они зарабатывают деньги. Дураки - скорее те, кто там учится. 95% знаний, получаемых в вузе, не пригождаются в жизни. Поэтому я категорически против государственного финансирования вузов. Лучше всего видят, стоит или не стоит, чему и где учиться - работодатели.
Самое ценное, что я получил в вузе - умение соображать, обосновывать и выкручиваться. Не уверен, что вуз - лучшее место для получения таких знаний. Вполне возможно, что теперь этому лучше научиться из жизни.
8.Не видите логики моих действий - означает, что её нет, я поступаю нелогично, от инстинктов и эмоций, как женщина?
9.А что стоит делать, если на предприятии бардак, человек не электрик, а его заставляют делать электрику? Какой толк от Вашей схемы, если Вы и сами не знаете, что ему нужно? Думаете, он хоть что-то понял в Вашей схеме? Только сказал спасибо из вежливости.
10.А критичность к себе - это что? У Вас есть примеры, что я некритичен к себе?
11.Популизм - политическая позиция или стиль риторики, апеллирующие к широким народным массам. Вы считаете, что я политик? Если я говорю людям, что они сумасшедшие и негодяи - это популизм?
12.Основа общества - не общественная, а личная польза. Социализм показал свою полную несостоятельность.
Илон Маск показал успехи личной пользы, похоронив российскую космонавтику.
13.Физиологический и биологический возраст - это одно и то же.
Последний раз редактировалось elalex 16 авг 2018, 18:48, всего редактировалось 1 раз.
Одиночный свободный электрик
Опыт ремонтов квартир 20лет
Высшее электрическое образование
Бывший инженер-электрик
Пенсионер
64 года
Пишу для владельцев частного жилья
Запасной E–mail для россиян: [email protected]
ПАВ
Сообщения: 7647
Зарегистрирован: 13 авг 2015, 19:54
Репутация: 923
Откуда: Одесса
Контактная информация:

Подскажите, как подключить реле и кнопки в ящике управления

Сообщение ПАВ » 16 авг 2018, 18:47

Сдохнуть можно. Краткостью, сестрой таланта и не пахнет.
Может, остановитесь? В теме схема есть, подробности неизвестны, переходите к ней, или придется тему закрыть.
В жизни все не так, как на самом деле...
Аватара пользователя
elalex
Сообщения: 7423
Зарегистрирован: 21 июл 2015, 08:08
Репутация: 591
Откуда: [email protected]
Контактная информация:

Подскажите, как подключить реле и кнопки в ящике управления

Сообщение elalex » 16 авг 2018, 19:02

1.Какая может быть краткость, когда поднимается 20 больших проблем?
2. Дайте людям поговорить. Или хотите загнобить форум совсем?
3.К черту ту схему - топикстартеру уже объяснили, что делать. Если не электрик - нехрен и лезть в электрику.
Одиночный свободный электрик
Опыт ремонтов квартир 20лет
Высшее электрическое образование
Бывший инженер-электрик
Пенсионер
64 года
Пишу для владельцев частного жилья
Запасной E–mail для россиян: [email protected]
ПАВ
Сообщения: 7647
Зарегистрирован: 13 авг 2015, 19:54
Репутация: 923
Откуда: Одесса
Контактная информация:

Подскажите, как подключить реле и кнопки в ящике управления

Сообщение ПАВ » 16 авг 2018, 19:28

Это вы их раздули и подняли. Есть что сказать- говорите, ПО ТЕМЕ. Нет, в курилку или как ее там.
Насчет загубить- вас не было неск. дней- никто не умер.
В жизни все не так, как на самом деле...
Аватара пользователя
remnko
Сообщения: 22
Зарегистрирован: 01 апр 2018, 11:27
Репутация: 2
Контактная информация:

Подскажите, как подключить реле и кнопки в ящике управления

Сообщение remnko » 16 авг 2018, 20:16

@Eliseev писал(а):Источник цитаты если станок трехфазный - для него можно пускатель, а там уже сами думаю разберетесь :good:

все однофазное. Станок один, просто у него прибамбасы есть разные, включаются не всегда.
Подумал, что подойдет магнитный пускатель.
Последний раз редактировалось remnko 16 авг 2018, 20:25, всего редактировалось 1 раз.


  • Реклама

Вернуться в «Электротехника»

Кто сейчас на конференции

Сейчас этот форум просматривают: нет зарегистрированных пользователей и 17 гостей