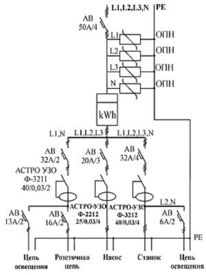
Rokoal писал(а):Источник цитаты подключают между фазой и заземлением.
Какого класса ваш УЗИП? На вводе устанавливаются УЗИП 1го класса (в). Тобиш если у вас УЗИП (В) то устанавливать его будите перед прибором учета, дает небольшой шанс сохранить прибор учета. Так как он если грубо выразиться более прочный имеет в своей характеристики самые большие разрядные токи также и их длительность. Но для выравнивания токов до приемлемого уровня необходима вся линейка классов УЗИП.С вашими техническими условиями должна быть принципиальная схема от ваших сетей.Вот по ней и выполняйте если не хотите заморачиваться с решением вопросов. Или у вас только Предписания от тех условий?Rokoal писал(а):Источник цитаты Вот еще не могу понять где его ставят до или после счетчика. Видел, что их подключают между фазой и заземлением. Зачем?
Rokoal писал(а):Источник цитаты Как его правильно подключать?
Rokoal писал(а):Источник цитаты как подобрать предохранитель к ОИН-1?
Rokoal писал(а):Источник цитаты Вопрос по самим УЗИП какой фирмы выбрать?
Rokoal писал(а):Источник цитаты ОТдельное ЗУ для УЗИП. Потом еще одно для дома отдельные друг от друга?
Rokoal писал(а):Источник цитаты Из всего я понял, что надо устанавливать УЗИП первой категории в водной щит. РЩ пока нет, когда будет подключаться дом там реализовать включение УЗИП второй категории. Сделать это только в водном щите, чтобы приняли?
ПАВ писал(а):Источник цитаты Сделайте общее
Rokoal писал(а):Источник цитаты строй площадку для частного дома.
Rokoal писал(а):Источник цитаты чтобы приняли?
ПАВ писал(а):Источник цитаты Если дом и столП с ВРУ- рядом, все равно разносить? Если между ними 3...5 метров, как быть?
elalex писал(а):Источник цитаты Все равно разносить,

Константин Павлович писал(а):Источник цитаты контур молниеприемной сетки
Константин Павлович писал(а):Источник цитаты если ходить и постоянно молнии опасаться
Вернуться в «Заземление и молниезащита»
Сейчас этот форум просматривают: нет зарегистрированных пользователей и 5 гостей