Я вот нарисовал Вашу и схему с интернета. До сих пор считал, что нижняя схема самая простейшая, но Ваша внесла коррективы ... что только не делают эти продаваны, ради наживы!sochnev2014 писал(а):Источник цитаты Может кто поможет со схемой и названием деталей.
Возможно ... давайте попробуем.Заодно получить какие то знания.
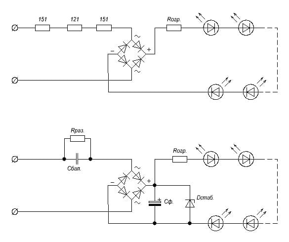
То что он целый, я согласен, но вот, что это стабилитрон, сомнения берут ... правда, в живую, такие лампы и тем более схемы не видал, поэтому - не в праве спорить.xpres писал(а):Источник цитаты BZX55C это стабилитрон на 55 Вольт и он целый.
Первый раз такое название читаю (COB LED) ... это Вы, саму плату с светодиодами так обозвали, да?Для начала проверить бы COB LED , а то может быть ему хана.
ПАВ писал(а):Источник цитаты ... стабилитрон, только почему он так включен- последовательно?
На фото видно ... эта фигня (не могу обзывать стабилитроном) установлена последовательно.xpres писал(а):Источник цитаты Не уверен что последовательно, ...

Это не "жирно", а просто показывает, что красная фигня не стабилитрон и тем более не на 55В.ПАВ писал(а):Источник цитаты Не жирно?

И таки да , междусобойчик.
Вообще я немного слукавил, диодный стабилизатор тока ,это отдельное устройство ,не стабилитрон. Хотя китайцы и могли забабахать прям по схеме... Иногда от их схемотехники диву даёшся... И главное работает, ноне долго."Диодный ограничитель тока" - это новое для меня ... задался поиском, (http://stoom.ru/content/view/487) почитал .... любопытная хрень! Спасибо за инфу.xpres писал(а):Источник цитаты С стабилитроном я немного ошибся, это сам тип стабилитрона , напряжение открытия пишется на другой стороне. Подозреваю что китайцы использовали его для стабилизации тока. Так называемый диодный ограничитель тока (кажись так было)
Предположу ... диод, в прямом включении и резистор нагрузки (в совокупности) - это и есть линейка светодиодов.ПАВ писал(а):Источник цитаты И где второй диод в прямом включении? А насчет стабилизации при таком включении- сумлеваюсь.
Вернуться в «Ремонт прочих электрических приборов и устройств»
Сейчас этот форум просматривают: нет зарегистрированных пользователей и 7 гостей