Нужна схема подключения 2 двигателей

Выбор, пуск, схемы подключения и соединения обмоток, реверс различных электродвигателей.
sadretdinov
Сообщения: 6
Зарегистрирован: 20 мар 2019, 20:08
Репутация: 0
Контактная информация:

Нужна схема подключения 2 двигателей

Сообщение sadretdinov » 20 мар 2019, 20:16

Всем привет
Нужна схема подключения двух двигателей (пуск стоп), но чтобы запустить второй двигатель сначала нужно включить первый двигатель.(Чтобы второй двигатель работал только когда включен первый двигатель)
Надеюсь поняли)
Реклама
ПАВ
Сообщения: 7647
Зарегистрирован: 13 авг 2015, 19:54
Репутация: 923
Откуда: Одесса
Контактная информация:

Нужна схема подключения 2 двигателей

Сообщение ПАВ » 20 мар 2019, 20:41

1- какие двигатели- три или 1 ф,
2- какие мощности,
3- от количества постов скорость исполнения желаний не зависит.
Надеюсь- поняли?
В жизни все не так, как на самом деле...
sadretdinov
Сообщения: 6
Зарегистрирован: 20 мар 2019, 20:08
Репутация: 0
Контактная информация:

Нужна схема подключения 2 двигателей

Сообщение sadretdinov » 20 мар 2019, 20:57

ПАВ писал(а):Источник цитаты 1- какие двигатели- три или 1 ф,
2- какие мощности,
3- от количества постов скорость исполнения желаний не зависит.
Надеюсь- поняли?

трехфазный
мощность не имеет значения, нужна просто схема
Аватара пользователя
Voloxa
Сообщения: 468
Зарегистрирован: 02 авг 2015, 09:01
Репутация: 38
Откуда: рядом с морем
Контактная информация:

Нужна схема подключения 2 двигателей

Сообщение Voloxa » 21 мар 2019, 11:06

sadretdinov писал(а):Источник цитаты мощность не имеет значения, нужна просто схема

Для того чтоб составить правильную схему необходимо знать технологию (почему нельзя запускать 2 электродвигатель без работающего 1 электродвигателя). Тупо нарисовать схему запуска раз плюнуть. Но будет ли она (техноложка) работать вопрос. А если и глубже копнуть, то может привести к АВАРИИ всей системы.
Аватара пользователя
TOPMO3
Сообщения: 4181
Зарегистрирован: 29 фев 2016, 10:37
Репутация: 626
Откуда: Ижевск
Контактная информация:

Нужна схема подключения 2 двигателей

Сообщение TOPMO3 » 21 мар 2019, 12:16

sadretdinov писал(а):Всем привет ... Нужна схема ... Надеюсь поняли
Ага ... воть.
Вложения
0000.jpg
Смеюсь последний ... тормоз однако!
sadretdinov
Сообщения: 6
Зарегистрирован: 20 мар 2019, 20:08
Репутация: 0
Контактная информация:

Нужна схема подключения 2 двигателей

Сообщение sadretdinov » 21 мар 2019, 16:48

Voloxa писал(а):Источник цитаты
sadretdinov писал(а):Источник цитаты мощность не имеет значения, нужна просто схема

Для того чтоб составить правильную схему необходимо знать технологию (почему нельзя запускать 2 электродвигатель без работающего 1 электродвигателя). Тупо нарисовать схему запуска раз плюнуть. Но будет ли она (техноложка) работать вопрос. А если и глубже копнуть, то может привести к АВАРИИ всей системы.

Она не будет применена на производстве
Для себя прошу
Например вытяжка и наждак
Аватара пользователя
tupos
Сообщения: 1344
Зарегистрирован: 10 авг 2015, 13:36
Репутация: 303
Откуда: Шадринск
Контактная информация:

Нужна схема подключения 2 двигателей

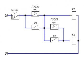
Сообщение tupos » 21 мар 2019, 17:00

Вот схема. Можно усложнить, добавив реле времени
Вложения
IMG_20190321_185737.jpg
ПРАВИЛА: http://forum-electrikov.ru/ucp.php?mode=terms
ПАВ
Сообщения: 7647
Зарегистрирован: 13 авг 2015, 19:54
Репутация: 923
Откуда: Одесса
Контактная информация:

Нужна схема подключения 2 двигателей

Сообщение ПАВ » 21 мар 2019, 18:43

А не проще сразу и то, и другое?
В жизни все не так, как на самом деле...
Аватара пользователя
elalex
Сообщения: 7423
Зарегистрирован: 21 июл 2015, 08:08
Репутация: 591
Откуда: [email protected]
Контактная информация:

Нужна схема подключения 2 двигателей

Сообщение elalex » 21 мар 2019, 20:10

Нахрена лепить автоматику (пускатели, кнопки) в таком простом деле? Некуда девать деньги?
Нельзя самому включить сначала одно, потом другое? Альцгеймер может помешать?
Одиночный свободный электрик
Опыт ремонтов квартир 20лет
Высшее электрическое образование
Бывший инженер-электрик
Пенсионер
64 года
Пишу для владельцев частного жилья
Запасной E–mail для россиян: [email protected]
ПАВ
Сообщения: 7647
Зарегистрирован: 13 авг 2015, 19:54
Репутация: 923
Откуда: Одесса
Контактная информация:

Нужна схема подключения 2 двигателей

Сообщение ПАВ » 21 мар 2019, 20:29

elalex писал(а):Источник цитаты Нахрена лепить автоматику (пускатели, кнопки) в таком простом деле? Некуда девать деньги?
Нельзя самому включить сначала одно, потом другое? Альцгеймер может помешать?


А патамушто ТС темнит с начала. Был вопрос о мощности, ответ никакой. Если речь об однофазном точиле, ответ один, если о трехфазном- другой. Где достаточно простого АВ типа АЕ и проч, где нужна пара кнопок и пускатели- сиди и гадай, как дать корректные ответ на некорректный вопрос. Люблю я такие темы, жуть-...поди туда, не знаю куда... и далее по сказке.
В жизни все не так, как на самом деле...


  • Реклама

Вернуться в «Электродвигатели переменного и постоянного тока»

Кто сейчас на конференции

Сейчас этот форум просматривают: нет зарегистрированных пользователей и 8 гостей