elalex писал(а):Источник цитаты 1.Попробуйте нарисовать схему понятнее и полнее:
- развитие схемы должно быть слева направо и сверху вниз, без возвратов. Получится: 1-й ряд - реле напряжения, УЗО1+его групповые автоматы, УЗО2+его групповые автоматы, ...
- надписи попробуйте писать горизонтально, а не вертикально, и крупнее
- схему достаточно рисовать и в 1-линейном виде
- на лестнице должен стоять вводной автомат с защитной характеристикой D и номиналом под сечение вводного каьеля. Имеет смысл поставить избиратель лучшей фазы
- клеммники и шины в щите - ни к чему
- в схеме должны быть защитные характеристики автоматов, сечения жил, мощности больших (>1кВт) потребителей
- уезжая в отпуск, холодильник нужно выключать
- в схеме не должно быть потребителей, не защищенных УЗО
- на одно УЗО - лучше не больше 5-6 групповых автоматов
- на всю квартиру достаточно 2-3 группы освещения
- если квартира имеет достаточно дорогое электрооборудование - имеет смысл поставить УЗИПы
- про марки и типы реле напряжения и УЗО, заземление квартиры - нужно поговорить
- размер щитка выяснится позднее
- щиток лучше металлический. Про его заземление нужно поговорить.
2.Переваривайте, потом продолжим.
- не хватит места тогда, я так пробовал. И это всего лишь вид компоновки, а не догма, правильно? можно автоматы и под своим узо размещать.Получится: 1-й ряд - реле напряжения, УЗО1+его групповые автоматы, УЗО2+его групповые автоматы, ...
а где тогда их размещать?клеммники и шины в щите - ни к чему
в каком нормативном документе это написано? Смысл защищать узо потребители, с которыми не имеешь прямого контакта/у которых нет мет корпуса или влажной среды эксплуатации?в схеме не должно быть потребителей, не защищенных УЗО
готов поговорить.про марки и типы реле напряжения и УЗО, заземление квартиры - нужно поговорить
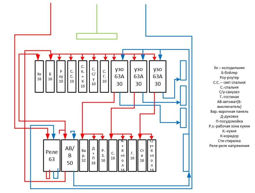
alex87 писал(а):Источник цитаты Прикладываю схему щита, попрошу оценить его работоспособность, наличие ошибок и, если возможно - оптимизировать.
ТОЭ писал(а):alex87 писал(а):Источник цитаты Прикладываю схему щита, попрошу оценить его работоспособность, наличие ошибок и, если возможно - оптимизировать.
Все у Вас нормально, не слушайте заумных советов, лучше учитесь у таких, как Лужецкий.
alex87 писал(а):ТОЭ писал(а):alex87 писал(а):Источник цитаты Прикладываю схему щита, попрошу оценить его работоспособность, наличие ошибок и, если возможно - оптимизировать.
Все у Вас нормально, не слушайте заумных советов, лучше учитесь у таких, как Лужецкий.
Это сарказм?
elalex писал(а):Источник цитаты Вводной автомат в квартирном щитке - ни к чему.
alex87 писал(а):Источник цитаты Заземление квартиры любым способом нужно сделать ТТ. Почитайте, что это. - почитал...в основном инфа про воздушные линии, как это применимо к квартире? Можно носом ткнуть ?
Вернуться в «Проектирование внутреннего электроснабжения»
Сейчас этот форум просматривают: нет зарегистрированных пользователей и 9 гостей