Или всё переделывать?
ЭОМ не выкладываю весь.
Потребность описана в доке.
Можно и в личку...
Rumato писал(а):Источник цитаты Что такое - проект щитов? Схема у Вас есть, в чём проблема?
elalex писал(а):Источник цитаты Что такое ЭОМ?
kirch писал(а):Источник цитатыRumato писал(а):Источник цитаты Что такое - проект щитов? Схема у Вас есть, в чём проблема?
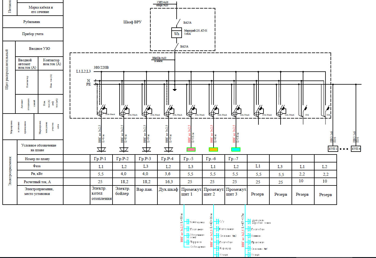
Схема гав..о. Конечно её надо додумывать.
Проект щитов - спроектировать нутрянку щитов с учётом места для управляемых модулей реле.

Rumato писал(а):Источник цитаты надо сделать новый проект?
kirch писал(а):Источник цитаты Схема гав..о. Конечно её надо додумывать.Проект щитов - спроектировать нутрянку щитов с учётом места для управляемых модулей реле.
Насчет всей схемы не скажу, а вот схему АВР, точно надо продумывать полностью ... имхо не продумана логика при переключениях. Да и не понятно что там с автозапуском - есть она или нет.kirch писал(а):Источник цитатыСхема гав..о. Конечно её надо додумывать.
Это как можно спроектировать не зная места и что это за реле, которое имеет управляемые модули? Я такое первый раз слышу.Проект щитов - спроектировать нутрянку щитов с учётом места для управляемых модулей реле.

Вернуться в «Проектирование внутреннего электроснабжения»
Сейчас этот форум просматривают: нет зарегистрированных пользователей и 15 гостей