кви-45 писал(а):Rfractal , есть вопросы :
1. На ваших рисунках вводный шкаф не указан?
2. У вас указано , что в общий щит гаража с кабелем входит N провод , а не ПЕН - это так? То есть вы в щите ответвления делите N . Здесь вопрос в том , если вы ошиблись и это ПЕН провод , то его нельзя рвать коммутационным аппаратом АВ 100А.
3. Маленький щит ответвления , где расположен - В общем гаражном щите?
Rfractal писал(а):кви-45 писал(а):3. Маленькй щит ответвления установлен в щитовой гаражного кооператива, от него до моего гаража проложен кабель в воздухе 5х6 ВВГ на LS.
TOPMO3 писал(а):Источник цитаты Rf
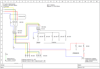
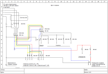
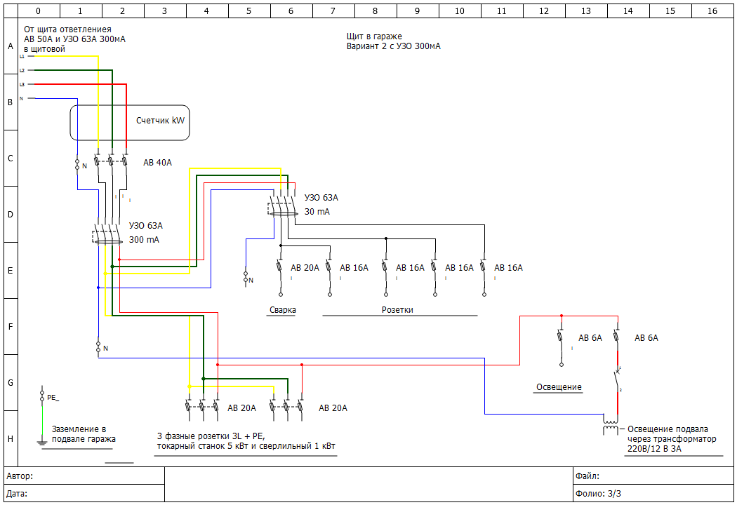
Если решились на систему ТТ, то делайте схему вариант 2 (с УЗО на 300 мА).Rfractal писал(а):Источник цитаты3. Буду реализовывать схему ТТ
TOPMO3 писал(а):Источник цитаты Если решились на систему ТТ, то делайте схему вариант 2 (с УЗО на 300 мА).
Rfractal, А станкам не требуется, рабочий нуль, что ли?
ТОЭ писал(а):Источник цитаты Как-то у вас коряво все получается. 70 метров отпайка это не повод отказываться от ТN в пользу ТТ, тем более с трехфазной сетью.Не вижу ни одного РЕ в шкафах, они что, все пластиковые. Делайте ТN, делайте разделение, делайте защитное зануление, делайте повторное заземление, делайте СУПы, тяните 5 жил от маленького ящика. Основная защита это автомат, УЗО можно ставить и при ТN
Rfractal писал(а):Получается в таком виде?
Rfractal писал(а):Источник цитаты Спасибо, поправлю схему
Моя рекомендация не согласуется с пожеланиями ПУЭTOPMO3 писал(а):Источник цитаты3. Не рекомендую делать повторное заземление нейтрали после счетчика (пусть даже не Вашего) ... делайте лучше систему ТТ (для питания розеток и освещения)...
ПУЭ писал(а):7.1.13. Питание электроприемников должно выполняться от сети 380/220 В с системой заземления TN-S или TN-C-S.
А на фиг станку УЗМ ... тама нету нейтрали и ему до лампочки на этот обрыв?Rfractal писал(а):Источник цитатыЕдинственное переживаю за отгорание нейтрали дальше обще-гаражного щита и отсутствием заземления около вводного щита в щитовую.
Подскажите УЗМ 3х фазное дружит с электромоторами?

Вернуться в «Проектирование внутреннего электроснабжения»
Сейчас этот форум просматривают: нет зарегистрированных пользователей и 8 гостей