Мне кажется, что Вы не смогли, в полном объеме, выразить свою мысль/вопрос.старый писал(а):Источник цитаты Подскажите что даёт включение эл двигателя, когда звезда собирается на втором пускателе, контакторе?
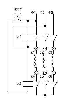
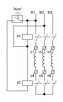
Для чего сделано такое, вроде бы бессмысленное, подключение нам неизвестно ... нам неизвестно многое.старый писал(а):Источник цитаты Схема выглядит так. С пускателя 1подается напряжение на клеммы с1, с2,с3 двигателя. С концов обмоток с4,с5,с6 провода подключены на пускатель 2. Пускатели включаются одновременно. Контакты пускателя 2 с другой стороны закончены перемычками.

Вернуться в «Электродвигатели переменного и постоянного тока»
Сейчас этот форум просматривают: нет зарегистрированных пользователей и 9 гостей