Сообщение lahesis333 » 15 сен 2020, 13:18
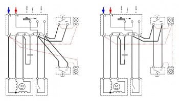
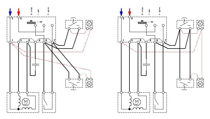
Помогите пожалуйста в реализации следующего. В наличии имеется повысительный насос. Участниками данного форума(спасибо им большое!) была создана схема принудительного включения насоса(необходима в случае отказа автоматики из-за слишком низкого давления воды), согласно которой, насос можно включать из разных точек(удаленных от точки установки самого насоса). Но вот встал вопрос "индикации" работы насоса при включенном выключателей. При выключенном выключателе на одном из кабелей идет фаза. Но когда выключатель включен фаза исчезает. Можно ли "втулить" в эту цепь(а именно к выключателям в ванной и в кухне) обычную лампочку? То есть если выключатель в ванной или кухне включен и насос работает-лампочка горела. Можно такое собрать?
-
Вложения
-
