aleksey.RU писал(а):Источник цитаты
Реле 230В, 4 перекидных контакта по 6А
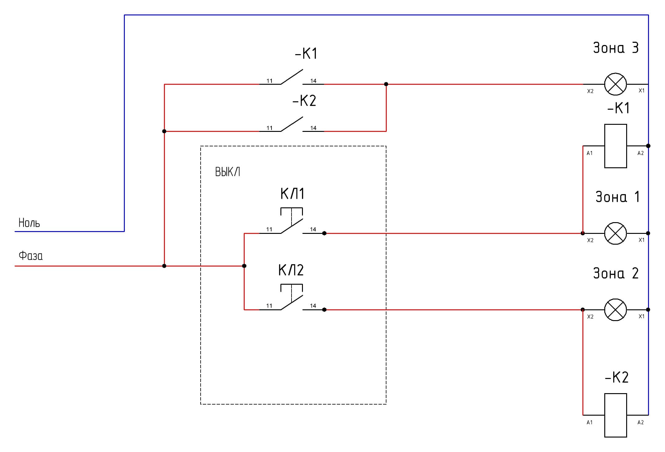
aleksey.RU писал(а):Источник цитаты Эти реле самые распространенные и самые мощные, чтоб контакты не подгорали. Я так понял, что все это будет за потолком. Контакты запараллельте. Реле лучше спрятать в распаечной коробке, но так чтоб достать можно было, в случае чего.
Zohan писал(а):Источник цитаты почему именно 4 перекидных контакта а не 2?
Выключатель с рамкой от 500рПАВ писал(а):Источник цитаты Цена
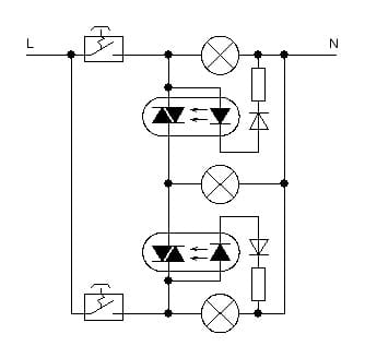
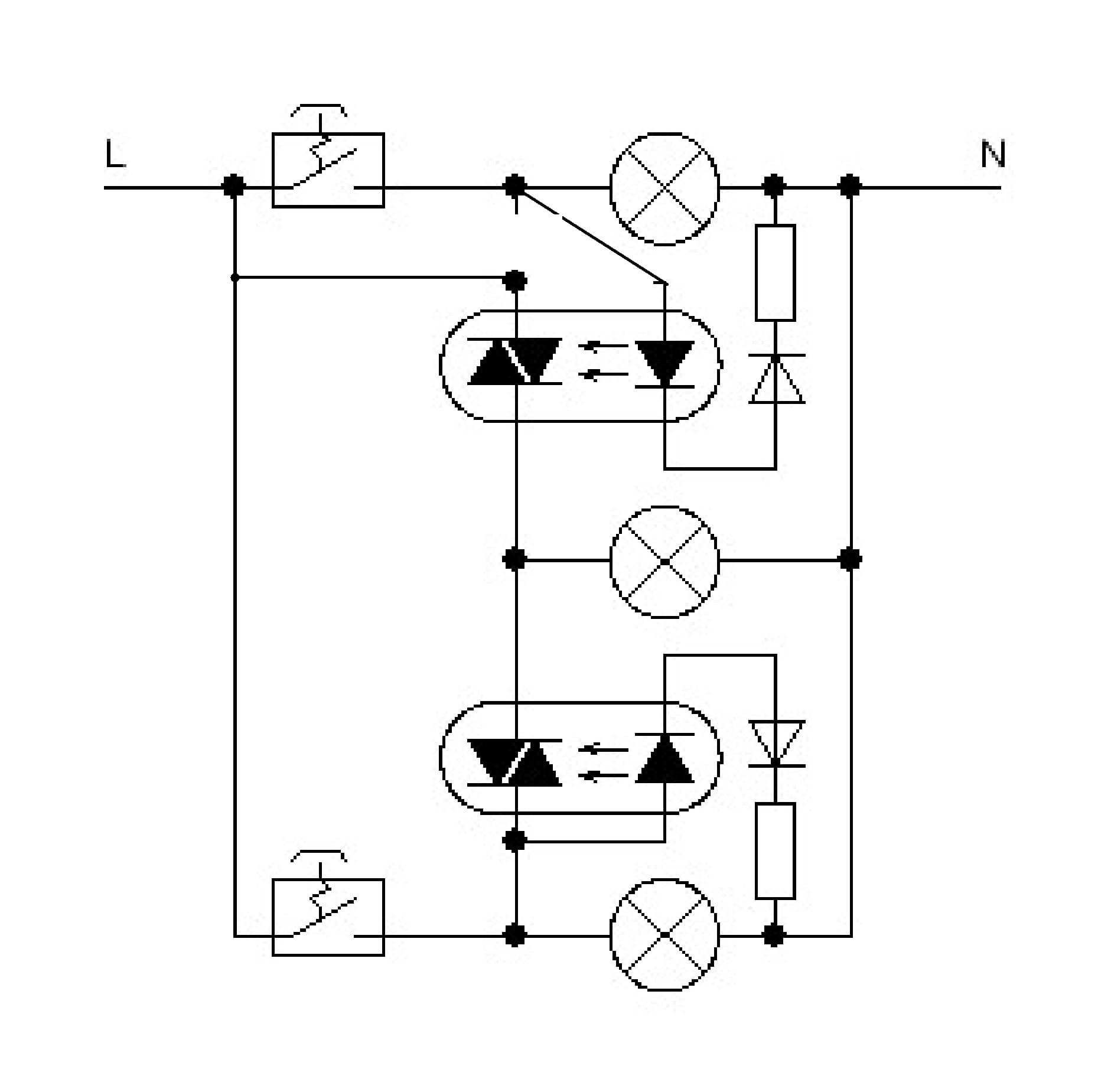
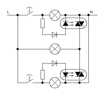
TOPMO3 писал(а):Источник цитаты Или так ... без механики.

Не знаю ... возможно Вы правы.aleksey.RU писал(а):Источник цитатыВключить обе клавишы и отключить одну, любую. Второй (как бы отключенный) симистор станет на самоподпитку?

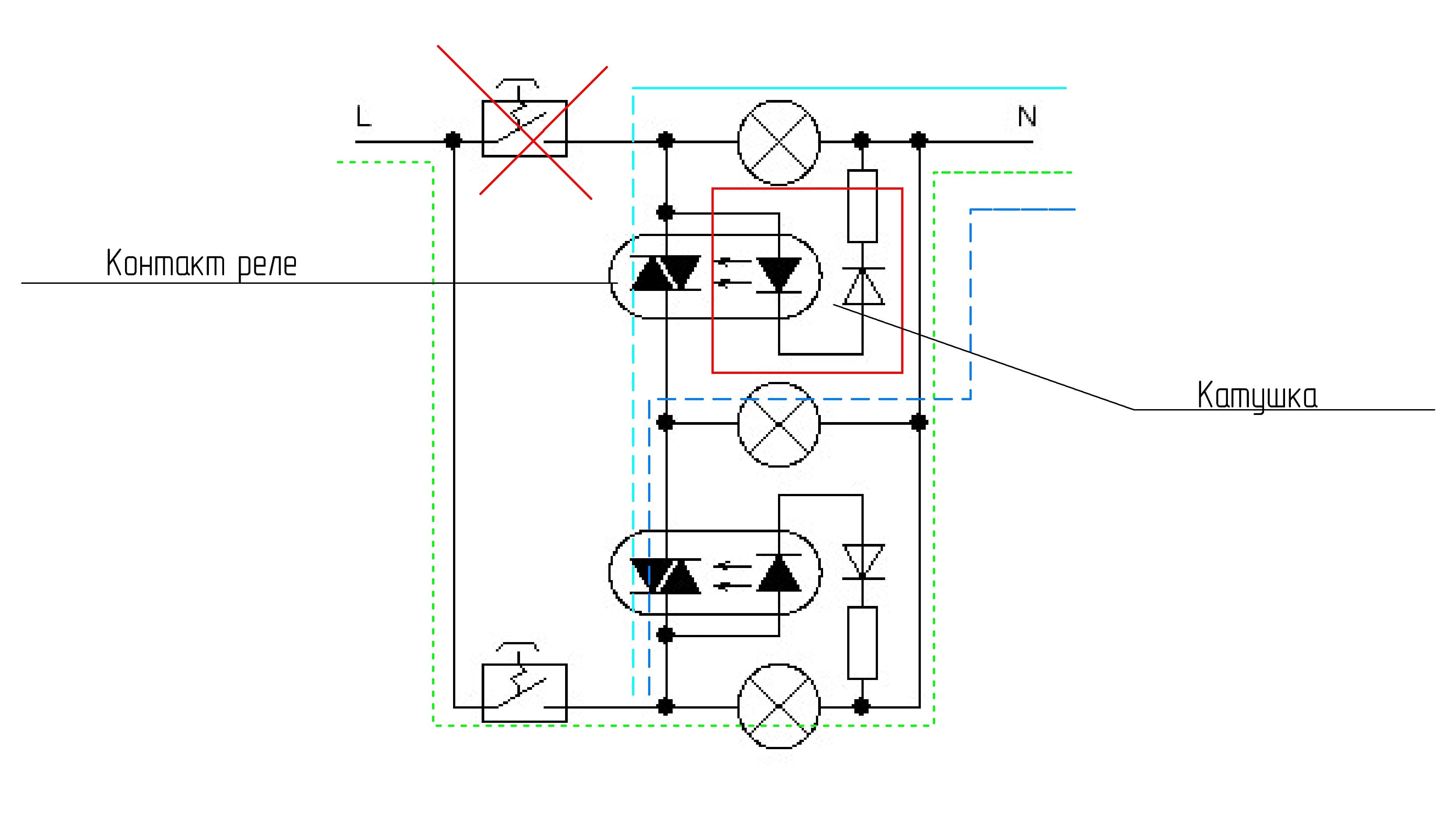
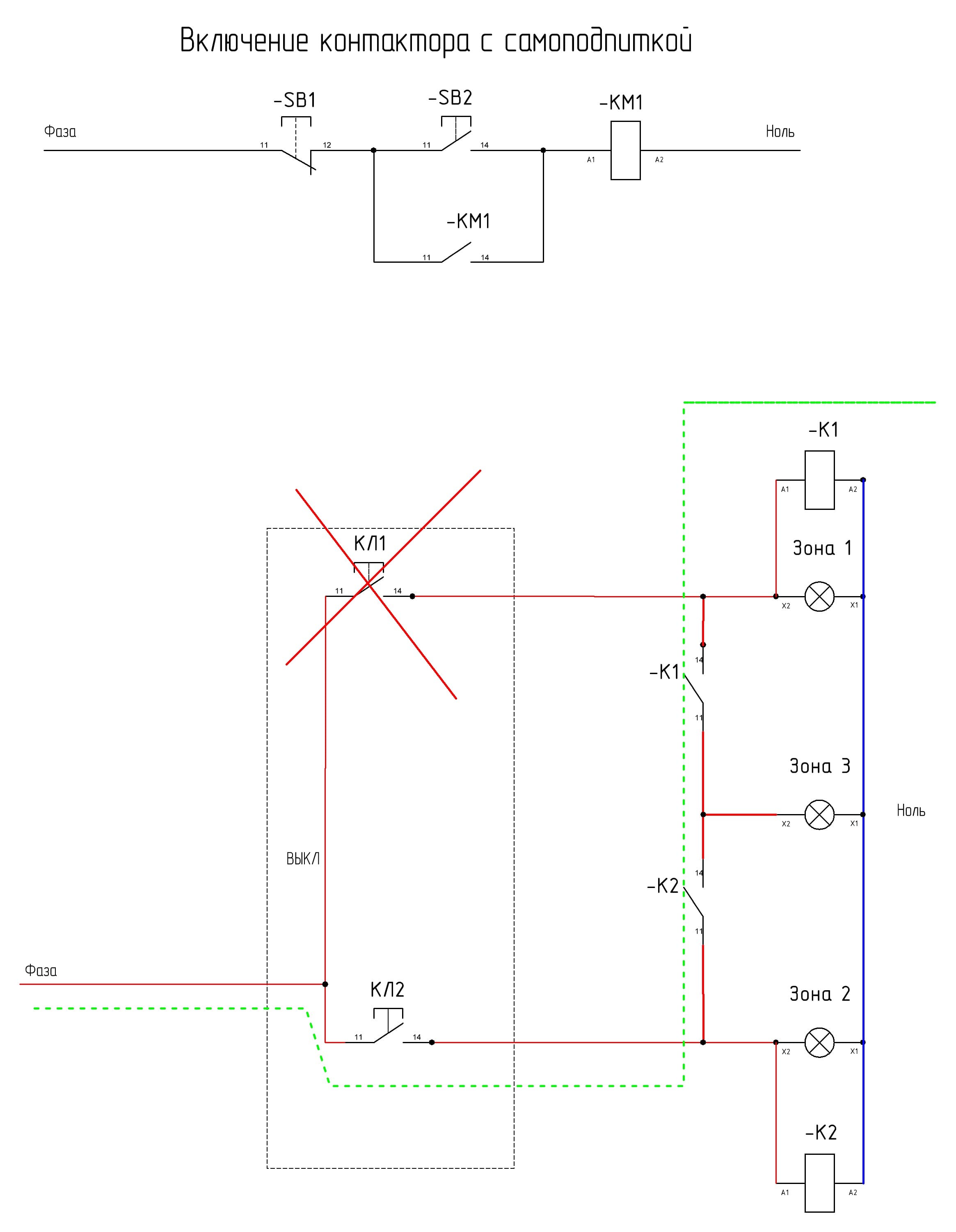
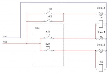
я просто попадал, собрали щит по моим чертежам, хорошо, что сам шефмонтаж делал. Запускаем установку - ключается, но не отключается. 
ПАВ писал(а):Источник цитаты Вполне возможно

ПАВ писал(а):Источник цитаты управляю твердотельными реле ОРТО22
Оказывается, достаточно поменять местами нагрузку с симисторами ... "самоподпитка" исчезает.aleksey.RU писал(а):Источник цитатыВключить обе клавишы и отключить одну, любую. Второй (как бы отключенный) симистор станет на самоподпитку?
TOPMO3 писал(а):Источник цитаты ... исправленная.


Вернуться в «Освещение и источники света»
Сейчас этот форум просматривают: нет зарегистрированных пользователей и 16 гостей