Страница 1 из 2
Общая группа светильников
Добавлено: 10 окт 2022, 13:34
Zohan
Всем привет!
Народ, подскажите, пожалуйста, реализуем ли такой вариант и как это сделать?
Нужно подключить точечные светильники на две зоны с двойным выключателем, но часть из них должна включаться с любой из клавиш. Подробнее на схеме.
P.S. тройной выключатель не предлагать :)
Общая группа светильников
Добавлено: 10 окт 2022, 14:29
aleksey.RU
Реле 230В, 4 перекидных контакта по 6А
Общая группа светильников
Добавлено: 10 окт 2022, 18:11
Zohan
aleksey.RU писал(а):Источник цитаты Включение.jpg
Реле 230В, 4 перекидных контакта по 6А
Алексей, спасибо!
Можете еще пояснить как чайнику, почему именно 4 перекидных контакта а не 2?
Общая группа светильников
Добавлено: 10 окт 2022, 18:16
aleksey.RU
Эти реле самые распространенные и самые мощные, чтоб контакты не подгорали. Я так понял, что все это будет за потолком. Контакты запараллельте. Реле лучше спрятать в распаечной коробке, но так чтоб достать можно было, в случае чего.
Общая группа светильников
Добавлено: 10 окт 2022, 18:26
Zohan
aleksey.RU писал(а):Источник цитаты Эти реле самые распространенные и самые мощные, чтоб контакты не подгорали. Я так понял, что все это будет за потолком. Контакты запараллельте. Реле лучше спрятать в распаечной коробке, но так чтоб достать можно было, в случае чего.
Ок, спасибо большое за помощь!
Общая группа светильников
Добавлено: 10 окт 2022, 18:27
aleksey.RU
Тупанул, такие есть и 2х и 3х и 4х, можно любые
Общая группа светильников
Добавлено: 10 окт 2022, 19:09
ПАВ
Реле, их конт. группу искать по току нагрузки, которую надо посчитать. Я к тому, что не стоит гнаться за излишне большими токами ч-з контактную группу. Цена.
Общая группа светильников
Добавлено: 10 окт 2022, 19:56
aleksey.RU
Выключатель с рамкой от 500р
Реле ЭКФ, ИЭК, ТДМ вообще хламм, а тут за потолком, лет на 40 хватит.
Ни столько из за тока, сколько из за надежности реле
Общая группа светильников
Добавлено: 10 окт 2022, 21:19
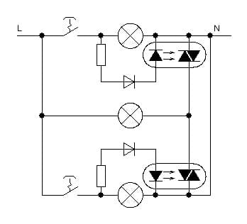
TOPMO3
Или так ... без механики.
Общая группа светильников
Добавлено: 11 окт 2022, 07:42
ПАВ
Можно и так, не если там будут СДЛ, то не все любят работать в паре с симистором, иногда и с реле в паре с искрогасящей цепочкой параллельно контактам.
Общая группа светильников
Добавлено: 11 окт 2022, 08:53
aleksey.RU
Включить обе клавишы и отключить одну, любую. Второй (как бы отключенный) симистор станет на самоподпитку?
SPlan

Общая группа светильников
Добавлено: 11 окт 2022, 09:39
TOPMO3
aleksey.RU писал(а):Источник цитатыВключить обе клавишы и отключить одну, любую. Второй (как бы отключенный) симистор станет на
самоподпитку?
Не знаю ... возможно Вы правы.

Общая группа светильников
Добавлено: 11 окт 2022, 10:01
aleksey.RU

я просто попадал, собрали щит по моим чертежам, хорошо, что сам шефмонтаж делал. Запускаем установку - ключается, но не отключается.

Общая группа светильников
Добавлено: 11 окт 2022, 12:51
ПАВ
Вполне возможно. Дома некоторые места питаю/управляю твердотельными реле ОРТО22. С лампами проблем нет, с СДЛ есть. Очевидно влияние тока, хоть и небольшого, при запертом симисторе через переходы. Возможно, и через гасящую цепочку на выходе. Особо глубоко не копал, припрет ежели- упремся-разберемся.
Общая группа светильников
Добавлено: 11 окт 2022, 13:17
aleksey.RU
А я ничего не скажу, я как кот Матроскин

Включите две клавиши и отключите одну
Что бы отключить ВЕСЬ свет, нужно выкл обе клавиши
Общая группа светильников
Добавлено: 11 окт 2022, 13:22
aleksey.RU
ни ЧТО подключить, а КУДА
Верхняя клавиша
Общая группа светильников
Добавлено: 11 окт 2022, 13:37
aleksey.RU
Открою еще тайну.
В сложных схемах управления, где большие расстояния, больше 20м, где сигнал подаётся на маленькие реле (промежуточные/интерфейсные,
не контактор), схемы управления запитываются постоянным током. При переменном токе, кабель управления превращается в конденсатор и удерживает реле, у которого ток потребления 20-40мА.
У твёрдотельного реле (с симистором) есть ток удержания. И если ток удержания больше тока нагрузки, реле не работает!
Общая группа светильников
Добавлено: 11 окт 2022, 16:11
ПАВ
Как раз тот случай:...сапог в бою надежнее!...(с)
Общая группа светильников
Добавлено: 11 окт 2022, 18:31
TOPMO3
aleksey.RU писал(а):Источник цитатыВключить обе клавишы и отключить одну, любую. Второй (как бы отключенный) симистор станет на самоподпитку?
Оказывается, достаточно поменять местами нагрузку с симисторами ... "самоподпитка" исчезает.

- Файл JPG — копия.jpg (19.87 КБ) 2191 просмотр
... первая схема ... с самоподпиткой.

- Файл JPG.jpg (17.33 КБ) 2191 просмотр
... исправленная.
Общая группа светильников
Добавлено: 11 окт 2022, 19:14
aleksey.RU
Согласовано __________ м.п
Утверждаю ___________м.п
Запуск в производство

Но фаза не отключается
