Ivan_M писал(а):Источник цитаты УЗО DEKraft
ставят в этажные щиты или на вводIvan_M писал(а):Источник цитаты 6кА
тоже 6кА https://legrand.ru/services/faq/product ... ii/505134/Ivan_M писал(а):Источник цитаты Legrand серии TX3
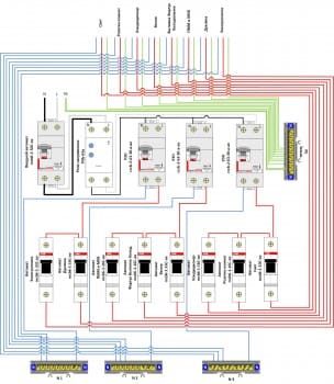
Ivan_M писал(а):Источник цитаты Набросал схему на комплектующих EKF
ПАВ писал(а):Источник цитаты Я бы не сводил розетки комнат и освещение на один автомат- коротнуло что-то в одной, а бывает и часто, выключились все розетки? Аналогично и свет- и драйверы СДЛ постреливают, и ЛН...

aleksey.RU писал(а):Источник цитаты У ИЭК есть хорошая дорогая серия ARMAT https://www.etm.ru/catalog?page=1&searchValue=armat
aleksey.RU писал(а):Источник цитаты Я бы сделал так:
Автоматический выключатель 2P 50А (C) 6кА ВА 47-63 EKF PROxima mcb4763-6-2-50C-pro 1шт
Автоматический выключатель 1P 32А (C) 6кА ВА 47-63 EKF PROxima mcb4763-6-1-32C-pro 1шт
Автоматический выключатель 1P 16А (C) 6кА ВА 47-63 EKF PROxima mcb4763-6-1-16C-pro 5шт
Дифференциальный автомат АД-32 1P+N 25А/30мА (тип А) EKF PROxima DA32-25-30-a-pro 2шт или DA63-25-30 они по круче
Устройство защитного отключения УЗО ВД-100 2P 63А/ 30мА (электромеханическое) EKF PROxima elcb-2-63-30-em-pro 2шт
Реле напряжения и тока с дисплеем MRVA 63A EKF PROxima MRVA-63A 1шт
Шина нулевая в корпусе (2х11) EKF PROxima sn0-2x11 1шт
Шина "0" N (8х12мм) 6 отверстий латунь синий нейлоновый корпус комбинированный EKF PROxima sn0-125-6-dn 2шт
Шина заземления на ваш вкус 1шт
aleksey.RU писал(а):Источник цитаты Еще раз напишу. Все эти производители, как ИЭК, ЭКФ, ТДМ, Чинт, ЭАТОН и им подобные раньше, в здравом уме никто не использовал.
И по надежности Вам никто ничего не скажет. Это выяснится только через год.
Вроде бы идет постоянное улучшение, но мы то с вами знаем ....
Я 15 лет использовал только Шнайдер и АВВ. С Леграндом не сложилось, у меня от того что не сработал автомат, выгорал кабель АВВбШв 4х16 в грунте, да так, что оставался след из золы
Ivan_M писал(а):Источник цитаты На свет тоже 16А?
Ivan_M писал(а):Источник цитаты Дифф. на ванну допускается?
Ivan_M писал(а):Источник цитаты Кондей на 16А или на 10А автомат подключать?
Ivan_M писал(а):Источник цитаты Дифф. один на все розетки квартиры включая кухню 25А?
Ivan_M писал(а):Источник цитаты в плане розеток и выключателей
http://electromirbel.ru/legrand-valena
Тут полностью согласен. Как то из головы даже вылетело пустить через шину.aleksey.RU писал(а):Источник цитаты Шлейфы от автомата к автомату не делайте, лучше фазу и ноль пустить через https://ekfgroup.com/catalog/products/s ... kf-proxima
aleksey.RU писал(а):Источник цитаты
Жестким проводом не надо делать, а многожилку так - гильзами.
Причем два провода тоже одной гильзой можно обжать - есть двойные![]()
Ivan_M писал(а):Источник цитатыПАВ писал(а):Источник цитаты Я бы не сводил розетки комнат и освещение на один автомат- коротнуло что-то в одной, а бывает и часто, выключились все розетки? Аналогично и свет- и драйверы СДЛ постреливают, и ЛН...
Розетки комнат и свет на разных автоматах у меня. Или вы про то, чтобы не висели вместе на одном УЗО?
ПАВ писал(а):Источник цитатыIvan_M писал(а):Источник цитатыПАВ писал(а):Источник цитаты Я бы не сводил розетки комнат и освещение на один автомат- коротнуло что-то в одной, а бывает и часто, выключились все розетки? Аналогично и свет- и драйверы СДЛ постреливают, и ЛН...
Розетки комнат и свет на разных автоматах у меня. Или вы про то, чтобы не висели вместе на одном УЗО?
Я про то, что у вас все розетки на одном автомате, а лампы таки на другом, и по схеме это видно. Но! срабатывание этого единственного АВ оставит без питания или ВСЕ розетки, или ВСЕ лампы.
Вернуться в «Проектирование внутреннего электроснабжения»
Сейчас этот форум просматривают: нет зарегистрированных пользователей и 8 гостей