Симметричный трансформатор на входе.

Вопросы по рубильникам, выключателям нагрузки, пакетным выключателям, разъединителям, изоляторам, сборным шинам и прочему низковольтному оборудованию до 1000 (В).
DukaMinimo
Сообщения: 5
Зарегистрирован: 07 ноя 2022, 12:48
Репутация: 0
Контактная информация:

Симметричный трансформатор на входе.

Сообщение DukaMinimo » 07 ноя 2022, 13:40

Добрый день. Просьба разъяснить возможность уйти от ассиметричности 3х фазной сети. Чуток предистории. Строю дом, коробка готова началась инженерка. Есть только вводной кабель 4х10 и автома 50А на столбе, даже заземления пока нет. И вот мне прораб говорит, что надо 3700 метров кабеля на дом в 200 квадратов. Я подофигел, оказалось что он хочет чуть ли не к каждой лампочке вести отдельный кабель. я немного понимаю в электрике и монтаже, есть опыт самостоятелбного электромонтажа квартиры 50м2. Так вот, решил взять этот вопрос на контроль и выяснилась любопытная вещь. В том районе где расположен дом очень большие проблемы с перекосом фаз. Напряжение на фазах скачет, что "тёща на сковородке". Понимаю, что можно сгладить скачки напряжения стабилизаторами, а вот что делать с перекосом фаз. Вычитал, что для этого можно применять симметрирующие трансформаторы, но я не нашёл практических реализаций этого. В доме будут несколько 3х фазных нагрузок и 2 станка. Вопрос: есть ли смысл использовать симметрирующий трансформатор и как?
Спасибо
Реклама
ПАВ
Сообщения: 7647
Зарегистрирован: 13 авг 2015, 19:54
Репутация: 923
Откуда: Одесса
Контактная информация:

Симметричный трансформатор на входе.

Сообщение ПАВ » 07 ноя 2022, 14:01

1- чем перекос напряжения отличается от скачков того же напряжения?
2- что помешает этому виртуальному симметрирующему тр-ру повторять то, что происходит на его входе?
3- где гарантия, что на ТП все прекрасно, нет ни скачков, ни перекоса, где гарантия, что подключение вашего дома прямо к ТП исправит сидуацию?
Для начала- какие по величине эти перекосы/скачки, при каких условиях измерялись- с, или без вашей нагрузки?
В жизни все не так, как на самом деле...
Аватара пользователя
aleksey.RU
Сообщения: 1397
Зарегистрирован: 12 сен 2022, 15:17
Репутация: 137
Откуда: СССР
Контактная информация:

Симметричный трансформатор на входе.

Сообщение aleksey.RU » 07 ноя 2022, 14:15

DukaMinimo писал(а):Источник цитаты Вычитал, что для этого можно

Не нужно читать заумные вещи.
Сколько домов на Вашей линии? Соберитесь соседями и поговорите, скиньтесь электрику и переподключите дома.
А-В-С, А-В-С и прибудет с Вами сила электричества :biggrin:
DukaMinimo писал(а):Источник цитаты что надо 3700 метров кабеля на дом в 200 квадратов

Аха и щит, как в соседних темах, модулей на 96 :ok:
Ну если не догонять Илона Маска, то 1500-1700м :biggrin:
Тот, кто пытается использовать методы, не зная принципов, обречен на неудачу
ПАВ
Сообщения: 7647
Зарегистрирован: 13 авг 2015, 19:54
Репутация: 923
Откуда: Одесса
Контактная информация:

Симметричный трансформатор на входе.

Сообщение ПАВ » 07 ноя 2022, 14:23

У прораба отличный бизнес, однако.
В жизни все не так, как на самом деле...
Аватара пользователя
aleksey.RU
Сообщения: 1397
Зарегистрирован: 12 сен 2022, 15:17
Репутация: 137
Откуда: СССР
Контактная информация:

Симметричный трансформатор на входе.

Сообщение aleksey.RU » 07 ноя 2022, 14:25

DukaMinimo писал(а):Источник цитаты дом в 200 квадратов

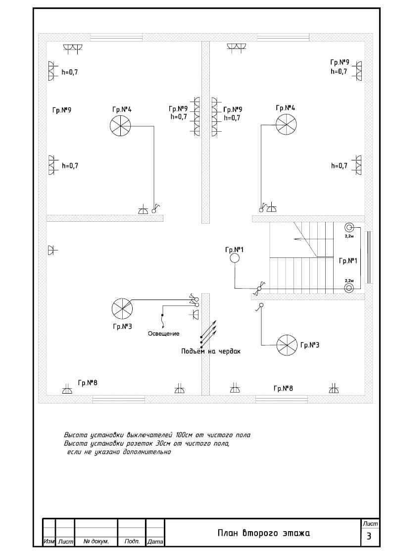
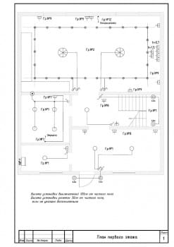
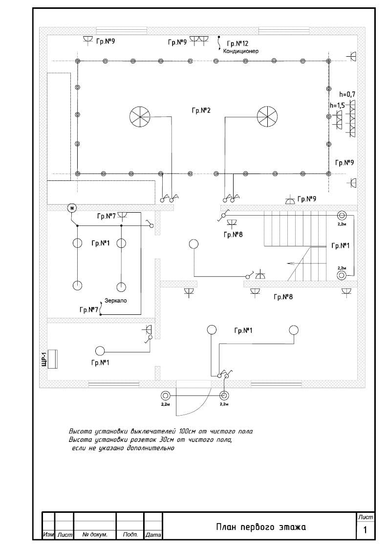
Вот держи, считал дочери, дом 100м.кв. Цены старые
Работа с фотками тут своеобразная. что бы открыть нажми на квадратики под спойлером
Схема дома_2.jpg

Схема дома_1.jpg

Схема дома_7.jpg

Схема дома_6.jpg

Схема дома_5.jpg

Схема дома_4.jpg

Схема дома_3.jpg

Схема дома_8.jpg
Тот, кто пытается использовать методы, не зная принципов, обречен на неудачу
Аватара пользователя
aleksey.RU
Сообщения: 1397
Зарегистрирован: 12 сен 2022, 15:17
Репутация: 137
Откуда: СССР
Контактная информация:

Симметричный трансформатор на входе.

Сообщение aleksey.RU » 07 ноя 2022, 15:14

Окончание
9.JPG
Тот, кто пытается использовать методы, не зная принципов, обречен на неудачу
DukaMinimo
Сообщения: 5
Зарегистрирован: 07 ноя 2022, 12:48
Репутация: 0
Контактная информация:

Симметричный трансформатор на входе.

Сообщение DukaMinimo » 08 ноя 2022, 21:27

ПАВ писал(а):1- чем перекос напряжения отличается от скачков того же напряжения?
2- что помешает этому виртуальному симметрирующему тр-ру повторять то, что происходит на его входе?
3- где гарантия, что на ТП все прекрасно, нет ни скачков, ни перекоса, где гарантия, что подключение вашего дома прямо к ТП исправит сидуацию?
Для начала- какие по величине эти перекосы/скачки, при каких условиях измерялись- с, или без вашей нагрузки?



1. Отличается величиной. Скачок может выйти за максимальное допустимое значение, а перекос в пределах допустимых значений. Так я это понимаю. От скачков оборудование может перегореть быстро ну или мгновенно (поэтому и используем стабилизаторы), а перекос оборудование может "держать" долгое время, но тоже не бесконечно и чревато последствиями, например перегревом изоляции и т.д.

2. 3.
я наверное неправильно выразился. Симметричный трансформатор (СТ) я рассматривал как вариант установки у себя в доме с целью сгладить перекос. Ведь посудите, СТ устроен так что каждый его вывод берет 50%, 25% и 25% от каждого ввода трансформатора. Для наглядности, вдруг это кто-то ещё будет читать:
ВХОДЫ
ВХ1 = Фаза 1 (100%), Вх2 = Фаза 2 (100%), Вх3 Фаза 3 (100%)
ВЫХОДЫ
ВыХ1 = Фаза 1 (50%) + Фаза 2 (25%) + Фаза 3 (25%)
ВыХ2 = Фаза 1 (25%) + Фаза 2 (50%) + Фаза 3 (25%)
ВыХ3 = Фаза 1 (25%) + Фаза 2 (25%) + Фаза 3 (50%)
Т.е. при любом изменении на любой из фаз (ну или перекос) у вас на выходе "сглаженная" картинка.

Соответственно отвечая на ваш вопрос 2 и 3, если что-то происходит на ТП к которому подключён мой дом, или соседи "играют в светофор" с фазами у меня будет "сглаженная" картина на выходе с СТ.
DukaMinimo
Сообщения: 5
Зарегистрирован: 07 ноя 2022, 12:48
Репутация: 0
Контактная информация:

Симметричный трансформатор на входе.

Сообщение DukaMinimo » 08 ноя 2022, 21:29

aleksey.RU писал(а):Источник цитаты
DukaMinimo писал(а):Источник цитаты Вычитал, что для этого можно

Не нужно читать заумные вещи.
Сколько домов на Вашей линии? Соберитесь соседями и поговорите, скиньтесь электрику и переподключите дома.
А-В-С, А-В-С и прибудет с Вами сила электричества :biggrin:
DukaMinimo писал(а):Источник цитаты что надо 3700 метров кабеля на дом в 200 квадратов

Аха и щит, как в соседних темах, модулей на 96 :ok:
Ну если не догонять Илона Маска, то 1500-1700м :biggrin:


Соседи это хорошо, когда это "хорошие" соседи. Мне к сожалению не повезло. Пока тянул линию мне и ментами грозили и под машину ложились, чтоб столбы не закапывать. Короче - не договорюсь.
DukaMinimo
Сообщения: 5
Зарегистрирован: 07 ноя 2022, 12:48
Репутация: 0
Контактная информация:

Симметричный трансформатор на входе.

Сообщение DukaMinimo » 08 ноя 2022, 21:30

aleksey.RU писал(а):Источник цитаты
DukaMinimo писал(а):Источник цитаты дом в 200 квадратов

Вот держи, считал дочери, дом 100м.кв. Цены старые
Работа с фотками тут своеобразная. что бы открыть нажми на квадратики под спойлером
Схема дома_1.jpg

Схема дома_2.jpg

Схема дома_3.jpg

Схема дома_4.jpg

Схема дома_5.jpg

Схема дома_6.jpg

Схема дома_7.jpg

Схема дома_8.jpg



Спасибо огромное, слабовато для моих "хотелок", но в любом случае всегда интересно почитать чужие грамотные щиты.
Аватара пользователя
aleksey.RU
Сообщения: 1397
Зарегистрирован: 12 сен 2022, 15:17
Репутация: 137
Откуда: СССР
Контактная информация:

Симметричный трансформатор на входе.

Сообщение aleksey.RU » 09 ноя 2022, 08:00

DukaMinimo писал(а):Источник цитаты Соседи это хорошо, когда это "хорошие" соседи

http://www.orator.ru/pritcha_kakie_ljudi_zhivut_v_tviem_gorode.html
Тот, кто пытается использовать методы, не зная принципов, обречен на неудачу
ПАВ
Сообщения: 7647
Зарегистрирован: 13 авг 2015, 19:54
Репутация: 923
Откуда: Одесса
Контактная информация:

Симметричный трансформатор на входе.

Сообщение ПАВ » 09 ноя 2022, 08:53

Берит
DukaMinimo писал(а):Источник цитаты 2. 3.
я наверное неправильно выразился. Симметричный трансформатор (СТ) я рассматривал как вариант установки у себя в доме с целью сгладить перекос. Ведь посудите, СТ устроен так что каждый его вывод берет 50%, 25% и 25% от каждого ввода трансформатора. Для наглядности, вдруг это кто-то ещё будет читать:
ВХОДЫ
ВХ1 = Фаза 1 (100%), Вх2 = Фаза 2 (100%), Вх3 Фаза 3 (100%)
ВЫХОДЫ
ВыХ1 = Фаза 1 (50%) + Фаза 2 (25%) + Фаза 3 (25%)
ВыХ2 = Фаза 1 (25%) + Фаза 2 (50%) + Фаза 3 (25%)
ВыХ3 = Фаза 1 (25%) + Фаза 2 (25%) + Фаза 3 (50%)
Т.е. при любом изменении на любой из фаз (ну или перекос) у вас на выходе "сглаженная" картинка.


Процентов чего- вольт, ватт? А что будет, если там на входе 1 станет 245В, на входе 3- 180В, ваш СТ неведомым путем выровняет все к норме? Что это за прибавки в 25 или 50% откуда они берутся?
Можно ФИО этого чудного изделия, т.к. про такое впервые слышу?
Для подобных случаев придуматы и давно стабилизаторы напряжения, одно- и трехфазные: релейные, тиристорные, симисторные, сервоприводные.
В жизни все не так, как на самом деле...
DukaMinimo
Сообщения: 5
Зарегистрирован: 07 ноя 2022, 12:48
Репутация: 0
Контактная информация:

Симметричный трансформатор на входе.

Сообщение DukaMinimo » 10 ноя 2022, 13:11

Симметрирующий трансформатор ТСТ – это устройство, которое уменьшает (устраняет) несимметрию напряжений (перекос фаз) в трёхфазных электрических сетях низкого напряжения (0,4 кВ), а также выравнивает токи нагрузки по фазам. Кроме того, ТСТ снижает несинусоидальность напряжения, увеличивает ток короткого замыкания, повышает пропускную способность линии и уменьшает в ней потери. ТСТ обеспечивает работу при наличии как трехфазной нагрузки с значительной несимметрией токов, так и при питании подключённых к разным фазам сети однофазных нагрузок разной мощности.

Принцип действия ТСТ состоит в выравнивании фазных напряжений путём перераспределения мощности между фазами. При подключении нагрузки к одной из фаз происходит перераспределение мощности этой нагрузки: половина мощности отбирается от той фазы, к которой подключена нагрузка, а от двух других фаз отбирается по одной четвертой части мощности нагрузки. Это создает более равномерное распределение мощности между фазами, что уменьшает разницу между величинами фазных напряжений. Поскольку на практике нагрузки подключены ко всем трём фазам, эффект симметрирования возрастает. Важно отметить, что ТСТ формирует искусственный нулевой провод, который соединяется с нулевым проводом нагрузки.

https://pairon.technology/blogs/blog/tr ... faznye-tst


  • Реклама

Вернуться в «Низковольтное электрооборудование (до 1000В)»

Кто сейчас на конференции

Сейчас этот форум просматривают: нет зарегистрированных пользователей и 3 гостя