Выгорает драйвер шагового двигателя

Выбор, пуск, схемы подключения и соединения обмоток, реверс различных электродвигателей.
Komizjak
Сообщения: 2
Зарегистрирован: 14 окт 2022, 11:52
Репутация: 0
Контактная информация:

Выгорает драйвер шагового двигателя

Сообщение Komizjak » 17 ноя 2022, 16:39

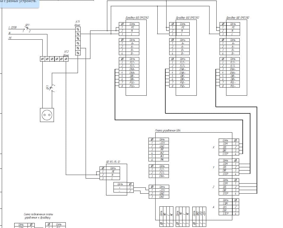
Имеется станок с тремя осями, FL130BYG2503, драйверы Leadshine DM2282, плата коммутации для станка с ЧПУ GB4. Произошла такая ситуация. Хотел подключить 4-ю ось, но новый драйвер выдавал ошибку по току, для продавца записывал видео как все подключено и что ошибки быть не может, так как двигатель 4-ой оси от других драйверов запускался (то есть бракованный драйвер). После всех манипуляций вернул как было, проверил, все работает. На утро фрезеровщик включает станок и вышибает автомат, по итогу один мертвый драйвер, подгорела одна клемма обмотки двигателя, соотвественно сдох ключ.
Подскажите, в чем может быть причина? Схему прилагаю
Вложения
Снимок.JPG
Реклама

  • Реклама

Вернуться в «Электродвигатели переменного и постоянного тока»

Кто сейчас на конференции

Сейчас этот форум просматривают: нет зарегистрированных пользователей и 6 гостей