Провести электричество в гараж.

Вопросы по электромонтажу, не попавшие в основные разделы
Aleksand12
Сообщения: 3
Зарегистрирован: 19 ноя 2022, 20:43
Репутация: 0
Контактная информация:

Провести электричество в гараж.

Сообщение Aleksand12 » 19 ноя 2022, 21:12

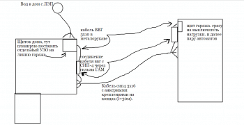
Всем привет. Планирую провести электричество в гараж из дома(частный). Соотвественно электриком не являюсь, перечитал интернет и т.д, короче набросал схему. Подскажите что не так и как лучше будет. Спасибо.
Вложения
Безымянный.png
Реклама
Аватара пользователя
aleksey.RU
Сообщения: 1397
Зарегистрирован: 12 сен 2022, 15:17
Репутация: 137
Откуда: СССР
Контактная информация:

Провести электричество в гараж.

Сообщение aleksey.RU » 19 ноя 2022, 22:21

Aleksand12,
1. Исходя из чего родилось сечение 10мм или 16мм по алюм.?
2. Я правильно понял, что ВВГ+ металлорукав - это прокладка в грунте?
3. Вы знаете, что провис СИП на 30м будет 1-1,5м минимум ?
4. Вы знаете, что УЗО не лучший вариант защиты участка кабеля от дома до гаража?
Хочется услышать ответы на вопросы, прежде чем что то советовать
Тот, кто пытается использовать методы, не зная принципов, обречен на неудачу
Aleksand12
Сообщения: 3
Зарегистрирован: 19 ноя 2022, 20:43
Репутация: 0
Контактная информация:

Провести электричество в гараж.

Сообщение Aleksand12 » 19 ноя 2022, 22:55

aleksey.RU писал(а):Источник цитаты Aleksand12,
1. Исходя из чего родилось сечение 10мм или 16мм по алюм.?
2. Я правильно понял, что ВВГ+ металлорукав - это прокладка в грунте?
3. Вы знаете, что провис СИП на 30м будет 1-1,5м минимум ?
4. Вы знаете, что УЗО не лучший вариант защиты участка кабеля от дома до гаража?
Хочется услышать ответы на вопросы, прежде чем что то советовать

1. Это предварительно, возможно сечение медного будет уменьшено до 6кв а сип меньше не видел (мб не нашёл)
2. По фасаду здания, якобы защита от уф
3. Да, а как лучше будет сделать ? (Хотя там расстояние меньше это с запасом)
4. Что тогда?
Аватара пользователя
aleksey.RU
Сообщения: 1397
Зарегистрирован: 12 сен 2022, 15:17
Репутация: 137
Откуда: СССР
Контактная информация:

Провести электричество в гараж.

Сообщение aleksey.RU » 19 ноя 2022, 23:17

Себе я бы сделал так:
СИП по участку - плохая затея, если участок не в болоте.
1. Большой провис
2. Возможно потребуется промежуточная стойка/опора
3. Мощные концевые крепления для 30м
4. Сосульки, ветер, наледь - всё это не есть плюсы и нужно учитывать в п.3
5. Перегораживает участок, если не поднять высоко - и опять, нафига эта бельевая верёвка на участке - звёзды загораживает :wink:
Предпочтительный вариант в грунт:
1. Кабель ВВГ+труба ПВД
Недостаток ПВД тяжело гнется. Из плюсов, то что кабель легко перетянуть и даже мотоблоком не перебить, герметичность. Кабель не наберет влаги, прослужит лет 50-60 :biggrin:
2. Кабель ВВГ+труба ПНД (оранжевая или чёрная) . Легко затягивать кабель, гибкая и герметичная(если не резать)
3. Кабель АВБбШв 2х10 (2х16 или 3х16). Труба не нужна разработан для прокладки в грунт, бронированный. Броня будет как РЕ проводник. Самая низкая цена при высокой надежности.

Вместо УЗО
1. 2х полюсный Дифавтомат 32-40А 100мА (30мА при кабеле в земле не желательно).
2. 2х пол автомат 40А, а в гараже Диф на 32А/30мА.
Второй вариант предпочтительнее
Тот, кто пытается использовать методы, не зная принципов, обречен на неудачу
Aleksand12
Сообщения: 3
Зарегистрирован: 19 ноя 2022, 20:43
Репутация: 0
Контактная информация:

Провести электричество в гараж.

Сообщение Aleksand12 » 20 ноя 2022, 09:33

aleksey.RU писал(а):Источник цитаты Себе я бы сделал так:
СИП по участку - плохая затея, если участок не в болоте.
1. Большой провис
2. Возможно потребуется промежуточная стойка/опора
3. Мощные концевые крепления для 30м
4. Сосульки, ветер, наледь - всё это не есть плюсы и нужно учитывать в п.3
5. Перегораживает участок, если не поднять высоко - и опять, нафига эта бельевая верёвка на участке - звёзды загораживает :wink:
Предпочтительный вариант в грунт:
1. Кабель ВВГ+труба ПВД
Недостаток ПВД тяжело гнется. Из плюсов, то что кабель легко перетянуть и даже мотоблоком не перебить, герметичность. Кабель не наберет влаги, прослужит лет 50-60 :biggrin:
2. Кабель ВВГ+труба ПНД (оранжевая или чёрная) . Легко затягивать кабель, гибкая и герметичная(если не резать)
3. Кабель АВБбШв 2х10 (2х16 или 3х16). Труба не нужна разработан для прокладки в грунт, бронированный. Броня будет как РЕ проводник. Самая низкая цена при высокой надежности.

Вместо УЗО
1. 2х полюсный Дифавтомат 32-40А 100мА (30мА при кабеле в земле не желательно).
2. 2х пол автомат 40А, а в гараже Диф на 32А/30мА.
Второй вариант предпочтительнее

Спасибо. Буду тогда рассматривать прокладку в земле. По поводу защиты, почему ток утечки 100мА выбирать ?(вроде как используется на промышленных объектах), и если ставить дифф в гараже, как контролировать линию дом-гараж на кз?
Аватара пользователя
aleksey.RU
Сообщения: 1397
Зарегистрирован: 12 сен 2022, 15:17
Репутация: 137
Откуда: СССР
Контактная информация:

Провести электричество в гараж.

Сообщение aleksey.RU » 20 ноя 2022, 09:40

Aleksand12 писал(а):Источник цитаты и если ставить дифф в гараже, как контролировать линию дом-гараж на кз?

aleksey.RU писал(а):Источник цитаты 2. 2х пол автомат 40А, а в гараже Диф на 32А/30мА.

Вроде ж как понятно, что 2х полюсным автоматом 40А
https://www.vseinstrumenti.ru/electrika ... t-ili-uzo/
Тот, кто пытается использовать методы, не зная принципов, обречен на неудачу


  • Реклама

Вернуться в «Прочие вопросы по электромонтажу»

Кто сейчас на конференции

Сейчас этот форум просматривают: нет зарегистрированных пользователей и 15 гостей