Подключение модульного контактора

Выбор и схемы подключения контакторов, пускателей, реле, различных датчиков, кнопок управления, переключателей и т.п.
Стр
Сообщения: 1
Зарегистрирован: 29 ноя 2022, 17:44
Репутация: 0
Контактная информация:

Подключение модульного контактора

Сообщение Стр » 29 ноя 2022, 17:57

Очень прошу совета специалистов!
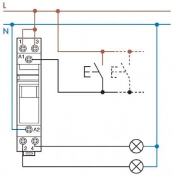
Не могу понять: как правильно подключить нагрузку на контактор KMC-20-20:
Можно-ли через него коммутировать 2 фазных провода с током не более 16А на каждом, как на рисунке 1?
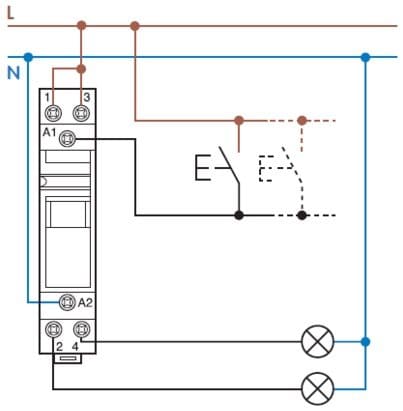
Или можно подключить на 1 пару контактов фазу, а на вторую пару 0, как на рисунке 2?
Вложения
рис1.jpg
рис2.jpg
Реклама
Аватара пользователя
aleksey.RU
Сообщения: 1397
Зарегистрирован: 12 сен 2022, 15:17
Репутация: 137
Откуда: СССР
Контактная информация:

Подключение модульного контактора

Сообщение aleksey.RU » 29 ноя 2022, 19:04

Стр писал(а):Источник цитаты Можно-ли через него коммутировать 2 фазных провода с током не более 16А на каждом, как на рисунке 1?
Или можно подключить на 1 пару контактов фазу, а на вторую пару 0

можно и так и так.
А можно подключить контакты параллельно и получить коммутацию фазного проводника в 32А
Стр писал(а):Источник цитаты как на рисунке 2?

Второй рисунок бред, я имею ввиду схему управления

Имейте ввиду, что эти контакторы не предназначены для коммутации двигателей. У них слабые контакты и то что на ней написано 20А - это для ламп накаливания. Лучше замыкать фазу и контакты в параллель (якобы 40А) но по факту дай Бог 20А
Тот, кто пытается использовать методы, не зная принципов, обречен на неудачу


  • Реклама

Вернуться в «Контакторы, пускатели, реле, датчики, кнопки и т.п.»

Кто сейчас на конференции

Сейчас этот форум просматривают: нет зарегистрированных пользователей и 7 гостей