Разная сила тока на фазах ротора в асинхронном двигателе

Выбор, пуск, схемы подключения и соединения обмоток, реверс различных электродвигателей.
k9k0
Сообщения: 4
Зарегистрирован: 01 дек 2022, 17:44
Репутация: 0
Контактная информация:

Разная сила тока на фазах ротора в асинхронном двигателе

Сообщение k9k0 » 01 дек 2022, 17:54

Здравствуйте.
Недавно устроился на завод электромонтером по мостовым кранам, в общем новичок.
На одном кране тележка стартует только с третьего положения контроллера. Напряжение на двигатель подается нормально: 380. Она ходит свободно если вращать двигатель вручную. Другая тележка работает нормально. При перекидывании сопротивлений местами ничего не меняется. Уже потом при замере тока на фазах ротора выяснилось, что он на одной фазе в разы ниже. Хотя сопротивления одинаковые. На статоре одинаковый ток. В чем может быть причина и где копать? Спасибо)
Последний раз редактировалось k9k0 02 дек 2022, 06:33, всего редактировалось 1 раз.
Реклама
Аватара пользователя
aleksey.RU
Сообщения: 1397
Зарегистрирован: 12 сен 2022, 15:17
Репутация: 137
Откуда: СССР
Контактная информация:

Разная сила тока на фазах ротора в асинхронном двигателе

Сообщение aleksey.RU » 01 дек 2022, 18:08

k9k0 писал(а):Источник цитаты в общем новичок

в копилку - это азбука ремонта и диагностики эл. машин
Гемке Р.Г. Неисправности электрических машин (1989) https://sheba.spb.ru/delo/neisprav-elmash-1989.djvu
k9k0 писал(а):Источник цитаты На одном крану тележка стартует только с третьей скорости.

схемку бы :biggrin:
Тот, кто пытается использовать методы, не зная принципов, обречен на неудачу
k9k0
Сообщения: 4
Зарегистрирован: 01 дек 2022, 17:44
Репутация: 0
Контактная информация:

Разная сила тока на фазах ротора в асинхронном двигателе

Сообщение k9k0 » 01 дек 2022, 18:18

aleksey.RU, Оригинал только завтра могу фото отправить, но там она потрепана
k9k0
Сообщения: 4
Зарегистрирован: 01 дек 2022, 17:44
Репутация: 0
Контактная информация:

Разная сила тока на фазах ротора в асинхронном двигателе

Сообщение k9k0 » 01 дек 2022, 18:23

Еще уточнение. Кранам лет 50, все на пускателях советских. Элетроники нет)
Аватара пользователя
aleksey.RU
Сообщения: 1397
Зарегистрирован: 12 сен 2022, 15:17
Репутация: 137
Откуда: СССР
Контактная информация:

Разная сила тока на фазах ротора в асинхронном двигателе

Сообщение aleksey.RU » 01 дек 2022, 18:27

k9k0 писал(а):Источник цитаты но там она потрепана

я других вообще не видел :biggrin:
Тот, кто пытается использовать методы, не зная принципов, обречен на неудачу
Аватара пользователя
TOPMO3
Сообщения: 4181
Зарегистрирован: 29 фев 2016, 10:37
Репутация: 626
Откуда: Ижевск
Контактная информация:

Разная сила тока на фазах ротора в асинхронном двигателе

Сообщение TOPMO3 » 01 дек 2022, 19:00

aleksey.RU писал(а):Источник цитатысхемку бы :biggrin:
:wink:
Вложения
Файл JPG.jpg
Смеюсь последний ... тормоз однако!
Аватара пользователя
aleksey.RU
Сообщения: 1397
Зарегистрирован: 12 сен 2022, 15:17
Репутация: 137
Откуда: СССР
Контактная информация:

Разная сила тока на фазах ротора в асинхронном двигателе

Сообщение aleksey.RU » 01 дек 2022, 19:02

а вдруг не с фазным?
Тот, кто пытается использовать методы, не зная принципов, обречен на неудачу
Аватара пользователя
TOPMO3
Сообщения: 4181
Зарегистрирован: 29 фев 2016, 10:37
Репутация: 626
Откуда: Ижевск
Контактная информация:

Разная сила тока на фазах ротора в асинхронном двигателе

Сообщение TOPMO3 » 01 дек 2022, 19:10

TOPMO3 писал(а): :wink:
Ход тележки, если память не подводит, так смотрится.
Третья скорость, это оба КУ включены.
Вложения
Файл JPG — копия.jpg
Смеюсь последний ... тормоз однако!
Аватара пользователя
TOPMO3
Сообщения: 4181
Зарегистрирован: 29 фев 2016, 10:37
Репутация: 626
Откуда: Ижевск
Контактная информация:

Разная сила тока на фазах ротора в асинхронном двигателе

Сообщение TOPMO3 » 01 дек 2022, 19:11

aleksey.RU писал(а):Источник цитаты а вдруг не с фазным?
Советские? Не фазные?!!!
:rolf2:
Смеюсь последний ... тормоз однако!
Аватара пользователя
aleksey.RU
Сообщения: 1397
Зарегистрирован: 12 сен 2022, 15:17
Репутация: 137
Откуда: СССР
Контактная информация:

Разная сила тока на фазах ротора в асинхронном двигателе

Сообщение aleksey.RU » 01 дек 2022, 21:59

TOPMO3, не угарайте пжста, я ничему не удивляюсь уже. Взавтря узнаем
Тот, кто пытается использовать методы, не зная принципов, обречен на неудачу
k9k0
Сообщения: 4
Зарегистрирован: 01 дек 2022, 17:44
Репутация: 0
Контактная информация:

Разная сила тока на фазах ротора в асинхронном двигателе

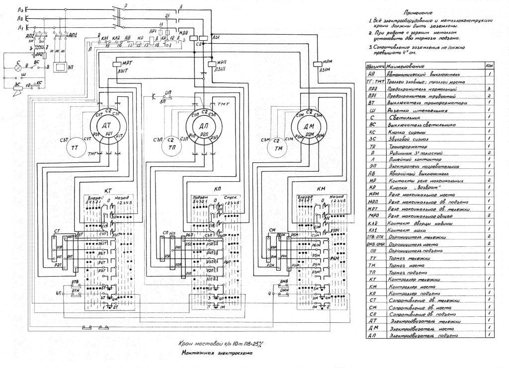
Сообщение k9k0 » 02 дек 2022, 06:19

Вот схема
Вложения
IMG_20221202_080813 (1).jpg
Аватара пользователя
aleksey.RU
Сообщения: 1397
Зарегистрирован: 12 сен 2022, 15:17
Репутация: 137
Откуда: СССР
Контактная информация:

Разная сила тока на фазах ротора в асинхронном двигателе

Сообщение aleksey.RU » 02 дек 2022, 08:59

k9k0 писал(а):Источник цитаты где копать?

k9k0,
1. начните с проверки и чистки силовых контактов всех пускателей. Чистые контакты - залог долгой и правильной работы двигателя.
Когда соберёте контакторы проверьте работу. Если всё заработало, значит проблема была в том, что контакторы не полностью коммутировали резисторы.
2. Если проблема осталась, проверьте очередность срабатывания и замыкания цепей резисторов.
Вертикальные линии с точками показывают в каком положении(скорости) какие контакты должны быть замкнуты.
Если этого не происходит проверяйте подключение силовых проводов и питание катушек (в этот момент) на контакторах

Вот схема другого крана, может чем то поможет или натолкнёт на мысль
Электросхема10.jpg


image_142.gif
Тот, кто пытается использовать методы, не зная принципов, обречен на неудачу


  • Реклама

Вернуться в «Электродвигатели переменного и постоянного тока»

Кто сейчас на конференции

Сейчас этот форум просматривают: нет зарегистрированных пользователей и 15 гостей