Заземление в квартире

Вопросы, связанные с устройством и монтажом заземления и зануления. Системы заземления и системы уравнивания потенциалов (СУП), молниезащита, грозозащита и т.п.
Аватара пользователя
aleksey.RU
Сообщения: 1397
Зарегистрирован: 12 сен 2022, 15:17
Репутация: 137
Откуда: СССР
Контактная информация:

Заземление в квартире

Сообщение aleksey.RU » 10 дек 2022, 12:17

Marsupilami,
Marsupilami писал(а):Источник цитаты По совету электрика из управляющей компании завели 2 жилы в квартиру

не нужно слушать этих электриков.
Специалисты работающие за 25т.р врят ли могут такими называться, разве только это пенсионер
1. Заземление нужно завести в этажный щит и посадить на корпус щита. Главное, что бы не в одно место с нолём. Т.к ноль идет после счетчика и отключается. И в квартирном щитке подключить на шинку заземления
2. Узо 30ма ставится на группы, а не на всю квартиру. При утечке отрубится вся квартира, а не отдельная не исправная группа
3. Проводка то хоть 3х проводная или тоже два провода?
Тот, кто пытается использовать методы, не зная принципов, обречен на неудачу
Реклама
Аватара пользователя
aleksey.RU
Сообщения: 1397
Зарегистрирован: 12 сен 2022, 15:17
Репутация: 137
Откуда: СССР
Контактная информация:

Заземление в квартире

Сообщение aleksey.RU » 10 дек 2022, 12:25

Marsupilami писал(а):Источник цитаты Автомат С63 (L+N) → Счетчик → УЗО 63А 30мА (L+N)

shema-electricheskogo-shcitka-dlya-trehfaznoj-seti.jpg

Хотя бы как то так
Тот, кто пытается использовать методы, не зная принципов, обречен на неудачу
Аватара пользователя
TOPMO3
Сообщения: 4181
Зарегистрирован: 29 фев 2016, 10:37
Репутация: 626
Откуда: Ижевск
Контактная информация:

Заземление в квартире

Сообщение TOPMO3 » 10 дек 2022, 21:21

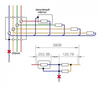
Marsupilami, Вам, в первую очередь, надо ремонтировать стиралку, а не пытаться "сбросить" имеющееся напряжение на корпусе в "нуль".
Marsupilami писал(а):Источник цитаты Машинка то работает, но бьет током при касании полотенчика и корпуса машинки, или ванны и корпуса машинки. Берем мультиметр, 1 щуп на корпус, 2-ой щуп на стояк. Итог - 110В, а если прикрепить провод к корпусу и касаться им стояка - аж искрит.
При всем этом - дифф. не выбивает.
Проверьте дифавтомат ... определите, в розетке, нулевой контакт и отдельным проводом замкните (кратковременно) на полотенцесушилку (коли, Вы, уже знаете, что он имеет связь с "землей") ... диф обязан отработать.
Заодно, мультиметром, проверьте напряжение ... между "нулем" розетки и стояком.
Проверьте, не меняется ли ситуация, если развернуть вилку в розетке.
-------------------------
Если Вы, произведете зануление от корпуса подъездного щитка, то должны понимать, что это запрещено в многоквартирных домах ... так как появляется риск безопасности для человека и оборудованию, при обрыве линии общего нуля в стояке, ниже Вашего этажа.
В МКД защитная линия, должна быть организована на вводе в здание.
Вложения
1.jpg
Смеюсь последний ... тормоз однако!
Аватара пользователя
TOPMO3
Сообщения: 4181
Зарегистрирован: 29 фев 2016, 10:37
Репутация: 626
Откуда: Ижевск
Контактная информация:

Заземление в квартире

Сообщение TOPMO3 » 10 дек 2022, 21:32

aleksey.RU писал(а):Источник цитаты Заземление нужно завести в этажный щит и посадить на корпус щита.
Это будет не заземление ... я бы не стал, давать такие советы, не видя, воочию, состояние электро-стояка и ВРУ.
aleksey.RU писал(а):Источник цитаты Заземление нужно завести в этажный щит и посадить на корпус щита. Главное, что бы не в одно место с нолём. Т.к ноль идет после счетчика и отключается.
Гм ... какая связь?
Смеюсь последний ... тормоз однако!
Аватара пользователя
aleksey.RU
Сообщения: 1397
Зарегистрирован: 12 сен 2022, 15:17
Репутация: 137
Откуда: СССР
Контактная информация:

Заземление в квартире

Сообщение aleksey.RU » 11 дек 2022, 00:35

TOPMO3 писал(а):Источник цитаты Это будет не заземление ... я бы не стал, давать такие советы, не видя, воочию, состояние электро-стояка и ВРУ.

Заземление, зануление, выравнивание потенциалов - в данном случае это не имеет никакого значения, потому, что этажный щит единственное место, куда можно подключить 3й провод. Ну не на отопление же :biggrin:
Состояние электрощитка как раз это и учитывает, потому, что состояние стояков ВСЕГДА лучше, чем разводка по счётчикам квартир.
TOPMO3 писал(а):Источник цитаты Гм ... какая связь?

Прямая - Исключается коммутация. Зануление щита ВСЕГДА прямое с стояка. Если сажать на нулевую щинку, то получаем Подожженый пакетник - счетчик -и гнилую нулевую шину
Тот, кто пытается использовать методы, не зная принципов, обречен на неудачу
Аватара пользователя
aleksey.RU
Сообщения: 1397
Зарегистрирован: 12 сен 2022, 15:17
Репутация: 137
Откуда: СССР
Контактная информация:

Заземление в квартире

Сообщение aleksey.RU » 11 дек 2022, 00:51

TOPMO3 писал(а):Источник цитаты Если Вы, произведете зануление от корпуса подъездного щитка, то должны понимать, что это запрещено в многоквартирных домах ... так как появляется риск безопасности для человека и оборудованию, при обрыве линии общего нуля в стояке, ниже Вашего этажа.
В МКД защитная линия, должна быть организована на вводе в здание.

Да. НОО, провода от щита до квартиры по путям эвакуации, тоже ЗАПРЕЩЕНО прокладывать, тем более самостоятельно, не имея лицензии и проекта!
Если уж ноль отгорит :biggrin: у людей будут другие проблемы, например покупать новые телевизоры, стиралки, холодильники.....
Я люблю порядок, но в домах которым 40-60 лет, можно ждать новую проводку ещё 40-60 лет, тем более сейчас всё для ... всё для ...
Тот, кто пытается использовать методы, не зная принципов, обречен на неудачу
Аватара пользователя
TOPMO3
Сообщения: 4181
Зарегистрирован: 29 фев 2016, 10:37
Репутация: 626
Откуда: Ижевск
Контактная информация:

Заземление в квартире

Сообщение TOPMO3 » 11 дек 2022, 17:10

TOPMO3 писал(а):Источник цитатыПроверьте, не меняется ли ситуация, если развернуть вилку в розетке.
Marsupilami писал(а):Источник цитатыСитуация не меняется
Проверьте у себя ... в старых домах, в ванных из стены или пола, под самой ванной, обычно торчит стальная лента, которую прикручивали к чугунной ванне ...
Если найдете, значит Вам повезло, подключайте корпус стиралки к этой ленте.
Если не найдете ... имеет смысл, вскрыть стиралку и отключить от корпуса сетевой фильтр ... на работоспособность машины это не влияет.
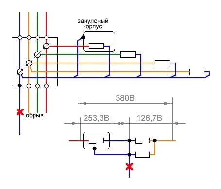
TOPMO3 писал(а):Источник цитаты Если Вы, произведете зануление от корпуса подъездного щитка, то должны понимать, что это запрещено в многоквартирных домах ... так как появляется риск безопасности для человека и оборудованию, при обрыве линии общего нуля в стояке, ниже Вашего этажа.
В МКД защитная линия, должна быть организована на вводе в здание.
aleksey.RU писал(а):Источник цитатыЕсли уж ноль отгорит :biggrin: у людей будут другие проблемы, например покупать новые телевизоры, стиралки, холодильники.....
Главная проблема, не сгоревшее оборудование, а появление на корпусе зануленной стиралки опасного напряжения, непредсказуемой величины.
Вложения
1.jpg
Смеюсь последний ... тормоз однако!
Аватара пользователя
aleksey.RU
Сообщения: 1397
Зарегистрирован: 12 сен 2022, 15:17
Репутация: 137
Откуда: СССР
Контактная информация:

Заземление в квартире

Сообщение aleksey.RU » 11 дек 2022, 18:13

TOPMO3 писал(а):Источник цитаты Главная проблема

Ваши предложения
Тот, кто пытается использовать методы, не зная принципов, обречен на неудачу
Аватара пользователя
TOPMO3
Сообщения: 4181
Зарегистрирован: 29 фев 2016, 10:37
Репутация: 626
Откуда: Ижевск
Контактная информация:

Заземление в квартире

Сообщение TOPMO3 » 11 дек 2022, 18:20

aleksey.RU писал(а):Источник цитаты
TOPMO3 писал(а):Источник цитаты Главная проблема
Ваши предложения
Дык ... я же выше писал уже.
Нормативы запрещают, в МКД, делать, в отдельно взятой квартире, систему TN-C-S ... только сообща, на весь подъезд, т.е. или ждать капиталку, или (если четыре провода в стояке нормальные) - тянуть пятый.
Как временное (до реконструкции), рекомендуется устанавливать дифзащиту (т.е. отработка через человека) и ставить РН. :pardon:
Смеюсь последний ... тормоз однако!
Аватара пользователя
TOPMO3
Сообщения: 4181
Зарегистрирован: 29 фев 2016, 10:37
Репутация: 626
Откуда: Ижевск
Контактная информация:

Заземление в квартире

Сообщение TOPMO3 » 11 дек 2022, 19:14

Marsupilami, Проверьте у себя под ванной ... в старых домах, в ванных из стены или пола, под самой ванной, обычно торчит стальная лента, которую прикручивали к чугунной ванне ... Если найдете, значит Вам повезло, подключайте корпус стиралки к этой ленте.
Если не найдете ... имеет смысл, вскрыть стиралку и отключить от корпуса сетевой фильтр ... на работоспособность машины это не влияет.
Смеюсь последний ... тормоз однако!
Аватара пользователя
aleksey.RU
Сообщения: 1397
Зарегистрирован: 12 сен 2022, 15:17
Репутация: 137
Откуда: СССР
Контактная информация:

Заземление в квартире

Сообщение aleksey.RU » 11 дек 2022, 19:20

TOPMO3 писал(а):Источник цитаты прикручивали к чугунной ванне ... Если найдете, значит Вам повезло, подключайте корпус стиралки к этой ленте

Аха, а соседи стояки поменяли на пластик :biggrin: - знатно попу будет щикотать
Тот, кто пытается использовать методы, не зная принципов, обречен на неудачу
Аватара пользователя
TOPMO3
Сообщения: 4181
Зарегистрирован: 29 фев 2016, 10:37
Репутация: 626
Откуда: Ижевск
Контактная информация:

Заземление в квартире

Сообщение TOPMO3 » 11 дек 2022, 19:25

aleksey.RU писал(а):Источник цитаты
TOPMO3 писал(а):Источник цитаты прикручивали к чугунной ванне ... Если найдете, значит Вам повезло, подключайте корпус стиралки к этой ленте

Аха, а соседи стояки поменяли на пластик :biggrin: - знатно попу будет щикотать
На пластик искрить не стало бы, я так понимаю ... в первом посту описано. :yes:
Смеюсь последний ... тормоз однако!
Аватара пользователя
aleksey.RU
Сообщения: 1397
Зарегистрирован: 12 сен 2022, 15:17
Репутация: 137
Откуда: СССР
Контактная информация:

Заземление в квартире

Сообщение aleksey.RU » 11 дек 2022, 19:33

TOPMO3 писал(а):Источник цитаты На пластик искрить не стало бы

Это называется мина замедленного действия. Ну да мне пох, я уже сказал, хоть на газовую трубу
TOPMO3 писал(а):Источник цитаты Нормативы запрещают

№... и название? для моего развития и в мою копилочку
Тот, кто пытается использовать методы, не зная принципов, обречен на неудачу
Аватара пользователя
TOPMO3
Сообщения: 4181
Зарегистрирован: 29 фев 2016, 10:37
Репутация: 626
Откуда: Ижевск
Контактная информация:

Заземление в квартире

Сообщение TOPMO3 » 11 дек 2022, 19:45

aleksey.RU, поищу ...
Смеюсь последний ... тормоз однако!
Аватара пользователя
TOPMO3
Сообщения: 4181
Зарегистрирован: 29 фев 2016, 10:37
Репутация: 626
Откуда: Ижевск
Контактная информация:

Заземление в квартире

Сообщение TOPMO3 » 11 дек 2022, 23:17

TOPMO3 писал(а):Источник цитаты Нормативы запрещают
aleksey.RU писал(а):Источник цитаты№... и название? для моего развития и в мою копилочку
TOPMO3 писал(а):Источник цитаты aleksey.RU, поищу ...
ПУЭ 7 писал(а):7.1.13. Питание электроприемников должно выполняться от сети 380/220 В с системой заземления TN-S или TN-C-S.
При реконструкции жилых и общественных зданий, имеющих напряжение сети 220/127 В или 3 х 220 В, следует предусматривать перевод сети на напряжение 380/220 В с системой заземления TN-S или TN-C-S.
ГОСТ Р 50571.1-2009 писал(а):п.312.2.1.1 Системы с одним источником питания
....
- система TN-C-S, в которой нейтральная и защитная функции объединены в одном проводнике в
части системы (см. рисунки 31В1, 31В2 и 31ВЗ). В электроустановках жилых и общественных зданий,
торговых предприятий, медицинских учреждений запрещено применять PEN-проводники. PEN-проводник
распределительной сети должен быть разделен на нейтральный и защитный проводники на вводе
электроустановки
(см. рисунки 31В2 и 31 ВЗ);
ПУЭ 7 писал(а):п. 7.1.21. При питании однофазных потребителей зданий от многофазной распределительной сети допускается для разных групп однофазных потребителей иметь общие N и РЕ проводники (пятипроводная сеть), проложенные непосредственно от ВРУ, объединение N и РЕ проводников (четырехпроводная сеть с PEN проводником) не допускается.
Смеюсь последний ... тормоз однако!
Аватара пользователя
aleksey.RU
Сообщения: 1397
Зарегистрирован: 12 сен 2022, 15:17
Репутация: 137
Откуда: СССР
Контактная информация:

Заземление в квартире

Сообщение aleksey.RU » 11 дек 2022, 23:49

TOPMO3 писал(а):Источник цитаты следует предусматривать перевод сети на напряжение 380/220 В с системой заземления TN-S или TN-C-S

В данном случае переход реализуется в этажном щите. Стояком и ВРУ пусть занимаются ЖЭКи
TOPMO3 писал(а):Источник цитаты ГОСТ Р 50571.1-2009 писал(а):

Касается вновь вводимого и реконструируемого. ВРУ и стояки мы не трогали, там так и остался TN-C.
Интересно, а как заземление электроплит организовано в старых домах?
TOPMO3 писал(а):Источник цитаты п. 7.1.21.

Тут безспорно, НО... обязанности по капремонту эл.хозяйства, а так же все вытекающие и сопутствующие по протяжке по стоякам, подвалам и щитовым...
Ждем, когда госуслуги отобьют наши бабки на капремонт.
Только вот заземляться на водопровод, отопление и газопровод - большая ошибка.
Мы сосвоей стороны нашу сторону ПУЭ выполнили, другую часть пусть выполняют госуслуги
А так я уже писал, можно спокойно всех штрафовать за самовольную прокладку кабеля до этажного щита
Понятно штА это не выход и не правильно, но другого выхода пока нет.
Оставлять не подключенным РЕ провод тоже не дело. Нужно помнить, что у нас микроволновки, у которых сетка экрана сидит на заземлении и ПК с излучением от процессора, который тоже стоит м/у ног. Их нужно заземлять, а мы пока, хоть занулим
Тот, кто пытается использовать методы, не зная принципов, обречен на неудачу
ПАВ
Сообщения: 7647
Зарегистрирован: 13 авг 2015, 19:54
Репутация: 923
Откуда: Одесса
Контактная информация:

Заземление в квартире

Сообщение ПАВ » 12 дек 2022, 09:21

aleksey.RU писал(а):Источник цитаты Только вот заземляться на водопровод, отопление и газопровод - большая ошибка.

Это не ошибка, это смертовбивство иногда, и серьезное. К газу- особенно.
В жизни все не так, как на самом деле...
Аватара пользователя
TOPMO3
Сообщения: 4181
Зарегистрирован: 29 фев 2016, 10:37
Репутация: 626
Откуда: Ижевск
Контактная информация:

Заземление в квартире

Сообщение TOPMO3 » 12 дек 2022, 09:41

aleksey.RU, Вы так и не поняли ... зануляясь от этажного щитка и в случае обрыва (или пропажи контакта) нуля в стояке, хозяин получает на всех токопроводящих корпусах, опасное для жизни, напряжение ... я же выложил картинку, объясняющую, как такое может произойти!
Пожалуйста, не советуйте людям, такие вещи!
Смеюсь последний ... тормоз однако!
Аватара пользователя
aleksey.RU
Сообщения: 1397
Зарегистрирован: 12 сен 2022, 15:17
Репутация: 137
Откуда: СССР
Контактная информация:

Заземление в квартире

Сообщение aleksey.RU » 12 дек 2022, 09:52

TOPMO3, Это я понял.
Ваше решение? На котором, мы остановимся Кроме цеплять на ванну И тянуть кабель от ВРУ
С учетом того, что
aleksey.RU писал(а):Источник цитаты Оставлять не подключенным РЕ провод тоже не дело. Нужно помнить, что у нас микроволновки, у которых сетка экрана сидит на заземлении и ПК с излучением от процессора, который тоже стоит м/у ног

Это не сарказм, это серьёзный вопрос
И учтите, что в старых домах примерно 20-30% в квартирах сделана новая проводка. Вопрос актуален
aleksey.RU писал(а):Источник цитаты Интересно, а как заземление электроплит организовано в старых домах?

ТОРМОЗ, Вы тоже не ответили. Был ли 5-й провод стояка
Тот, кто пытается использовать методы, не зная принципов, обречен на неудачу
ПАВ
Сообщения: 7647
Зарегистрирован: 13 авг 2015, 19:54
Репутация: 923
Откуда: Одесса
Контактная информация:

Заземление в квартире

Сообщение ПАВ » 12 дек 2022, 10:26

aleksey.RU писал(а):Источник цитаты Источник цитаты Интересно, а как заземление электроплит организовано в старых домах?

Я уже как-то выкладывал фото щитка в доме 84-го года, а более ранних не встречал, с эл-плитами. Ну, разве что какая-то малосерийная крутизна. До этого и в 16-тиэтажках был газ, затем почему-то отказались.
В этих домах от домового ВРУ 3 провода и земля/ноль бежали к этажным РЩ, где все металлические части были связаны сваркой с землей ВРУ. Там же организовывали ноль для освещения и розеток квартир чере ВН и АВ, а для э-плит тянули отдельный провод, неотключаемый, сечением 6 мм. кв.
Ванна, чугуниевая, соединялась шинкой со стояком ХВС и все, с общей землей связи не было. Правда, со временем ржа свое делала и контакт был условный.
Найду схему- нарисую.
Вложения
схема подъездного_щитка.jpg
В жизни все не так, как на самом деле...


  • Реклама

Вернуться в «Заземление и молниезащита»

Кто сейчас на конференции

Сейчас этот форум просматривают: нет зарегистрированных пользователей и 10 гостей