Lapoch писал(а):Источник цитаты Как это объяснить? В чем проблема где искать?
Lapoch писал(а):Источник цитаты Как это объяснить?
Lapoch писал(а):Источник цитаты В чем проблема где искать?
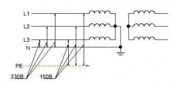
Первая мысль - "это не может быть" ... но может быть наоборот.Lapoch писал(а):Источник цитаты Измерения дают L123- N kаждая 150вольт
L123- PE ( земля) - 230v
TOPMO3 писал(а):Источник цитаты Первая мысль -
Еще одно предположение:TOPMO3 писал(а):Источник цитатыМогу предположить, что у Вас перепутаны местами нуль с землей,Lapoch писал(а):Источник цитаты Измерения дают L123- N kаждая 150вольт L123- PE ( земля) - 230v

Lapoch писал(а):Источник цитаты Некоторые тупые арогантные гниды могут в любом форуме тупо какашить
зачем ты шел на эту работу? Если твоих знаний хватает только вкручивать лампочки.Lapoch писал(а):Источник цитаты арогантные гниды
Lapoch писал(а):Источник цитаты Всё становится на свои места. А ужЪ ежели не стало, ну всмысле, на места
С схемой на форум
Ну или
Некоторые тупые арогантные гниды могут в любом форуме тупо какашить
ПАВ писал(а):Источник цитаты Резюме 1- ни одно доброе дело не остается безнаказанным.
резюме 2- кто людям помогает - тот тратит время зря?

ПАВ писал(а):Источник цитаты Реагировать на всякий ГАФФ?
Вернуться в «Провода и кабели»
Сейчас этот форум просматривают: нет зарегистрированных пользователей и 15 гостей