Торможение электродвигателя

Выбор, пуск, схемы подключения и соединения обмоток, реверс различных электродвигателей.
Аватара пользователя
dmi8989
Сообщения: 30
Зарегистрирован: 26 янв 2023, 16:16
Репутация: 2
Контактная информация:

Торможение электродвигателя

Сообщение dmi8989 » 26 янв 2023, 22:00

Всем доброго дня. Нужен совет спецов. Имеется центрифуга для отжима белья , профессиональная. Тормоз ручной механический сгнил. Асинхронный ЭД примерно 3 кВт. Есть мысль применить динамическое торможение постоянным током. Как рассчитать потребный постоянный ток в обмотке ?
Реклама
Аватара пользователя
aleksey.RU
Сообщения: 1397
Зарегистрирован: 12 сен 2022, 15:17
Репутация: 137
Откуда: СССР
Контактная информация:

Торможение электродвигателя

Сообщение aleksey.RU » 26 янв 2023, 22:25

dmi8989, почитайте Типовые расчёты по электрооборудованию. Дьяков В.И.
Тот, кто пытается использовать методы, не зная принципов, обречен на неудачу
Аватара пользователя
dmi8989
Сообщения: 30
Зарегистрирован: 26 янв 2023, 16:16
Репутация: 2
Контактная информация:

Торможение электродвигателя

Сообщение dmi8989 » 26 янв 2023, 22:51

Благодарю !
Аватара пользователя
dmi8989
Сообщения: 30
Зарегистрирован: 26 янв 2023, 16:16
Репутация: 2
Контактная информация:

Торможение электродвигателя

Сообщение dmi8989 » 26 янв 2023, 23:21

Правильно ли я понимаю , что желательно , чтоб ток торможения был не больше номинального тока ЭД (для сохранности обмоток и механической части) ?
Аватара пользователя
aleksey.RU
Сообщения: 1397
Зарегистрирован: 12 сен 2022, 15:17
Репутация: 137
Откуда: СССР
Контактная информация:

Торможение электродвигателя

Сообщение aleksey.RU » 27 янв 2023, 07:51

dmi8989 писал(а):Источник цитаты Правильно ли я понимаю

К сожалению мне добавить нечего. Попробуйте найти старые книги по электроприводу, может ещё что то ТОРМОЗ (участник форума) добавит.
Тот, кто пытается использовать методы, не зная принципов, обречен на неудачу
Аватара пользователя
TOPMO3
Сообщения: 4181
Зарегистрирован: 29 фев 2016, 10:37
Репутация: 626
Откуда: Ижевск
Контактная информация:

Торможение электродвигателя

Сообщение TOPMO3 » 27 янв 2023, 09:41

dmi8989 писал(а):Источник цитаты Правильно ли я понимаю , что желательно , чтоб ток торможения был не больше номинального тока ЭД (для сохранности обмоток и механической части) ?
Не правильно рассуждаете.
Обмотки - это индуктивности, номинальный ток двигателя - это переменный ток, который "перебарывает" индуктивное сопротивление обмотки.
Вам надо выяснить сечение провода, которым намотаны обмотки ... и исходя из этого сечения выяснять требуемый ток (постоянка).
Смеюсь последний ... тормоз однако!
Аватара пользователя
dmi8989
Сообщения: 30
Зарегистрирован: 26 янв 2023, 16:16
Репутация: 2
Контактная информация:

Торможение электродвигателя

Сообщение dmi8989 » 27 янв 2023, 09:53

Спасибо !
Аватара пользователя
TOPMO3
Сообщения: 4181
Зарегистрирован: 29 фев 2016, 10:37
Репутация: 626
Откуда: Ижевск
Контактная информация:

Торможение электродвигателя

Сообщение TOPMO3 » 27 янв 2023, 17:45

dmi8989 писал(а):Источник цитаты Спасибо !
Рано благодарите ... тута подумал и пришел к выводу, что в принципе Вы правы, номинальный ток - он и в африках номинальный, т.е. обмотка его терпит.
Просто учитывайте, что этот ток (переменный) появляется при прикладывании 380 вольт к концам двух обмоток, значит Вам надо измерив тестером сопротивление этих двух обмоток (включенных последовательно) подавать примерно такой же величины ток от блока питания (например БП для зарядки авто_аккумуляторов) ... не мешало бы иметь возможность регулировки тока.
Вложения
1.jpg
Смеюсь последний ... тормоз однако!
ПАВ
Сообщения: 7647
Зарегистрирован: 13 авг 2015, 19:54
Репутация: 923
Откуда: Одесса
Контактная информация:

Торможение электродвигателя

Сообщение ПАВ » 27 янв 2023, 19:10

Во многих станках торможение ротора мотора, и довольно эффективное, производится подачей на обмотку/ки вульгарных 24 вольта с вульгарного мостового выпрямителя. Станок 1И-611п- мотор 3 кВт, и все те же 24 вольта.
В жизни все не так, как на самом деле...
Аватара пользователя
dmi8989
Сообщения: 30
Зарегистрирован: 26 янв 2023, 16:16
Репутация: 2
Контактная информация:

Торможение электродвигателя

Сообщение dmi8989 » 27 янв 2023, 20:03

Однако сомнения не покидают. 1 ампер переменного тока и 1 ампер постоянного - для обмотки это тождественно ?
Аватара пользователя
dmi8989
Сообщения: 30
Зарегистрирован: 26 янв 2023, 16:16
Репутация: 2
Контактная информация:

Торможение электродвигателя

Сообщение dmi8989 » 27 янв 2023, 20:06

Буду экспериментировать , ибо быстро тормозить нельзя - момент инерции большой - 25 кг белья плюс 50-70 кг барабан. Спасибо за то ,что отозвались и помогли советами !
ПАВ
Сообщения: 7647
Зарегистрирован: 13 авг 2015, 19:54
Репутация: 923
Откуда: Одесса
Контактная информация:

Торможение электродвигателя

Сообщение ПАВ » 27 янв 2023, 20:24

dmi8989 писал(а):Источник цитаты Однако сомнения не покидают. 1 ампер переменного тока и 1 ампер постоянного - для обмотки это тождественно ?

Все упирается в его величество ВРЕМЯ- процесс торможения короткий, так устроено конструкцией. А так, по сути- вопрос правильный, на 5+.
Ясно дело- инерция токарного патрона диаметром пусть даже 400 мм меньше, чем у вашего барабана, поэтому пробуйте.
Как работает в станках, можно поискать в тырнете, схемы есть, тамярко видится выпрямитель и прочее после него.
В жизни все не так, как на самом деле...
Аватара пользователя
dmi8989
Сообщения: 30
Зарегистрирован: 26 янв 2023, 16:16
Репутация: 2
Контактная информация:

Торможение электродвигателя

Сообщение dmi8989 » 27 янв 2023, 20:29

Надеюсь подобрать ток торможения такой , чтоб без экстрима тормозился , плавненько , и был не более номинального.
Аватара пользователя
TOPMO3
Сообщения: 4181
Зарегистрирован: 29 фев 2016, 10:37
Репутация: 626
Откуда: Ижевск
Контактная информация:

Торможение электродвигателя

Сообщение TOPMO3 » 27 янв 2023, 23:57

dmi8989 писал(а):Источник цитаты Однако сомнения не покидают. 1 ампер переменного тока и 1 ампер постоянного - для обмотки это тождественно ?
Да. Проводу без разницы переменный или постоянный ток.
Смеюсь последний ... тормоз однако!
ПАВ
Сообщения: 7647
Зарегистрирован: 13 авг 2015, 19:54
Репутация: 923
Откуда: Одесса
Контактная информация:

Торможение электродвигателя

Сообщение ПАВ » 28 янв 2023, 08:21

Не совсем, одно дело- реактивное сопротивление, другое- активное. Таки немного разные.
В жизни все не так, как на самом деле...
Аватара пользователя
TOPMO3
Сообщения: 4181
Зарегистрирован: 29 фев 2016, 10:37
Репутация: 626
Откуда: Ижевск
Контактная информация:

Торможение электродвигателя

Сообщение TOPMO3 » 28 янв 2023, 11:50

ПАВ писал(а):Источник цитаты Не совсем, одно дело- реактивное сопротивление, другое- активное. Таки немного разные.
Сопротивления разные, поэтому и напряжение разные, чтобы ток был одинаков ... Iном. = XL*п*L = U/R.
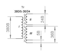
Нам неизвестны ни мощность ни номинальный ток ... поэтому возьмем для примера АС 4MTКF(H)112L6
R = r1*2 = 2,97*2 = 5,94 (Om) -> Uторм. = R* Iн = 5,94(Ом) * 6,8(А) = 40,392(В) -> Р = Uторм.* Iн = 40,392*6,8 = 274,6656(Вт)
Вывод - можно применить однофазный трансформатор серии ОСМ или ОСМ1 ... например ОСМ1-0,25 У3 380/5-36/24.
С такого трансформатора, комбинируя вторичные выводы, можно получить не меньше трех разных напряжения.
Вложения
aа.jpg
aа.jpg (10.37 КБ) 1055 просмотров
а.JPG
Смеюсь последний ... тормоз однако!
Аватара пользователя
dmi8989
Сообщения: 30
Зарегистрирован: 26 янв 2023, 16:16
Репутация: 2
Контактная информация:

Торможение электродвигателя

Сообщение dmi8989 » 28 янв 2023, 12:01

Уважаемый ТОРМОЗ , в точку ! Закон Джоуля-Ленца одинаково работает и для переменного и постоянного тока. А вот зависимость тока в обмотке от того постоянный он или переменный : "...Сопротивления разные, поэтому и напряжение разные, чтобы ток был одинаков".
Провел эксперимент на коленке. Однофазное точило на 400 Вт и ток примерно 1,9 А. Для торможения подал напряжение 15 В и получил те же 2 А и быструю остановку. Всем спасибо !
Аватара пользователя
aleksey.RU
Сообщения: 1397
Зарегистрирован: 12 сен 2022, 15:17
Репутация: 137
Откуда: СССР
Контактная информация:

Торможение электродвигателя

Сообщение aleksey.RU » 28 янв 2023, 12:11

dmi8989, будьте бдительны. При резком торможении откручиваются гайки на валу
Тот, кто пытается использовать методы, не зная принципов, обречен на неудачу
Аватара пользователя
dmi8989
Сообщения: 30
Зарегистрирован: 26 янв 2023, 16:16
Репутация: 2
Контактная информация:

Торможение электродвигателя

Сообщение dmi8989 » 28 янв 2023, 12:24

Да , спасибо , учту. Ибо масса велика , и рвать ремни , скрутить вал или слизать шпонки в планы не входит.


  • Реклама

Вернуться в «Электродвигатели переменного и постоянного тока»

Кто сейчас на конференции

Сейчас этот форум просматривают: нет зарегистрированных пользователей и 15 гостей