Эл. Двигатель ПЛ062УХЛ4

Выбор, пуск, схемы подключения и соединения обмоток, реверс различных электродвигателей.
Strix999
Сообщения: 11
Зарегистрирован: 09 фев 2023, 07:12
Репутация: 0
Контактная информация:

Эл. Двигатель ПЛ062УХЛ4

Сообщение Strix999 » 09 фев 2023, 07:53

Помогите разобраться какой куда провод.... Их выходит 3... Перемычка ещё имеется
На 2проводах запускается, а третий зачем?
С концов Я1и Ш1 пускается и вращается по стрелке... Но мне кажется обороты оч большие
Вложения
IMG-20230209-WA0007.jpg
20230209_141740.jpg
Реклама
ПАВ
Сообщения: 7647
Зарегистрирован: 13 авг 2015, 19:54
Репутация: 923
Откуда: Одесса
Контактная информация:

Эл. Двигатель ПЛ062УХЛ4

Сообщение ПАВ » 09 фев 2023, 08:36

На каких двух? Какое напряжение подаете- постоянное, переменное?
По сути- коллекторный дв-ль 220 вольт пост. тока с выводами щеток(Я) и статора (Ш) с возможностью включение их или параллельно, или последовательно. При этом меняется ток, и рабочее напряжение, и момент на валу. К сожалению, в сети очень мало данных о нем.
В жизни все не так, как на самом деле...
Аватара пользователя
aleksey.RU
Сообщения: 1397
Зарегистрирован: 12 сен 2022, 15:17
Репутация: 137
Откуда: СССР
Контактная информация:

Эл. Двигатель ПЛ062УХЛ4

Сообщение aleksey.RU » 09 фев 2023, 08:56

Тот, кто пытается использовать методы, не зная принципов, обречен на неудачу
Аватара пользователя
aleksey.RU
Сообщения: 1397
Зарегистрирован: 12 сен 2022, 15:17
Репутация: 137
Откуда: СССР
Контактная информация:

Эл. Двигатель ПЛ062УХЛ4

Сообщение aleksey.RU » 09 фев 2023, 08:59

Если в Гугл вбить https://www.google.com/search?q=%D0%BF% ... 62+%D1%834
То выскакивает минимум три форума, где с 2013года облизали несколько модификаций двигателя.
Но этож нужно читать, ...., и думать, проще спросить ещё раз
Тот, кто пытается использовать методы, не зная принципов, обречен на неудачу
ПАВ
Сообщения: 7647
Зарегистрирован: 13 авг 2015, 19:54
Репутация: 923
Откуда: Одесса
Контактная информация:

Эл. Двигатель ПЛ062УХЛ4

Сообщение ПАВ » 09 фев 2023, 09:01

У меня не открывается, но если речь про стенд для студиозусов, то там скудно про мотор, как вид нагрузки, тем не менее- ярко выраженный коллекторник, я тАк думаю! :yes: Угадал, угадал, угадал!!! :flag: Это я про ссылку.
В жизни все не так, как на самом деле...
Strix999
Сообщения: 11
Зарегистрирован: 09 фев 2023, 07:12
Репутация: 0
Контактная информация:

Эл. Двигатель ПЛ062УХЛ4

Сообщение Strix999 » 09 фев 2023, 09:01

С двух указанных стрелками... Подаю переменное... Вообще не понимаю что да как. Вот достался как на фото...
Одна перемычка между Ш1 и Я2. По факту три вывода Я1 и Ш1 подаю 220... Раскручивается есть небольшое искренние щёток, а третий провод Ш2 зачем?
Аватара пользователя
aleksey.RU
Сообщения: 1397
Зарегистрирован: 12 сен 2022, 15:17
Репутация: 137
Откуда: СССР
Контактная информация:

Эл. Двигатель ПЛ062УХЛ4

Сообщение aleksey.RU » 09 фев 2023, 09:05

Strix999 писал(а):Источник цитаты зачем?

потому, что, отличается от мотора для детских игрушек
Снимок.JPG
Снимок.JPG (17.52 КБ) 1939 просмотров
Тот, кто пытается использовать методы, не зная принципов, обречен на неудачу
Аватара пользователя
aleksey.RU
Сообщения: 1397
Зарегистрирован: 12 сен 2022, 15:17
Репутация: 137
Откуда: СССР
Контактная информация:

Эл. Двигатель ПЛ062УХЛ4

Сообщение aleksey.RU » 09 фев 2023, 09:06

Тот, кто пытается использовать методы, не зная принципов, обречен на неудачу
Strix999
Сообщения: 11
Зарегистрирован: 09 фев 2023, 07:12
Репутация: 0
Контактная информация:

Эл. Двигатель ПЛ062УХЛ4

Сообщение Strix999 » 09 фев 2023, 09:06

aleksey.RU, не понимаю в схемах вообще, очень информативно и интересно... Но просто скажите на какие кончики подсоединять и зачем там три провода и одна перемычка?
Как правильно подсоединить напишите по обозначениям пожалуйста
ПАВ
Сообщения: 7647
Зарегистрирован: 13 авг 2015, 19:54
Репутация: 923
Откуда: Одесса
Контактная информация:

Эл. Двигатель ПЛ062УХЛ4

Сообщение ПАВ » 09 фев 2023, 09:08

Первая же схема по ссылке aleksey.RU, там все просто и видно- можно или параллельно, или последовательно, рабочее напряжение и ток будут отличаться и сильно.
В жизни все не так, как на самом деле...
ПАВ
Сообщения: 7647
Зарегистрирован: 13 авг 2015, 19:54
Репутация: 923
Откуда: Одесса
Контактная информация:

Эл. Двигатель ПЛ062УХЛ4

Сообщение ПАВ » 09 фев 2023, 09:12

Strix999 писал(а):Источник цитаты aleksey.RU, не понимаю в схемах вообще, очень информативно и интересно... Но просто скажите на какие кончики подсоединять и зачем там три провода и одна перемычка?

Как правильно подсоединить напишите по обозначениям пожалуйста

Зачем там три провода, знает тот, кто их прикрутил. И ток ему нужен постоянный.
В жизни все не так, как на самом деле...
Strix999
Сообщения: 11
Зарегистрирован: 09 фев 2023, 07:12
Репутация: 0
Контактная информация:

Эл. Двигатель ПЛ062УХЛ4

Сообщение Strix999 » 09 фев 2023, 09:16

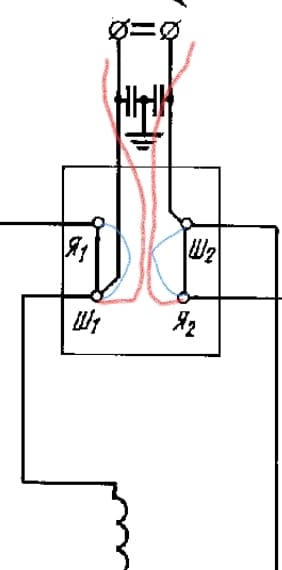
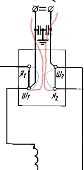
Синими делаю перемычки и красные в сеть. правильно?
Только вот остаётся вопрос как оно было подключено? Ведь перемычка одна и в другом месте, плюс третий вывод :sad:
Вложения
Screenshot_20230209_161302.jpg
Strix999
Сообщения: 11
Зарегистрирован: 09 фев 2023, 07:12
Репутация: 0
Контактная информация:

Эл. Двигатель ПЛ062УХЛ4

Сообщение Strix999 » 09 фев 2023, 09:19

Если постоянный.... Видимо он питался от блока питания какого-то... Правильно понимаю? И для быстрого пуска третий кончик на блок пускателя? Может так?

Но всё это делал кто-то, для чего то.... А мне нужно чтобы просто вращался правильно от сети и всё
ПАВ
Сообщения: 7647
Зарегистрирован: 13 авг 2015, 19:54
Репутация: 923
Откуда: Одесса
Контактная информация:

Эл. Двигатель ПЛ062УХЛ4

Сообщение ПАВ » 09 фев 2023, 09:26

Не нужен там никакой пускатель, это не асинхронный двигатель, обмотка статора и якорь или последовательно, или параллельно. Смотрите же схему по ссылке. Еще раз- кто и как там мыслил при включении проводов, один он знает.
В жизни все не так, как на самом деле...
Strix999
Сообщения: 11
Зарегистрирован: 09 фев 2023, 07:12
Репутация: 0
Контактная информация:

Эл. Двигатель ПЛ062УХЛ4

Сообщение Strix999 » 09 фев 2023, 09:28

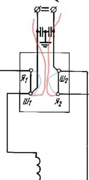
То есть так?
Вложения
Screenshot_20230209_161302.jpg
Strix999
Сообщения: 11
Зарегистрирован: 09 фев 2023, 07:12
Репутация: 0
Контактная информация:

Эл. Двигатель ПЛ062УХЛ4

Сообщение Strix999 » 09 фев 2023, 09:32

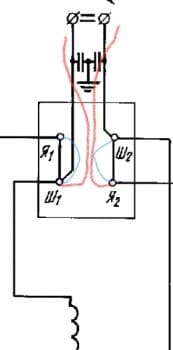
Не пускатель имел ввиду а кнопка с быстрым пуском. Наверное
Вложения
Screenshot_20230209_163112.jpg
ПАВ
Сообщения: 7647
Зарегистрирован: 13 авг 2015, 19:54
Репутация: 923
Откуда: Одесса
Контактная информация:

Эл. Двигатель ПЛ062УХЛ4

Сообщение ПАВ » 09 фев 2023, 09:35

И еще раз НЕТ. Эта коробка сделана для асинхронный однофазных моторов с пусковой обмоткой. Там таки три вывода- рабочая обмотка и пусковая, пуск следним контактом, нажимаемым кратковременно. В вашем моторе такого нет.
В жизни все не так, как на самом деле...
Strix999
Сообщения: 11
Зарегистрирован: 09 фев 2023, 07:12
Репутация: 0
Контактная информация:

Эл. Двигатель ПЛ062УХЛ4

Сообщение Strix999 » 09 фев 2023, 09:40

Ок. Понятно. Спасибо.
Аватара пользователя
aleksey.RU
Сообщения: 1397
Зарегистрирован: 12 сен 2022, 15:17
Репутация: 137
Откуда: СССР
Контактная информация:

Эл. Двигатель ПЛ062УХЛ4

Сообщение aleksey.RU » 09 фев 2023, 09:40

Strix999 писал(а):Источник цитаты Не пускатель имел ввиду а кнопка

https://www.chipdip.ru/product/a14k
типа такой
Тот, кто пытается использовать методы, не зная принципов, обречен на неудачу
ПАВ
Сообщения: 7647
Зарегистрирован: 13 авг 2015, 19:54
Репутация: 923
Откуда: Одесса
Контактная информация:

Эл. Двигатель ПЛ062УХЛ4

Сообщение ПАВ » 09 фев 2023, 09:42

И еще раз- наверняка для 220 пост. тока надо включать якорь и статор последовательно. И последнее, что стбираетесь вертеть этим мотором?
В жизни все не так, как на самом деле...


  • Реклама

Вернуться в «Электродвигатели переменного и постоянного тока»

Кто сейчас на конференции

Сейчас этот форум просматривают: нет зарегистрированных пользователей и 11 гостей