После установки нового автоматы, напрямую от счетчика ,до узо,срабатывает узо

Принцип работы, типы и разновидности, выбор, проверка, схемы подключения, причины отключения и т.п.
Андрей Щерба
Сообщения: 10
Зарегистрирован: 19 ноя 2022, 00:40
Репутация: 0
Контактная информация:

После установки нового автоматы, напрямую от счетчика ,до узо,срабатывает узо

Сообщение Андрей Щерба » 18 мар 2023, 15:14

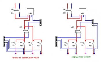
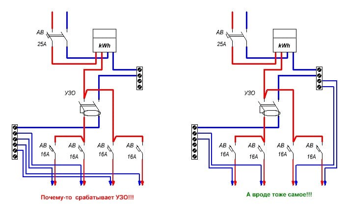
После установки нового автомата, напрямую от счетчика ,до узо,срабатывает узо.
Установил новый автомат ,напрямую с выхода счетчика,включаешь сеть ,даешь напряжение на розетку(от этого автомата),автомат не срабатывает,узо выбивает.
При этом если подключать тоже самое ,но к старому автомату,узо не срабатывает
Вложения
C8FCB162-C76E-45B0-A6F6-6C29DAFBA0C6.jpeg
Реклама
Аватара пользователя
aleksey.RU
Сообщения: 1397
Зарегистрирован: 12 сен 2022, 15:17
Репутация: 137
Откуда: СССР
Контактная информация:

После установки нового автоматы, напрямую от счетчика ,до узо,срабатывает узо

Сообщение aleksey.RU » 18 мар 2023, 16:06

Андрей Щерба,
1. Читайте как работает УЗО.
2. Нарисуйте что вы там понаподключали.
3. За тем, поймите, что вы сделали не так. Используя пункты 1 и 2.
4. Исправьте

Снимок.JPG
Тот, кто пытается использовать методы, не зная принципов, обречен на неудачу
Аватара пользователя
TOPMO3
Сообщения: 4181
Зарегистрирован: 29 фев 2016, 10:37
Репутация: 626
Откуда: Ижевск
Контактная информация:

После установки нового автоматы, напрямую от счетчика ,до узо,срабатывает узо

Сообщение TOPMO3 » 19 мар 2023, 16:58

Андрей Щерба, возможно Вы сделали не так ...
Вложения
2.jpg
Смеюсь последний ... тормоз однако!


  • Реклама

Вернуться в «УЗО и дифференциальные автоматы»

Кто сейчас на конференции

Сейчас этот форум просматривают: нет зарегистрированных пользователей и 8 гостей