В какой программе нарисован щит

Вопросы по электромонтажу, не попавшие в основные разделы
Максим 12345
Сообщения: 1
Зарегистрирован: 18 мар 2023, 21:36
Репутация: 0
Контактная информация:

В какой программе нарисован щит

Сообщение Максим 12345 » 18 мар 2023, 21:44

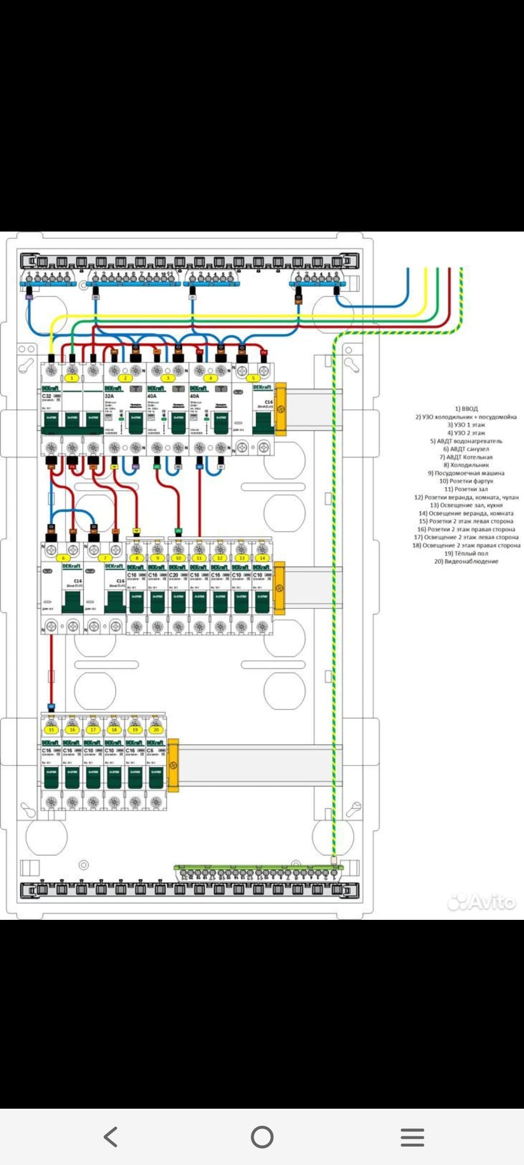
Подскажите что за программа
Вложения
Screenshot_20230318_213527.jpg
Реклама
Аватара пользователя
TOPMO3
Сообщения: 4181
Зарегистрирован: 29 фев 2016, 10:37
Репутация: 626
Откуда: Ижевск
Контактная информация:

В какой программе нарисован щит

Сообщение TOPMO3 » 19 мар 2023, 16:08

Максим 12345 писал(а):Источник цитаты Подскажите что за программа
Мне каажется это Visio, но могет быть и SketchUp.
Имхо это может быть любая программа, с соответствующей библиотекой ... у нас на этом форуме иха нету. :pardon:
Я например не вижу смысла рисовать подобные "схемы"- картинки.
Для обсуждения на форумах требуется именно схема, а не картинка. Единственно куда можно использовать подобные художества - для расчета и наполнения щитков ... так и тама проще просто четырехугольниками пользоваться ... короче на любителя, а не для электрика.
Вот сравните две схемы ... картинками и на УГО ...
Вложения
1.jpg
Смеюсь последний ... тормоз однако!


  • Реклама

Вернуться в «Прочие вопросы по электромонтажу»

Кто сейчас на конференции

Сейчас этот форум просматривают: нет зарегистрированных пользователей и 11 гостей