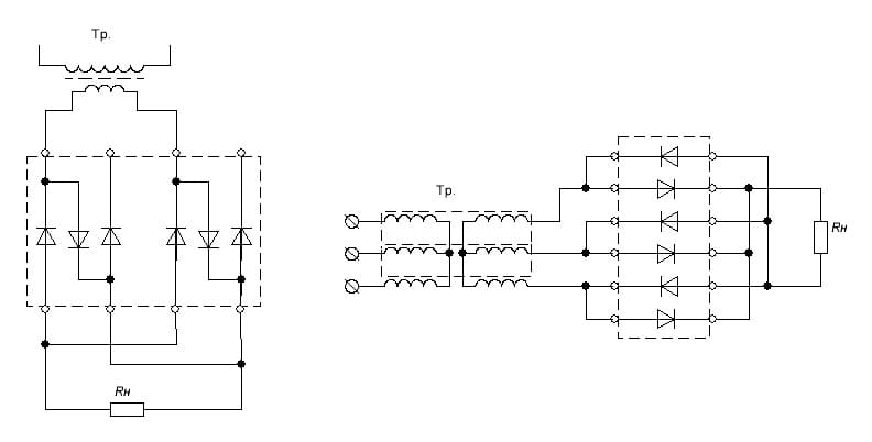
student_yakse писал(а):Источник цитаты однофазный трансформатор и R нагрузку
МБВ писал(а):Источник цитаты Без фамилии сборки могу предположить, это два диода, каждый из трех последовательных и моста из этого не выйдет.
МБВ писал(а):Источник цитаты это два диода, каждый из трех последовательных и моста из этого не выйдет
student_yakse писал(а):Источник цитаты Кому не сложно помогите пожалуйста
МБВ писал(а):Источник цитаты это два диода
student_yakse писал(а):Источник цитаты
Имхо ... точно не профильном, коли, с сентября доплелись только до мостов.ПАВ писал(а):Источник цитаты Интересно, в каких учебных заведениях мучают такими сложными вопросами?
ПАВ писал(а):Источник цитаты Интересно, в каких учебных заведениях мучают такими сложными вопросами?

Вернуться в «Прочие вопросы по электромонтажу»
Сейчас этот форум просматривают: Baidu [Spider] и 16 гостей