Электропитание старого английского трактора

Вопросы от того, кто, мало сталкивался с темами электричества. Просьба к профессионалам стараться отвечать просто и понятно для людей без профильного образования.
Аватара пользователя
Duval
Сообщения: 92
Зарегистрирован: 02 июл 2023, 19:33
Репутация: 3
Контактная информация:

Электропитание старого английского трактора

Сообщение Duval » 02 июл 2023, 19:54

Господа знатоки.
Я хотел бы задать вопрос, связанный с электропитанием английского трактора "Massey Ferguson TEF 20" выпуска 1955 года.
Дело в том, что изначально он был рассчитан на питание от двух аккумуляторов по 6 вольт каждый.
Позже, его бывшие владельцы перешли на использование одного аккумулятора на 12 вольт.
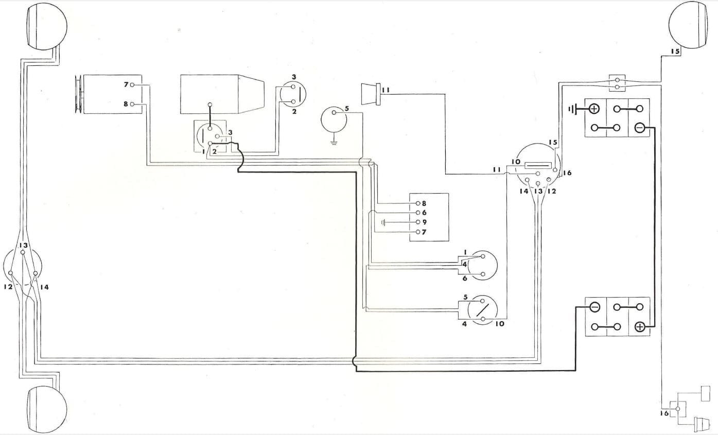
На схеме указано, что плюсовой контакт одного из аккумуляторов замыкается на массу. Это странно.
И если сравнивать рисунок с тем, как его подключали и заводили на моих глазах, то это не совпадает.
Я его купил зимой, он был в грустном состоянии, но заводился и ездил.
Бывший владелец для старта подключал "кабель +" на верхний контакт стартёра, а "кабель -" на массу. Потом уже перемещал рычаг скоростей на D и трактор заводился.
Я с момента покупки трактор не заводил. Было много работы по его очистке, покраске, по ремонту разных частей.
Сейчас забрезжило окончание этих ремонтных работ и скоро надо будет пробовать заводить его.
Но я хотел бы получить совет от знающего человека, почему на схеме указано, что "кабель +" подключается к массе?

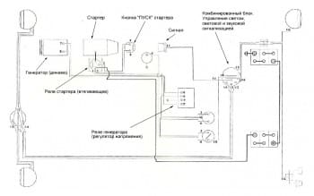
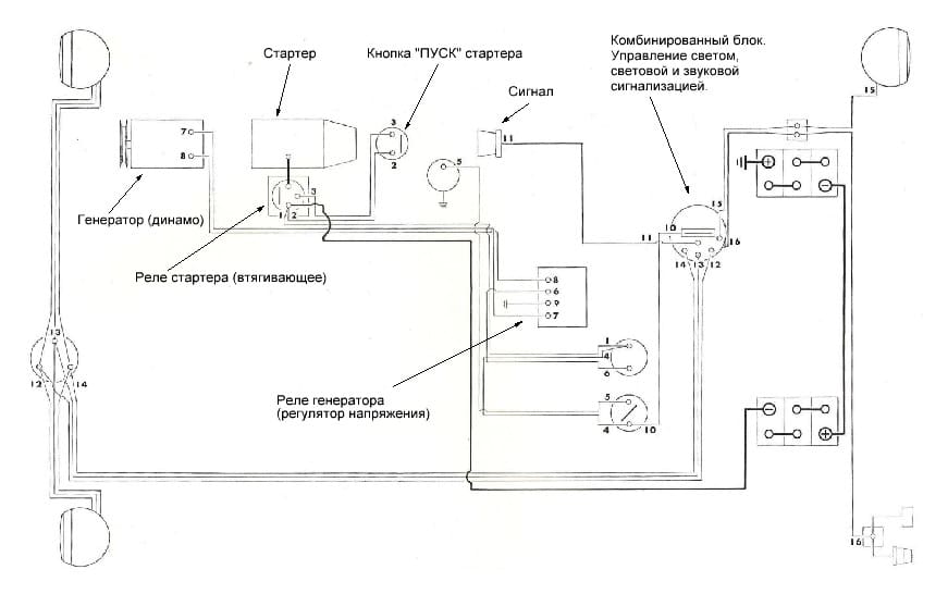
1. Амперметр - реле стартера (коричневый или желтый)
2. Реле - контактор стартера (коричневый или желтый)
3. Контактор стартера - Реле (коричневый с черным или белым)
4. Амперметр - контактор свечи накаливания (коричневый или белый)
5. Контактор - свеча накаливания (коричневый с черным или красным)
6. Амперметр - Регулятор (коричневый с белым или красным)
7. Регулятор - Динамо (желтый)
8. Запуск генератора - регулятор (зеленый с черным или зеленый)
9. Заземление регулятора (черный)
10. Контактор свечи накаливания - предохранитель выключателя света (Черный)
11. Выключатель звукового сигнала (Серый)
12. Выключатель - фара (Желтый)
13. Выключатель - Код (Зеленый)
14. Выключатель - ночной свет (черный)
15. Выключатель - Задний прожектор (Синий)
16. Выключатель - Красный фонарь и розетка для прицепа (Красный)
Вложения
02.jpg
01.jpg
Схема.JPG
Реклама
ПАВ
Сообщения: 7647
Зарегистрирован: 13 авг 2015, 19:54
Репутация: 923
Откуда: Одесса
Контактная информация:

Электропитание старого английского трактора

Сообщение ПАВ » 03 июл 2023, 06:21

В раньчее время так было и в авто- плюс на массе, и еще было не 12, а 6 вольт в бортсети. Например- ЗИС-5, он же АМО, он же Автокар. Так что все возможно.
В жизни все не так, как на самом деле...
Аватара пользователя
Duval
Сообщения: 92
Зарегистрирован: 02 июл 2023, 19:33
Репутация: 3
Контактная информация:

Электропитание старого английского трактора

Сообщение Duval » 03 июл 2023, 14:44

А за приборным щитком есть коробочка-реле. К ней подключены провода, я их не трогал. Но от аккумулятора не было подключено ни одного провода. Можно ли теперь от аккумулятора 12 вольт подключить к этому реле "кабель +"? Не сгорит это реле?
Вложения
IMG.jpg
Последний раз редактировалось Duval 03 июл 2023, 23:47, всего редактировалось 1 раз.
ПАВ
Сообщения: 7647
Зарегистрирован: 13 авг 2015, 19:54
Репутация: 923
Откуда: Одесса
Контактная информация:

Электропитание старого английского трактора

Сообщение ПАВ » 03 июл 2023, 16:37

Извините, это уже к другим. Далеко не у каждого на форуме есть аглицкий тр- Митя в кустах.
В жизни все не так, как на самом деле...
Аватара пользователя
Duval
Сообщения: 92
Зарегистрирован: 02 июл 2023, 19:33
Репутация: 3
Контактная информация:

Электропитание старого английского трактора

Сообщение Duval » 03 июл 2023, 23:49

Так я бы и обратился, но не знаю к кому?..
ПАВ
Сообщения: 7647
Зарегистрирован: 13 авг 2015, 19:54
Репутация: 923
Откуда: Одесса
Контактная информация:

Электропитание старого английского трактора

Сообщение ПАВ » 04 июл 2023, 06:11

Увы, но это немного иной профиль. Остается два варианта
- рискнуть
- разобраться в содержимом коробки и тогда уже пробовать включать..
В тырнете встречал подобное устройство, но насколько оно близко к вашему- не скажу. Но там все не так, как сейчас- иные были и схемы, и генераторы, и регуляторы напряжения, посему... :sorry: Если вам интересно сохранить раритет, то это одно, если трактор нужен как изделие, проще перевести все современный уровень, не такой уж и сложный.
В жизни все не так, как на самом деле...
Аватара пользователя
TOPMO3
Сообщения: 4181
Зарегистрирован: 29 фев 2016, 10:37
Репутация: 626
Откуда: Ижевск
Контактная информация:

Электропитание старого английского трактора

Сообщение TOPMO3 » 04 июл 2023, 09:20

Duval писал(а):Источник цитаты А за приборным щитком есть коробочка-реле. К ней подключены провода, я их не трогал. Но от аккумулятора не было подключено ни одного провода. Можно ли теперь от аккумулятора 12 вольт подключить к этому реле "кабель +"? Не сгорит это реле?
Коробочка, это похоже реле регулятор ... судя по фото предназначен для схемы с "минусом" на корпусе.
Основная схема с "плюсом" на корпусе ... т.е. при соединении их, возможно всё ... от фейрверка, до тихого "пшик".
Надо бы вскрыть "коробочку" и разобраться с его устройством ... возможно тама всё на реле, тогда, может быть, "ничаго и не будет".
Вложения
1.jpg
Смеюсь последний ... тормоз однако!
ПАВ
Сообщения: 7647
Зарегистрирован: 13 авг 2015, 19:54
Репутация: 923
Откуда: Одесса
Контактная информация:

Электропитание старого английского трактора

Сообщение ПАВ » 04 июл 2023, 09:45

Генератор и РН под вопросом, а стартеру, свече накаливания, сигналу и лампочкам до лампочки, плюс там или минус на корпусе трактора.
Опять же- как устроен генератор, что в нем сидит на корпусе?
В жизни все не так, как на самом деле...
Аватара пользователя
МБВ
Сообщения: 407
Зарегистрирован: 20 мар 2023, 22:32
Репутация: 78
Контактная информация:

Электропитание старого английского трактора

Сообщение МБВ » 04 июл 2023, 12:10

Оставьте 6в питание или под замену стартер, генератор, реле, лампы и остальное, кроме проводов. Как тракторист Вам говорю.
ПАВ
Сообщения: 7647
Зарегистрирован: 13 авг 2015, 19:54
Репутация: 923
Откуда: Одесса
Контактная информация:

Электропитание старого английского трактора

Сообщение ПАВ » 04 июл 2023, 12:23

Аргументируйте- ради сохранения раритета или чего?
И где вы сейчас найдете АКБ эдак амперчасов на 70 шестивольтовую? Насколько имел дел и давно с автоэлектрикой, такие были еще в ГАЗ-51 и т.п. и назывались 3СТ-70.
В жизни все не так, как на самом деле...
Аватара пользователя
МБВ
Сообщения: 407
Зарегистрирован: 20 мар 2023, 22:32
Репутация: 78
Контактная информация:

Электропитание старого английского трактора

Сообщение МБВ » 04 июл 2023, 14:32

А что в нем ценного, кроме раритета, не думаю,что он способен на ежедневную работу. По мне дешевле в аккумуляторе перемычку разрезать из одного 6СТ сделать 2*3СТ в параллель.
Аватара пользователя
МБВ
Сообщения: 407
Зарегистрирован: 20 мар 2023, 22:32
Репутация: 78
Контактная информация:

Электропитание старого английского трактора

Сообщение МБВ » 04 июл 2023, 14:36

Но если он уже работал от 12в, то 2 варианта: или уже всё заменено и работает или всё 6-ти вольтовой сожжено и подлежит замене.
ПАВ
Сообщения: 7647
Зарегистрирован: 13 авг 2015, 19:54
Репутация: 923
Откуда: Одесса
Контактная информация:

Электропитание старого английского трактора

Сообщение ПАВ » 04 июл 2023, 17:07

МБВ писал(а):Источник цитаты А что в нем ценного, кроме раритета, не думаю,что он способен на ежедневную работу. По мне дешевле в аккумуляторе перемычку разрезать из одного 6СТ сделать 2*3СТ в параллель.


В параллель??? Вы когда-нибудь такое делали?
В жизни все не так, как на самом деле...
Аватара пользователя
МБВ
Сообщения: 407
Зарегистрирован: 20 мар 2023, 22:32
Репутация: 78
Контактная информация:

Электропитание старого английского трактора

Сообщение МБВ » 05 июл 2023, 10:54

Всё придумано до нас: переключатель аккумуляторов -ВК-30Б.
Аватара пользователя
МБВ
Сообщения: 407
Зарегистрирован: 20 мар 2023, 22:32
Репутация: 78
Контактная информация:

Электропитание старого английского трактора

Сообщение МБВ » 05 июл 2023, 11:04

Всё придумано до нас: существует масса сельхоз и спец техники где работают 2 АК паралельно 12в и переключаются последовательно 24в только на старт. Не составит труда сделать 6/12в. Говорю как тракторист с красным дипломом.
ПАВ
Сообщения: 7647
Зарегистрирован: 13 авг 2015, 19:54
Репутация: 923
Откуда: Одесса
Контактная информация:

Электропитание старого английского трактора

Сообщение ПАВ » 05 июл 2023, 11:20

А электрик тоже с красным?
Покажите хоть одну схему параллельного включения АКБ! Насколько одинаковы у них должны быть характеристики при разряде и заряде?
А вот последовательно- было, встречал в дизеле, при этом от 24-х работала система запуска и свечи, остальное- 12 вольт.
В жизни все не так, как на самом деле...
Аватара пользователя
МБВ
Сообщения: 407
Зарегистрирован: 20 мар 2023, 22:32
Репутация: 78
Контактная информация:

Электропитание старого английского трактора

Сообщение МБВ » 05 июл 2023, 11:34

Нет, энергетик с синим. Вы сами подтвердили, что существует техника, работающая 99% с параллельными АК и только 1% последовательно при старте.
ПАВ
Сообщения: 7647
Зарегистрирован: 13 авг 2015, 19:54
Репутация: 923
Откуда: Одесса
Контактная информация:

Электропитание старого английского трактора

Сообщение ПАВ » 05 июл 2023, 12:16

Где???
В жизни все не так, как на самом деле...
Аватара пользователя
МБВ
Сообщения: 407
Зарегистрирован: 20 мар 2023, 22:32
Репутация: 78
Контактная информация:

Электропитание старого английского трактора

Сообщение МБВ » 05 июл 2023, 12:26

Ещё со школы хорошо зарабатывал на электропроводках нива ск5 и кировец 700/701. Разумеется стартерные. Это вторая половина прошлого века, не всем понять. Сейчас если стартер 24в ставят преобразователь 22/24в для заряда второго от генератора 12в. А комбайн нива с 1972 по 2017 был на 2-х параллельных 6ст-130. Не говорю что это хорошо , но это было. Ведь речь о раритех, если не забыли.
ПАВ
Сообщения: 7647
Зарегистрирован: 13 авг 2015, 19:54
Репутация: 923
Откуда: Одесса
Контактная информация:

Электропитание старого английского трактора

Сообщение ПАВ » 05 июл 2023, 12:36

Ну так вот, сказанное мной касается схемы, в которой был один вентильный генератор на 14 вольт, типичный, он заряжал первую-рабочую АКБ и бортсеть, с его же выводов трех фаз питался доп. выпрямитель, заряжающий вторую АКБ, которая и включалась последовательно с основной для пуска дизеля.
Теоретически не возбраняется включение параллельно хоть ста АКБ, вот только иметь такое количество близнецов было нереально.
Что касается пары параллельных АКБ, то о тонкостях мало кто думал, ресурс АКБ был аж! 24 мес. для ЗАКАЗЧИКА и 18 мес. для остальных, поэтому все спали спокойно- придет время, снабженцы новые достанут....
Все, разобрались, от темы ушли в дебри. Не будем ТС портить тему.
Для поговорить можно создать отдельную- за жисть, за электрику, но без политики!!!
В жизни все не так, как на самом деле...


  • Реклама

Вернуться в «Вопросы от "чайника"»

Кто сейчас на конференции

Сейчас этот форум просматривают: нет зарегистрированных пользователей и 4 гостя