Прошу помощи специалистов

Вопросы от того, кто, мало сталкивался с темами электричества. Просьба к профессионалам стараться отвечать просто и понятно для людей без профильного образования.
Sinilga
Сообщения: 5
Зарегистрирован: 22 авг 2023, 17:47
Репутация: 0
Контактная информация:

Прошу помощи специалистов

Сообщение Sinilga » 22 авг 2023, 17:55

Помогите чайникам, пожалуйста. :blush: Возник вопрос - есть дачная скважина с насосом, от насоса идет провод с вилкой. Надо разделить вилку на 4 хозяев. Вроде все просто, поставить распределительную коробку и к ней 4 провода с вилками. Но если кто-то включит свою вилку в розетку, у остальных будут висеть вилки под напряжением? Как можно этого избежать?
Реклама
Аватара пользователя
TOPMO3
Сообщения: 4181
Зарегистрирован: 29 фев 2016, 10:37
Репутация: 626
Откуда: Ижевск
Контактная информация:

Прошу помощи специалистов

Сообщение TOPMO3 » 23 авг 2023, 07:35

Sinilga писал(а):Источник цитаты Как можно этого избежать?
Вложения
1.jpg
Смеюсь последний ... тормоз однако!
Sinilga
Сообщения: 5
Зарегистрирован: 22 авг 2023, 17:47
Репутация: 0
Контактная информация:

Прошу помощи специалистов

Сообщение Sinilga » 23 авг 2023, 08:30

Поняла, мы сейчас так и включаем -каждый в свою розетку через удлинитель, но нам нужно каждому свое подключение, так как доступ к скважине есть не у всех, а вилка висит там. Именно вилку надо поделить)
Аватара пользователя
TOPMO3
Сообщения: 4181
Зарегистрирован: 29 фев 2016, 10:37
Репутация: 626
Откуда: Ижевск
Контактная информация:

Прошу помощи специалистов

Сообщение TOPMO3 » 23 авг 2023, 19:12

А как вы узнаете, что скважина свободна (никто не подключен), и Вы можете подключаться?
У вы уверены, что все четверо, подключены к одной фазе ...и что никто из вас, не имеет возможности подать, на эту "четырехголовую" вилку - другую фазу?
А Вы уверены, что пока Вы качаете воду себе ...никто не открывает у себя кранчик, чтоб набрать "на халяву" водички.
А вообще ...идея ваша, с вилками, не вписывается в требования ТБ ...развивать эту тему, совесть не позволяет.
Извините.
Смеюсь последний ... тормоз однако!
Sinilga
Сообщения: 5
Зарегистрирован: 22 авг 2023, 17:47
Репутация: 0
Контактная информация:

Прошу помощи специалистов

Сообщение Sinilga » 24 авг 2023, 06:42

Эээ… я как раз и спрашиваю, как можно сделать, чтобы все было нормально по электрике и никто не боялся схватиться за вилку под напряжением. Если скважина занята, то слышно насос хорошо. Какое то решение ведь есть, думаю не сложное, слышала что такое делают. Нашли совет про какое то реле, которое при включении одной линии отключит три другие, но пока толком не поняли какое это реле. По воде все ок, никто не будет себе набирать параллельно, да и сразу напор упадет
Дмитрий СПБ
Сообщения: 1
Зарегистрирован: 24 авг 2023, 16:31
Репутация: 0
Контактная информация:

Прошу помощи специалистов

Сообщение Дмитрий СПБ » 24 авг 2023, 16:50

Здравствуйте, подскажите пожалуйста, что это за алюминиевая трубка, которая идет с лестницы к счетчику электроэнергии?
Дом постройки 50-х годов.
Вложения
N_GCnnyBYbk.jpg
Аватара пользователя
dmi8989
Сообщения: 30
Зарегистрирован: 26 янв 2023, 16:16
Репутация: 2
Контактная информация:

Прошу помощи специалистов

Сообщение dmi8989 » 24 авг 2023, 17:33

Ставьте у каждого потребителя магнитный пускатель с кнопками и с блок-контактами. Любой электрик 3-го разряда соберёт схему. Только сдаётся, что для такой мелкой задачи слишком сложный огород будет
Аватара пользователя
TOPMO3
Сообщения: 4181
Зарегистрирован: 29 фев 2016, 10:37
Репутация: 626
Откуда: Ижевск
Контактная информация:

Прошу помощи специалистов

Сообщение TOPMO3 » 24 авг 2023, 17:59

Предположу, что можно собрать:
1. ... релейную схему, но тама понадобятся четыре четырехполюсных контактора ... в которых должны быть три полюса NC и один полюс NO.
Я таких и не встречал и в интернете не видел;
2. ... приобрести подходящее по функционалу, программируемое реле (например фирмы Овен) ...написать и ввести требуемый алгоритм работы тех же контакторов.
Последний раз редактировалось TOPMO3 24 авг 2023, 18:04, всего редактировалось 1 раз.
Смеюсь последний ... тормоз однако!
Аватара пользователя
TOPMO3
Сообщения: 4181
Зарегистрирован: 29 фев 2016, 10:37
Репутация: 626
Откуда: Ижевск
Контактная информация:

Прошу помощи специалистов

Сообщение TOPMO3 » 24 авг 2023, 18:02

dmi8989 писал(а):Источник цитаты Ставьте у каждого потребителя магнитный пускатель с кнопками и с блок-контактами. Любой электрик 3-го разряда соберёт схему. Только сдаётся, что для такой мелкой задачи слишком сложный огород будет
Ну, ну ...опутать сетью проводов четыре участка? :biggrin:
Смеюсь последний ... тормоз однако!
Аватара пользователя
dmi8989
Сообщения: 30
Зарегистрирован: 26 янв 2023, 16:16
Репутация: 2
Контактная информация:

Прошу помощи специалистов

Сообщение dmi8989 » 24 авг 2023, 18:17

Не совсем. Мы же не знаем, как у них обстановка на местности. Три провода от дома до ящика, установленного, к примеру, у скважины- не сложно (кабель 3*1, 5).
Аватара пользователя
dmi8989
Сообщения: 30
Зарегистрирован: 26 янв 2023, 16:16
Репутация: 2
Контактная информация:

Прошу помощи специалистов

Сообщение dmi8989 » 24 авг 2023, 18:19

Что касается пускателя-контактная надставка на пускатель решает все проблемы в части потребных контактов.
Аватара пользователя
dmi8989
Сообщения: 30
Зарегистрирован: 26 янв 2023, 16:16
Репутация: 2
Контактная информация:

Прошу помощи специалистов

Сообщение dmi8989 » 24 авг 2023, 18:21

Да и Ваше предложение по релейной схеме-копия моего предложения. Проводов будет столько же.
Sinilga
Сообщения: 5
Зарегистрирован: 22 авг 2023, 17:47
Репутация: 0
Контактная информация:

Прошу помощи специалистов

Сообщение Sinilga » 24 авг 2023, 20:32

А для чайников попроще можно? :biggrin: очень интересно, но ничего не понятно
Аватара пользователя
dmi8989
Сообщения: 30
Зарегистрирован: 26 янв 2023, 16:16
Репутация: 2
Контактная информация:

Прошу помощи специалистов

Сообщение dmi8989 » 24 авг 2023, 21:05

Вам надо сразу искать спеца. Заочно Вам здесь не помогут.
Аватара пользователя
TOPMO3
Сообщения: 4181
Зарегистрирован: 29 фев 2016, 10:37
Репутация: 626
Откуда: Ижевск
Контактная информация:

Прошу помощи специалистов

Сообщение TOPMO3 » 25 авг 2023, 11:09

dmi8989 писал(а):Источник цитаты Да и Ваше предложение по релейной схеме-копия моего предложения. Проводов будет столько же.
Я, вроде, не выкладывал ни каких схем ... и уже оказывается, у меня копия не выложенного Вами ... что за идиотские предположения! :fool:
dmi8989 писал(а):Источник цитаты Вам надо сразу искать спеца. Заочно Вам здесь не помогут.
За всех, Вас, тут никто не уполномочивал писать ... :nea:
Смеюсь последний ... тормоз однако!
Аватара пользователя
TOPMO3
Сообщения: 4181
Зарегистрирован: 29 фев 2016, 10:37
Репутация: 626
Откуда: Ижевск
Контактная информация:

Прошу помощи специалистов

Сообщение TOPMO3 » 25 авг 2023, 11:17

Sinilga писал(а):Источник цитаты А для чайников попроще можно? :biggrin: очень интересно, но ничего не понятно
А чайникам были заданы вопросы, которые, походу они не поняли ...
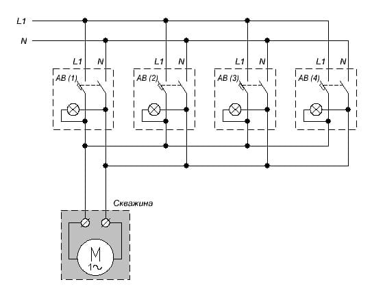
Вот вам схема, максимально бюджетная ...
Потребуется произвести фазировку, чтобы от всех приходила одноименная фаза ...
А — копия.JPG

Если никто не качает, лампочки у всех не светятся ... если кто-то качает - у всех лампочки светятся.
Автоматы использовать с параметром по току, как можно близким к потреблению насоса.
Смеюсь последний ... тормоз однако!
Sinilga
Сообщения: 5
Зарегистрирован: 22 авг 2023, 17:47
Репутация: 0
Контактная информация:

Прошу помощи специалистов

Сообщение Sinilga » 25 авг 2023, 14:30

Спасибо большое!!!
Аватара пользователя
dmi8989
Сообщения: 30
Зарегистрирован: 26 янв 2023, 16:16
Репутация: 2
Контактная информация:

Прошу помощи специалистов

Сообщение dmi8989 » 25 авг 2023, 19:23

:pardon:
TOPMO3 писал(а):
dmi8989 писал(а):Источник цитаты Да и Ваше предложение по релейной схеме-копия моего предложения. Проводов будет столько же.
Я, вроде, не выкладывал ни каких схем ... и уже оказывается, у меня копия не выложенного Вами ... что за идиотские предположения! :fool:
dmi8989 писал(а):Источник цитаты Вам надо сразу искать спеца. Заочно Вам здесь не помогут.
За всех, Вас, тут никто не уполномочивал писать ... :nea:

Ба, Юпитер с короной, ты сердишься, значит ты не прав :pardon: :yes: :yes: :yes:
Аватара пользователя
TOPMO3
Сообщения: 4181
Зарегистрирован: 29 фев 2016, 10:37
Репутация: 626
Откуда: Ижевск
Контактная информация:

Прошу помощи специалистов

Сообщение TOPMO3 » 26 авг 2023, 11:23

Sinilga писал(а):Источник цитаты Спасибо большое!!!
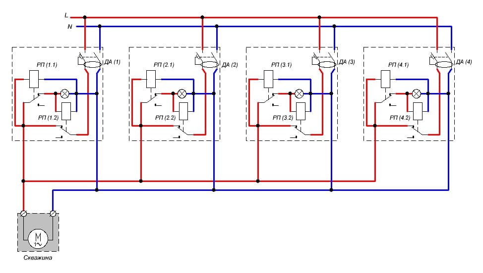
Релейная схема, более сложна, но на порядок повышает безопасность ... при этом исключает одновременное подключение. Т.е. при подключение кого нить ... остальные будут отключены ... как Вы изначально писали.
Вместо автоматов, рекомендую применить дифавтоматы ... что повышает безопасность.
Простые автоматы - предназначены для защиты только линий питания, а дифзащита (УЗО и дифавтоматы) - для защиты человека.
Вложения
А — копия.JPG
Смеюсь последний ... тормоз однако!


  • Реклама

Вернуться в «Вопросы от "чайника"»

Кто сейчас на конференции

Сейчас этот форум просматривают: нет зарегистрированных пользователей и 8 гостей