Неисправность асинхронного электрожвигателя газонокосилки

Делимся информацией по ремонту электроинструмента (дрели, перфораторы, шуруповерты, болгарки и т.п.)
Чай1ник
Сообщения: 2
Зарегистрирован: 15 сен 2023, 18:21
Репутация: 0
Контактная информация:

Неисправность асинхронного электрожвигателя газонокосилки

Сообщение Чай1ник » 15 сен 2023, 18:57

Здравствуйте.
Асинхронный двигатель газонокосилки (с конденсатором) самостоятельно не запускается. При включении - гудит, но не вращается. Если подтолкнуть ротор, то запускается и вращается нормально. Что может быть неисправно? Конденсатор?
Реклама
Аватара пользователя
TOPMO3
Сообщения: 4181
Зарегистрирован: 29 фев 2016, 10:37
Репутация: 626
Откуда: Ижевск
Контактная информация:

Неисправность асинхронного электрожвигателя газонокосилки

Сообщение TOPMO3 » 16 сен 2023, 14:48

Описали проблему понятно.
Возможные причины:
1. Неисправна кнопка включения;
2. Обрыв в соединениях или проводов, в цепях пусковой обмотки;
3. Неисправен конденсатор.
Конденсатор отметил последним, по причине того, что его не исправить, а придется покупать новый.
Смеюсь последний ... тормоз однако!
Чай1ник
Сообщения: 2
Зарегистрирован: 15 сен 2023, 18:21
Репутация: 0
Контактная информация:

Неисправность асинхронного электрожвигателя газонокосилки

Сообщение Чай1ник » 18 сен 2023, 06:01

TOPMO3 писал(а):Источник цитаты Описали проблему понятно.
Возможные причины:
1. Неисправна кнопка включения;
2. Обрыв в соединениях или проводов, в цепях пусковой обмотки;
3. Неисправен конденсатор.
Конденсатор отметил последним, по причине того, что его не исправить, а придется покупать новый.

1. Кнопка включения, насколько я понимаю, - не причем. При включении двигатель гудит, но не вращается ротор. Если ротор слегка подтолкнуть, то двигатель запускается и работает нормально. Кнопка включения не нагревается.
2. Если бы был обрыв, тогда, насколько я понимаю, движок вообще не запускался бы. Двигатель при работе не нагревается.
3. Косилке 12 лет. Эксплуатировалась активно, с мая по сентябрь 2 раза в неделю по 1 часу каждый раз без перерыва. Хранилась зимой в неотапливаемом сарае.
Аватара пользователя
TOPMO3
Сообщения: 4181
Зарегистрирован: 29 фев 2016, 10:37
Репутация: 626
Откуда: Ижевск
Контактная информация:

Неисправность асинхронного электрожвигателя газонокосилки

Сообщение TOPMO3 » 18 сен 2023, 07:16

Чай1ник писал(а):1. Кнопка включения, насколько я понимаю, - не причем. При включении двигатель гудит, но не вращается ротор. Если ротор слегка подтолкнуть, то двигатель запускается и работает нормально. Кнопка включения не нагревается.
Я прекрасно понял, что кнопка нормально подает питание на рабочую обмотку ... после этого мотор ведет именно так как Вы описали. В моторе имеется еще пусковая обмотка, последовательно которой подключен конденсатор. Питание (обычно) подается отдельными контактами той же кнопки. Пусковые контакты кнопки размыкаются при убирании пальца с кнопки.
2. Если бы был обрыв, тогда, насколько я понимаю, движок вообще не запускался бы. Двигатель при работе не нагревается.
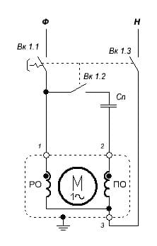
Не все обрывы одинаковые ...
Вот Вам стандартная схема питания однофазного ассинхроника.
Вложения
1.jpg
1.jpg (14.31 КБ) 5439 просмотров
Смеюсь последний ... тормоз однако!


  • Реклама

Вернуться в «Ремонт электроинструмента (дрели, перфораторы, шуруповерты, болгарки и т.п.)»

Кто сейчас на конференции

Сейчас этот форум просматривают: нет зарегистрированных пользователей и 2 гостя