Правильность схемы звезда-треугольник

Выбор, пуск, схемы подключения и соединения обмоток, реверс различных электродвигателей.
maks0n41k
Сообщения: 1
Зарегистрирован: 22 окт 2023, 09:18
Репутация: 0
Контактная информация:

Правильность схемы звезда-треугольник

Сообщение maks0n41k » 22 окт 2023, 09:25

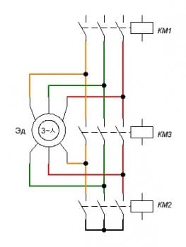
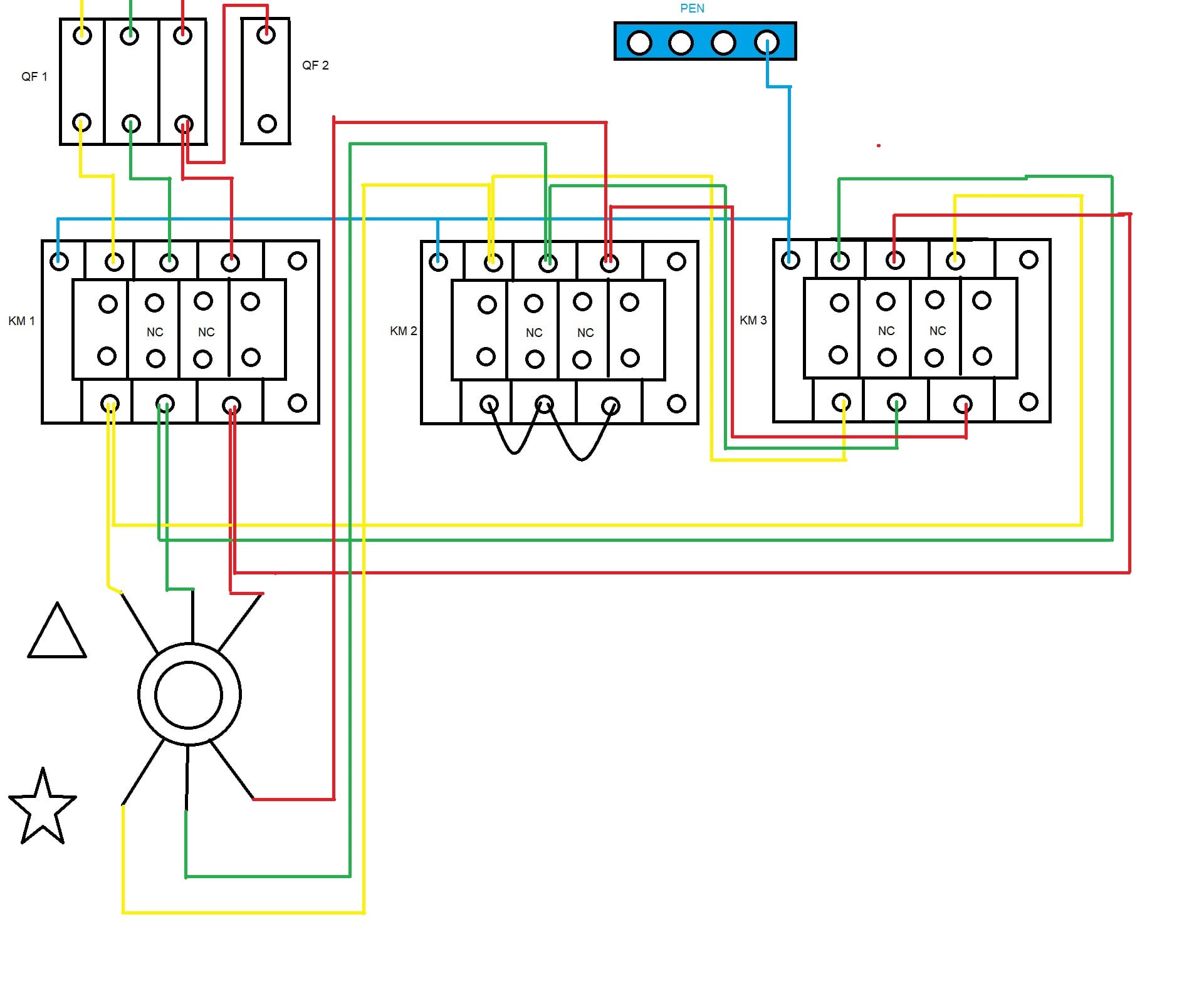
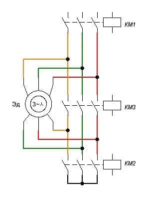
Доброе утро, день или ночь. Являюсь студентом 3 курса и в данный момент вышел на практику. С чтением схем я на вы, поэтому хочу поинтересоваться правильностью соединения силовой части в схеме: звезда-треугольник. Теоретический монтаж и схему предлагаю. Спасибо за внимание)
Вложения
QRGt3QBpt1E.jpg
tY2b3FLi8nk.jpg
Реклама
Аватара пользователя
TOPMO3
Сообщения: 4181
Зарегистрирован: 29 фев 2016, 10:37
Репутация: 626
Откуда: Ижевск
Контактная информация:

Правильность схемы звезда-треугольник

Сообщение TOPMO3 » 22 окт 2023, 18:24

maks0n41k писал(а):Источник цитаты Теоретический монтаж и схему предлагаю.
Не существуют "теоретические" схемы ... в Вашем случае, её можно назвать монтажной схемой или схемой подключений. Вторая называется принципиальной.
Соединения нарисованы правильно ... единственное замечание ... запомните, каждый цвет принадлежит своей фазе ... т.е. при включении контактора, на его контактах не должны "встречаться" разные фазы. Разные фазы должны присутствовать на выводах нагрузки (в нашем случае - это три обмотки электродвигателя).
Вы перепутали только цвет проводников на КМ3 ... а так схема рабочая.
Вложения
1.jpg
Смеюсь последний ... тормоз однако!


  • Реклама

Вернуться в «Электродвигатели переменного и постоянного тока»

Кто сейчас на конференции

Сейчас этот форум просматривают: Google [Bot] и 6 гостей