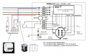
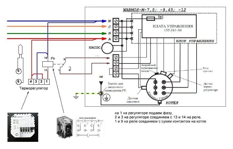
Есть котел с контактами для подключения регулятора - при замыкании котел отключается, размыкании - включается. И терморегулятор с «сухим контактом», который работает наоборот (замыкает контакты при включении).
Как можно установить регулятор?
Как понимаю через промежуточное реле? (на 1 на регуляторе подаем фазу, 2 и 3 на регуляторе соединяем с 13 и 14 на реле, 1 и 9 на реле соединяем с сухим контактом на котле)
Не спалю ли я этим регулятор? Я не специалист
