Проектирование щитка / выбор модулей

Проектирование внутреннего электроснабжения квартир, домов, коттеджей и т.п. Нормы, типовые проекты, расчеты, делимся своими проектами.
AlexTes
Сообщения: 6
Зарегистрирован: 19 окт 2023, 15:42
Репутация: 0
Контактная информация:

Проектирование щитка / выбор модулей

Сообщение AlexTes » 10 ноя 2023, 15:02

Добрый день.
Решил сам собрать щиток изучая просторы интернета и комментарии электриков. (для понимания, бюджет что бы его сделала компания есть, но хочется сделать самому)

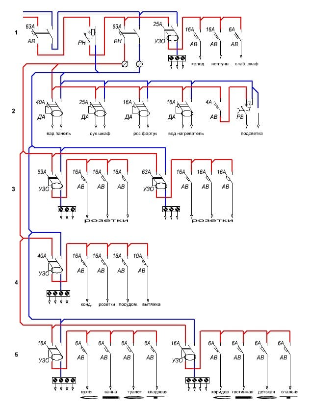
Во вложении приложил схему (именно подборка начинки щитка)
Построить все хочу на ABB.
Трехкомнатная квартира, одна фаза.

1 линия - Автомат, Реле + кросс-модуль (две линии по 15 контактов. 1 линия - Фаза, 2 линия - Ноль)
2 линия - ДИФ автоматы - идут сразу на 1 потребитель или на группу розеток. Реле времени и автомат для защиты катушки контактора
3 линия - идет УЗО и к нему 3 автомата (розетки) + контактор
4 линия - УЗО и автоматы к нему.
5 линия - освещение (все освещение будет идти через контактор)

Подскажите пожалуйста, правильно ли подобрал номиналы модулей?
Так же вопрос по контактору, я выбрал на 63А (ESB63-40N-06 Модульный контактор ABB (63А АС-1, 4НО), катушка 230В AC/DC 3 модуля 1SAE351111R0640), может и такого хватит на 40А - (ESB40-40N-06 Модульный контактор ABB (40А АС-1, 4НО), катушка 230В AC/DC 3 модуля 1SAE341111R0640)
И так же есть вопрос по контактору:
- нужно ли ставить автомат на защиту самого контактора, если да, то как подобрать?
- Правильная ли последовательность? Контактор - УЗО - Автоматы на свет ?


Буду очень признателен за комментарии и замечания.

Заранее всем огромное спасибо
Вложения
Схема щитка.PNG
Реклама
Аватара пользователя
TOPMO3
Сообщения: 4181
Зарегистрирован: 29 фев 2016, 10:37
Репутация: 626
Откуда: Ижевск
Контактная информация:

Проектирование щитка / выбор модулей

Сообщение TOPMO3 » 11 ноя 2023, 21:17

Сказать нечего ... отсутствует инфа по потребляемой мощности приборов и освещения.
Смеюсь последний ... тормоз однако!
AlexTes
Сообщения: 6
Зарегистрирован: 19 окт 2023, 15:42
Репутация: 0
Контактная информация:

Проектирование щитка / выбор модулей

Сообщение AlexTes » 12 ноя 2023, 12:04

По потребляемой мощности все просто:
Варочная панель - 7,2 - 7,5 кВатт
Дух шкаф - 3,3 - 3,5 кВатт
Водонагреватель - 2 - 2,5 кВатт
Розетки на фартуке - тут будет чайник - 2,4кВатт, кофе машина - 1,5 кВатт, микроволновка - 700 Ватт, Комбайн - 700 Ватт. Может что-то еще, но они и не будут одновременно включаться.
Кондиционер - 2,1 - 2,2 кВатт.
Остальные группы розеток не сильно нагружены - телевизор, компьютер и другое - тут автомата на 16А на группу вполне будет достаточно.
Освещение то же не так сильно будет нагружено, 10 Ампер на контур будет достаточно.
Единственное я решил немного переделать, вообще убрал контактор, а поставить просто выключатель нагрузки на 63 Ампера, он будет стоять после реле напряжения и до кросс-модуля и выполнять функцию Автомата-Отпуск. Линия не выключаемых потребителей (холодильник, нептуны, и слаботочный шкаф: камера, роутер) будет питаться параллельно с выключателем нагрузки после реле напряжения. На группу не отключаемых приборов 16 Ампер так же вполне достаточно.
Аватара пользователя
TOPMO3
Сообщения: 4181
Зарегистрирован: 29 фев 2016, 10:37
Репутация: 626
Откуда: Ижевск
Контактная информация:

Проектирование щитка / выбор модулей

Сообщение TOPMO3 » 12 ноя 2023, 17:02

AlexTes писал(а):Источник цитаты Варочная панель - 7,2 - 7,5 кВатт
7,5кВт : 220В = 34А ... надо автомат 40А, провод 6мм.кв.
Дух шкаф - 3,3 - 3,5 кВатт
3,5кВт : 220В = 15,9А ... надо автомат 25А, провод 4мм.кв.
Водонагреватель - 2 - 2,5 кВатт
...11А ...автомат 16А, провод 2,5мм.кв.
Освещение то же не так сильно будет нагружено, 10 Ампер на контур будет достаточно.
имхо и 6А, а то и 4А будет достаточно.
Вложения
1.jpg
2.jpg
Смеюсь последний ... тормоз однако!
Аватара пользователя
sibarit
Сообщения: 308
Зарегистрирован: 09 ноя 2023, 11:53
Репутация: 55
Контактная информация:

Проектирование щитка / выбор модулей

Сообщение sibarit » 13 ноя 2023, 08:41

AlexTes, какое сечение проводов, идущих на вводной автомат?
Возможно Вам также известен номинал вышестоящего автомата? Того автомата, который защищает эти провода.

AlexTes писал(а):Источник цитаты Варочная панель - 7,2 - 7,5 кВатт

Если там два фазных провода, то возможно выгоднее (и логичнее) проложить две фазных линии и защитить каждую? Если место в щитке позволяет конечно.

TOPMO3 писал(а):Источник цитаты
AlexTes писал(а):Источник цитаты Освещение то же не так сильно будет нагружено, 10 Ампер на контур будет достаточно.
имхо и 6А, а то и 4А будет достаточно.

У серьезных производителей автоматический выключатель на 6 ампер дороже, чем на 10. А на 4 ампера - еще дороже. Если сечение проводки на освещение 1,5 кв.мм. то выгоднее всего поставить 10 ампер. IMHO
AlexTes
Сообщения: 6
Зарегистрирован: 19 окт 2023, 15:42
Репутация: 0
Контактная информация:

Проектирование щитка / выбор модулей

Сообщение AlexTes » 13 ноя 2023, 10:34

По сечению провода все стандартно:
Варочная панель - 6 и отсюда диф автомат на 32А
Духовой шкаф - 2,5 и отсюда диф автомат на 16А
Водонагреватель - 6 и отсюда диф автомат на 32А
Кондиционер - 2,5 и отсюда диф автомат на 16А
Группы розеток - 2,5 - автомат 16А - УЗО 25А
Свет - 1,5 - автомат 10А - и УЗО в зависимости от количества автоматов. 4 автомата по 10 А и на них УЗО 63А ( я прочитал что УЗО должно быть выше номинала суммы всех автоматов)

Фаза у меня одна.
В щитке общего коридора стоит автомат на 63А и противопожарное УЗО на 50А.
В щитке в квартире на входе автомат на 63А, далее реле напряжения и кроссу модуль. От кросса модуля уже будет писаться каждый диф и каждое УЗО. До Кросс модуля будет стоять выключатель нагрузки на 63А (который будет выключать подачу питания на кросс модуль - так называемый рубильник "Отпуск", который выключает все кроме неотключаемой линии(холодильник, роутер и камеру). УЗО для неотключаемой линии будет подключаться параллельно Рубильнику Отпуск.
Аватара пользователя
TOPMO3
Сообщения: 4181
Зарегистрирован: 29 фев 2016, 10:37
Репутация: 626
Откуда: Ижевск
Контактная информация:

Проектирование щитка / выбор модулей

Сообщение TOPMO3 » 13 ноя 2023, 14:28

AlexTes писал(а):Источник цитаты Варочная панель - 6 и отсюда диф автомат на 32А
Духовой шкаф - 2,5 и отсюда диф автомат на 16А.
Исходя из Ваших рассуждений ... если на линию питания, варочной панели, проложили провод, сечением в 1,5мм.кв или 10мм.кв. то поставили бы автомат ... соответственный на 10А или на 50А. И все эти действия зависят только от "хотелки" монтажника, а не исходя от потребляемой мощности нагрузки. :biggrin:
Если нет желания, что-то менять ... ограничьте мощность варочной панели до 6кВт, а а духового шкафа до 3кВт.
Смеюсь последний ... тормоз однако!
AlexTes
Сообщения: 6
Зарегистрирован: 19 окт 2023, 15:42
Репутация: 0
Контактная информация:

Проектирование щитка / выбор модулей

Сообщение AlexTes » 13 ноя 2023, 15:15

На сколько мне известно, автомат выбирают как раз исходя из сечения провода, так как автомат защищает провод.
Если варочная панель на 7000 ватт, то диф автомата на 32А вполне хватит. (как часто бывает, что у вас одновременно все 4 конфорки включены на варочной панели?)))
Логично, что на варочную панель в принципе нельзя прокладывать провод 1,5 кв.мм, так как он просто не выдержит 7 кВатт, а 10 кв.мм. это просто уже излишество.
Духовой шкаф у меня будет думаю 3300 Ват, для него диф автомата на 16А хватит за глаза.

Вроде нигде не ошибся)))
Аватара пользователя
TOPMO3
Сообщения: 4181
Зарегистрирован: 29 фев 2016, 10:37
Репутация: 626
Откуда: Ижевск
Контактная информация:

Проектирование щитка / выбор модулей

Сообщение TOPMO3 » 14 ноя 2023, 08:03

AlexTes писал(а):Источник цитаты На сколько мне известно, автомат выбирают как раз исходя из сечения провода, так как автомат защищает провод.
А сначала выбирают провод, исходя из предполагаемой, максимальной мощности нагрузки ...
Смеюсь последний ... тормоз однако!
j112
Сообщения: 1
Зарегистрирован: 24 янв 2024, 07:40
Репутация: 0
Контактная информация:

Проектирование щитка / выбор модулей

Сообщение j112 » 24 янв 2024, 07:46

Всем привет! Вопрос по компоновке электрощитка на даче.
Можно ли вводной автомат и реле напряжения ставить до счетчика? Можно ли вообще что-то ставить перед счетчиком? И есть ли вообще в этом смысл?
Аватара пользователя
TOPMO3
Сообщения: 4181
Зарегистрирован: 29 фев 2016, 10:37
Репутация: 626
Откуда: Ижевск
Контактная информация:

Проектирование щитка / выбор модулей

Сообщение TOPMO3 » 25 янв 2024, 23:11

j112 писал(а):Источник цитаты И есть ли вообще в этом смысл?
1. Любое оборудование, установленное до счетчика, должно быть под пломбой ... т.е. пользователь сможет производить только оперативные включения и отключения, без права менять и переключать;
2. Если в договоре, граница эксплуатационной ответственности, находится на клеммах счетчика ... какой смысл энергосбыту, допускать Вас в свою вотчину ... зарабатывая на свой зад проблемы.
Смеюсь последний ... тормоз однако!


  • Реклама

Вернуться в «Проектирование внутреннего электроснабжения»

Кто сейчас на конференции

Сейчас этот форум просматривают: нет зарегистрированных пользователей и 12 гостей