ББП-30 не заряжает аккумулятор

Вопросы по подключению, выбору, установке и эксплуатации источников бесперебойного питания (ИБП).
Anvi
Сообщения: 1
Зарегистрирован: 02 фев 2024, 16:52
Репутация: 0
Контактная информация:

ББП-30 не заряжает аккумулятор

Сообщение Anvi » 02 фев 2024, 16:59

При первом запуске после отключения электричества, ББП питал инкубатор и аккумулятор разрядился, с тех пор он не заряжается. От сети блок питает инкубатор. Все индикаторы работают
Вложения
IMG_4185.jpeg
IMG_4184.jpeg
IMG_4183.jpeg
Реклама
Аватара пользователя
МБВ
Сообщения: 407
Зарегистрирован: 20 мар 2023, 22:32
Репутация: 78
Контактная информация:

ББП-30 не заряжает аккумулятор

Сообщение МБВ » 02 фев 2024, 19:03

Необходим замер напряжения отключенного аккума и замер напряжения и тока подключенного.
Аватара пользователя
TOPMO3
Сообщения: 4181
Зарегистрирован: 29 фев 2016, 10:37
Репутация: 626
Откуда: Ижевск
Контактная информация:

ББП-30 не заряжает аккумулятор

Сообщение TOPMO3 » 03 фев 2024, 18:23

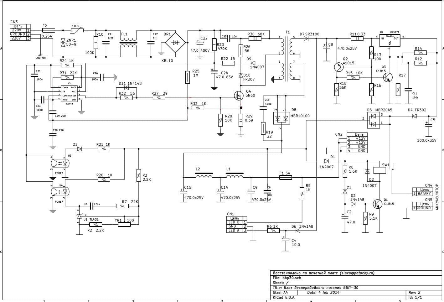
Автор, попробуйте сравнить ... соответствует схема Вашей плате или нет?
Вложения
IMG_2.jpg
Смеюсь последний ... тормоз однако!


  • Реклама

Вернуться в «Источники бесперебойного питания (ИБП)»

Кто сейчас на конференции

Сейчас этот форум просматривают: нет зарегистрированных пользователей и 6 гостей