имеет ли смысл переход с ТТ на TN-C-S?

Вопросы, связанные с устройством и монтажом заземления и зануления. Системы заземления и системы уравнивания потенциалов (СУП), молниезащита, грозозащита и т.п.
raketckii
Сообщения: 4
Зарегистрирован: 05 фев 2024, 07:37
Репутация: 0
Контактная информация:

имеет ли смысл переход с ТТ на TN-C-S?

Сообщение raketckii » 05 фев 2024, 07:56

Добрый день!
Я не являюсь профессионалом в энергетике и электромонтаже поэтому очень хотелось бы услышать мнение специалистов о том что сделано неверно и как это можно исправить.
Небольшой дом в СНТ, выелено 15 киловат. В дом заходит 3 фазы. Система заземления ТТ, сделан свой контур (один шестиметровый электрод от EKF).
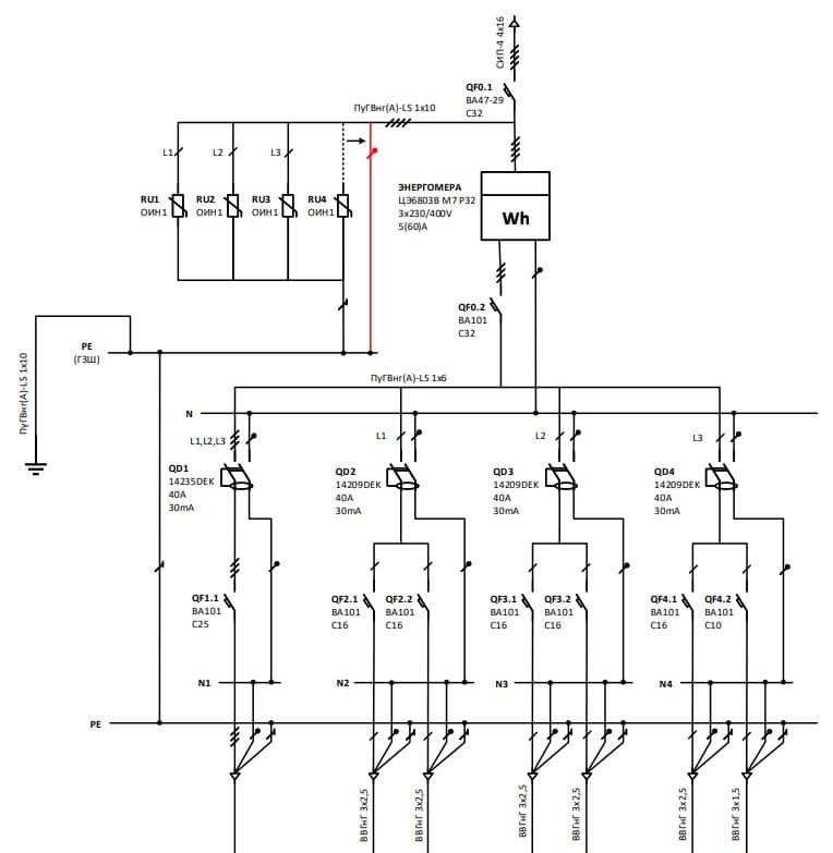
во вложении представлена однолинейная схема и фото щита.
1.JPG
однолинейная схема

3.JPG
фото щита

Да, только не пишите про СИП. Я знаю что его нельзя заводить в дом и нужно оконечивать специальными гильзами. Его планируется заменить на медь и сделать соединение на фасаде с помощью прокалывающих зажимов.
Меня беспокоит то как подключены ОИН-1 (энергомера), кажется что это неправильно.
Может имеет смысл перекинуть нулевой провод с ОИНа на шину заземления как на рисунке ниже?
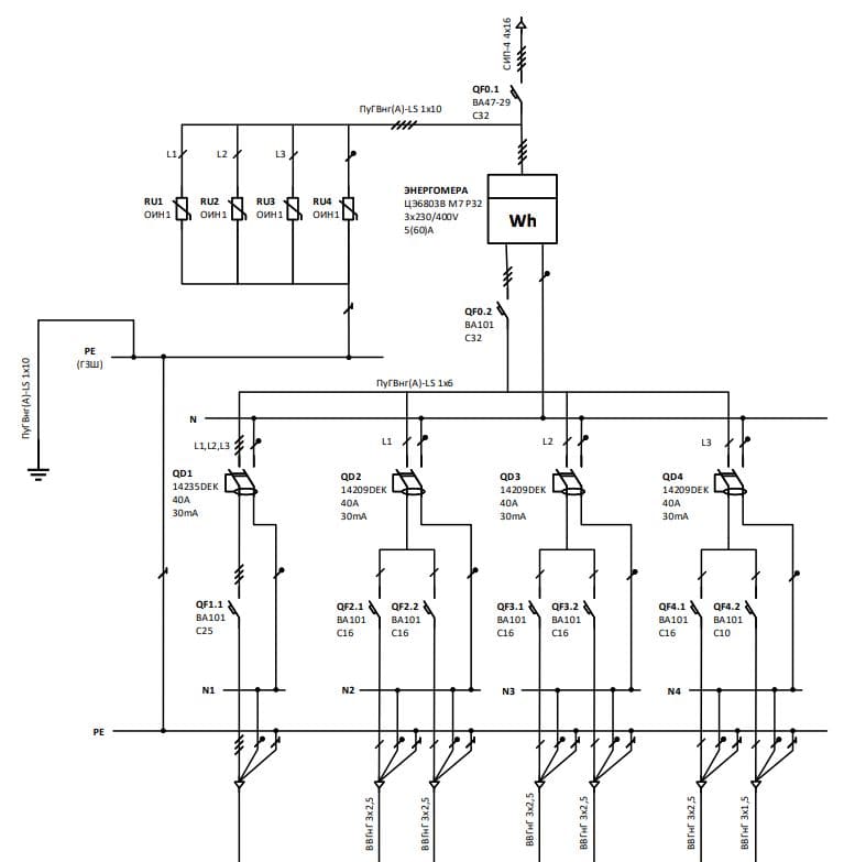
2.JPG
однолинейная схема (изменения)

4.JPG
фото щита (изменения)

Вроде как и ОИНы будут подключенны по инструкции производителя и система заземления станет TN-C-S.
Реклама
Аватара пользователя
TOPMO3
Сообщения: 4181
Зарегистрирован: 29 фев 2016, 10:37
Репутация: 626
Откуда: Ижевск
Контактная информация:

имеет ли смысл переход с ТТ на TN-C-S?

Сообщение TOPMO3 » 05 фев 2024, 08:55

raketckii писал(а):Источник цитаты ... Вроде как и ОИНы будут подключенны по инструкции производителя и система заземления станет TN-C-S.
Мда ...ужжж ...Вы считаете, что, что-то поняли в ихней инструкции ... и даже считаете, что подключили правильно" :rolf2:
Почему Вас не заинтересовал такой вопрос ... Почему, такая, вроде бы серьезная шарага от электрики ... не сумела нарисовать схему подключения, своих, впариваемых народу ОИН_ов? :wink:
Имхо ... потому, что когда у Вас сгорит ... у них будет отмазка, что Вы сделали не по инструкции ... :biggrin:
А сгореть может ... в любую грозу ... и при правильной схеме ... по инструкции ... но виноваты будете Вы. :pardon:
Смеюсь последний ... тормоз однако!
Аватара пользователя
TOPMO3
Сообщения: 4181
Зарегистрирован: 29 фев 2016, 10:37
Репутация: 626
Откуда: Ижевск
Контактная информация:

имеет ли смысл переход с ТТ на TN-C-S?

Сообщение TOPMO3 » 05 фев 2024, 09:43

Как-то у Вас название темы ... не соответствует содержанию поста. :smile:
Вообще-то фиг с ним с содержанием ... все равно схема собрана с большими ошибками ...
Смеюсь последний ... тормоз однако!
raketckii
Сообщения: 4
Зарегистрирован: 05 фев 2024, 07:37
Репутация: 0
Контактная информация:

имеет ли смысл переход с ТТ на TN-C-S?

Сообщение raketckii » 05 фев 2024, 09:57

Мне как раз и кажется что подключено не верно.
Как я понял у этой компании вообще не предусмотренно включение ОИНов в систему ТТ.
Поэтому и возник вопрос о том что бы с минимальными изменениями в щите перейти на TN-C-S это основной вопрос и поэтому и название темы такое
Но давайте абстрагируемся от Энергомеры с их продукцией. Предположим что это будет DeKraft
5.JPG


Поэтому вопрос остается прежним - имеет смысл перекинуть нулевой провод с ОИНа на шину заземления?

все равно схема собрана с большими ошибками ...

Был бы очень благодарен если бы вы указали на них
Аватара пользователя
TOPMO3
Сообщения: 4181
Зарегистрирован: 29 фев 2016, 10:37
Репутация: 626
Откуда: Ижевск
Контактная информация:

имеет ли смысл переход с ТТ на TN-C-S?

Сообщение TOPMO3 » 05 фев 2024, 11:23

Тема очень сложная, писанины, если обсуждать все вопросы будет очень много ... давайте сначала почитайте хотя бы несколько страниц, на эту тему, на другом ресурсе. Скорее всего, Вы с первых тамошних постов сами поймете, что мне не нравится.
https://www.forumhouse.ru/threads/478692/
Молниезащита - это комплексное мероприятие ... то, что требуют от собственников в ПУЭ, должно выполняться после мероприятий выполненных сетевой организацией ... а у них, чаще всего, в этом вопросе даже "муха не сидела".
Вот честная схема от ИЕК_а ... с такой схемой я бы согласился ... ОПС - это те же ОИН_ы.
2.jpg

raketckii писал(а):Источник цитаты Поэтому вопрос остается прежним - имеет смысл перекинуть нулевой провод с ОИНа на шину заземления?
Нулевой провод запрещено соединять с защитными проводами.
Смеюсь последний ... тормоз однако!
raketckii
Сообщения: 4
Зарегистрирован: 05 фев 2024, 07:37
Репутация: 0
Контактная информация:

имеет ли смысл переход с ТТ на TN-C-S?

Сообщение raketckii » 05 фев 2024, 12:10

Я полностью согласен с тем что молниезащита это комплексное мероприятие и защита строится по принципу многоуровневости, но что есть, то есть.
Есть требование и есть уже выполненный монтаж... Как быть? Отключить PE проводник с нижних клемм ОИНов и пусть будет как будет?
все равно схема собрана с большими ошибками ...

Это утверждение касалось только молниезащиты? Или есть еще какие то большие ошибки?

Нулевой провод запрещено соединять с защитными проводами.

Вот здесь мне вообще не понятно. Какое именно требование запрещает такое соединение?
Да запрещено, но вопрос - где именно запрещено, в какой части электроустановки?
По сути я предлагаю сделать разделение PEN на вводе на отдельной шине ГЗШ от которой пойдет PE на свою собственную шину. К ГЗШ так же подключен повторный заземлитель. Разве TN-C-S не так делается?
Аватара пользователя
TOPMO3
Сообщения: 4181
Зарегистрирован: 29 фев 2016, 10:37
Репутация: 626
Откуда: Ижевск
Контактная информация:

имеет ли смысл переход с ТТ на TN-C-S?

Сообщение TOPMO3 » 05 фев 2024, 20:37

В основном, мои притензии именно по молниезащите ... их надо убрать подальше ...желательно на улицу и подальше от дома. Это ведь натуральная мина замедленного действия!
Толку почти никакого, а проблем может преподнести столько, что не расхлебаетесь.
Если, всё же будете собирать, то советую среднюю часть от ИЕК_овской схемы ...с четырьмя УЗИПами.
Если будет отдельный щиток, в районе опоры, то отпадает проблема и "деления" и желания "соединять" N с PE. :)
Вы так и не поняли, что Вы предлагали подключить к ГЗШ "нуль" который прошел коммутацию ...такой провод не имеет права называться PENом.
Смеюсь последний ... тормоз однако!
Аватара пользователя
TOPMO3
Сообщения: 4181
Зарегистрирован: 29 фев 2016, 10:37
Репутация: 626
Откуда: Ижевск
Контактная информация:

имеет ли смысл переход с ТТ на TN-C-S?

Сообщение TOPMO3 » 05 фев 2024, 20:45

По поводу вопроса, в названии темы ... Вы когда-то выбрали систему ТТ, как понимаю, были веские причины, коли отказались от рекомендуемой всеми ГОСТами и ПУЭ, TN-C-S.
Не зная всего этого ... давать какой либо совет, будет большой глупостью, с нашей стороны .
Смеюсь последний ... тормоз однако!
raketckii
Сообщения: 4
Зарегистрирован: 05 фев 2024, 07:37
Репутация: 0
Контактная информация:

имеет ли смысл переход с ТТ на TN-C-S?

Сообщение raketckii » 06 фев 2024, 11:21

По поводу вопроса, в названии темы ... Вы когда-то выбрали систему ТТ, как понимаю, были веские причины, коли отказались от рекомендуемой всеми ГОСТами и ПУЭ, TN-C-S.
Не зная всего этого ... давать какой либо совет, будет большой глупостью, с нашей стороны .

Когда строился дом сети по поселку были старые, 70-х годов. Поэтому изначально была выбрана ТТ. Недавно провели модернизацию с заменой опор и проводов на СИП и как бы получается, что сейчас ТТ уже не так актуальна.
Спасибо за ответы.
В принципе я понял что самым простым вариантом сейчас будет оставить ТТ, а у ОИНов скинуть с нижних клемм гребенку.


  • Реклама

Вернуться в «Заземление и молниезащита»

Кто сейчас на конференции

Сейчас этот форум просматривают: нет зарегистрированных пользователей и 9 гостей