МБВ писал(а):Источник цитаты Это не предохранитель, это разъёмный контакт.
Какой смысл, на разъемный контакт писать величину тока?МБВ писал(а):Источник цитаты Это не предохранитель, это разъёмный контакт.
Вот Вы их вынимали и даже сравнивали! А мы такое видим первый раз ... не применяются (и не применялись раньше), такие у нас.Duval писал(а):Источник цитаты... Но кроме наклейки с надписью он от "соседа" ничем не отличается.
Я и тот, и другой вынимал, осматривал, они абсолютно одинаковые.
Нам не понятно, что Вы собираетесь заменить и на что ... зачем Вам понадобился "современный стиль" если всё нормально функционирует?Если я его "соседа" заменю на современный стиль, то и этот "разъёмный контакт" можно так же заменить?
Это понятно ... не понятно, что мы можем посоветовать, не зная Ваших стандартов.Duval писал(а):Источник цитаты... А менять это всё равно надо. Все обязаны иметь стандартное электро-оборудование.
Все Ваши фобии, насчет излучении - глупость. Там устанавливается маломощный светодиод (абсолютно безвредная), которая мигает с переменной частотой (то редко, то часто) ...т.е. чем больше включено потребителей в розетки, тем чаще мигает.... А теперь одна безликая ядовито-зелёного цвета коробка, в ней изредка вспыхивает зелёный глаз. Эта гадость излучает волны и отправляет информацию о расходе энергии на узел. Я сделал жестяной короб, обмотал его свинцовой оболочкой и закрыл эту хрень. На моей фотке она размытая.


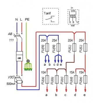
TOPMO3 писал(а):Источник цитаты Имхо это плавкие вставки.
Меня смущает то, что они и на "нулях" установлены ...
Я тоже этот вопрос озвучивал, но ...sibarit писал(а):Источник цитаты Я бы не стал ничего трогать. Все сделано на века и проработает еще очень долго.
Duval писал(а):Источник цитаты А менять это всё равно надо. Все обязаны иметь стандартное электро-оборудование.

TOPMO3 писал(а):Источник цитаты Снимите все преграды, и сфоткайте, всё оборудование, установленные до счетчика и после счетчика
sibarit писал(а):Источник цитаты Legrand даже калиброванную проволоку для восстановления предохранителей выпускает и продает потребителю.
А я и не просил их вскрывать, просил сфотографировать крупнее и сообщить, что это такое (если знаете их предназначение) ... по фото, по знакам и надписям и Вашему объяснению, надеюсь разберемся, что за прибор.Duval писал(а):Источник цитаты Нет, что вы, я не могу эти коробочки трогать, я только предохранители могу заменить.
Спасибо ... теперь понятно, никогда таких не приходилось видеть.Duval писал(а):Источник цитаты Для примера взял один из запасных предохранителей.
Как понимаю, это просто такие же предохранители, просто более компактно собраны ... если, во Франции, они относятся к "стандартному электро-оборудованию" ... зачем Вы собрались менять имеющийся?Duval писал(а):Источник цитаты И сфоткал более новый блок на рамке, который можно либо целиком, либо частично установить для замены.
Нет, это давно не новый вариант (по крайней мере у нас) ... это модульный прибор, называется "дифавтомат" ... прибор в корпусе которого собраны два прибора (УЗО + автомат). Если коротко ... он защищает:Duval писал(а):Источник цитаты И ещё один совсем новый вариант, он без заменяемого предохранителя. Там в случае перегрузки рычажок отключается.

TOPMO3 писал(а):Источник цитаты это давно не новый вариант (по крайней мере у нас) ... это модульный прибор, называется "дифавтомат"
Вернуться в «Вопросы от "чайника"»
Сейчас этот форум просматривают: нет зарегистрированных пользователей и 8 гостей