Проходные выключатели для чайника (меня)

Обсуждение и решение проблем с уличным и внутридомовым освещением, люминесцентные и светодиодные лампы, установка и схемы подключение светильников и люстр, ремонт, пускорегулирующая аппаратура (ПРА), дросселя, ИЗУ и т.п.
rolex789
Сообщения: 8
Зарегистрирован: 14 дек 2015, 19:19
Репутация: 0
Контактная информация:

Проходные выключатели для чайника (меня)

Сообщение rolex789 » 21 мар 2024, 22:20

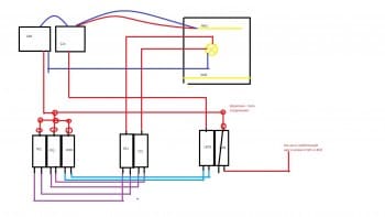
Всех приветсвую, возник вопрос. Касается он проходных выключателей.
Ниже я прикрепил "схему". Опишу для понимания. Все выключатели - проходные. Суть ведь каждого переключателя это в двухклавшином по сути 2 одноклавишных устройства и так же в трехклавишном переключателе. Правильно ли я это понимаю?
1 выключатель на 3 кнопки
2 выключатель на 2
3 выключатель так же на 2 (он самый нижний)
В комнате 3 основных зоны света
Главный - люстра на пополам
LED 1 - для шкафа
LED 2 - для шторной щели.

Получается так:
1 выключатель отвечает за 1-пол люстры 2-пол люстры 3- LED1
2 выключатель - 1 - пол люстры 2 - пол люстры
3 выключатель - 1-LED1 2- LED2
Суть такова, что LED 2 будет работать с одной кнопки хоть это будет и проходной переключатель. Просто кину уходящую фазу на нормально разомкнутый контакт. Далее уведу эту фазу в слаботочный щит на БП понижайку (N возьму с силового щита) и уже с БП поведу кабель непосредственно к точку подсветки. (Тут возникает доп вопрос. От блока питания до подсветки (длина которой будет до 5м) провод (2х1.5мм) примерно 15-20метров. Не будет ли сильных просадок или лучше брать ленты и БП на 24В)

Вернусь к основному вопросу. Нарисовал примитивно на второй схеме что я хочу сделать. Правильно ли я понимаю/ что любые проходные переключатели я могу вязать с любыми другими без каких либо проблем. Типо 3 клавишный схематично/ в голове дробить на 3 одноклавишных и так же их соединять. Главное раскидать фазу на один а со второго уже вести в нужную точку.
Я извиняюсь что тут так все навалено, надеюсь схема понятна и читаема. Помогите пожалуйста разобраться :wink:
Вложения
Схема 2.jpg
Схема 1.jpg
Реклама
Аватара пользователя
TOPMO3
Сообщения: 4181
Зарегистрирован: 29 фев 2016, 10:37
Репутация: 626
Откуда: Ижевск
Контактная информация:

Проходные выключатели для чайника (меня)

Сообщение TOPMO3 » 22 мар 2024, 09:11

Здравствуйте
rolex789 писал(а):Источник цитаты Я извиняюсь что тут так все навалено, надеюсь схема понятна и читаема. Помогите пожалуйста разобраться
Я извиняюсь ... но к сожалению, ничего, из написанного, не понятно. А схема ... так схемы тут и нету, а есть какие-то каракули с элементами и умопомрачительными соединениями. :negative:
Если есть желание разобраться:
... составьте список осветительных приборов, с их параметрами, по питанию (пример: лед лента №1 =12В, 15Вт.);
... указать, по каждому прибору способ управления (выключатель, с одного места или с двух мест)
... огласите имееющиеся источники питания и их параметры.
На основании Вашей информации и нарисуем требуюмую схему. :yes:
Смеюсь последний ... тормоз однако!
rolex789
Сообщения: 8
Зарегистрирован: 14 дек 2015, 19:19
Репутация: 0
Контактная информация:

Проходные выключатели для чайника (меня)

Сообщение rolex789 » 25 мар 2024, 08:58

А если упростить вот так.

1-трех клавишный переключатель (Люстра 220: Люстра 220: LED1 12v)

2-двух клавишный переключатель (Люстра 220: Люстра 220)

3- двух клавишный переключатель ( LED1 12v: led2 12v)
Аватара пользователя
aleksey.RU
Сообщения: 1397
Зарегистрирован: 12 сен 2022, 15:17
Репутация: 137
Откуда: СССР
Контактная информация:

Проходные выключатели для чайника (меня)

Сообщение aleksey.RU » 25 мар 2024, 09:07

rolex789 писал(а):Источник цитаты Правильно ли я понимаю/ что любые проходные переключатели я могу вязать с любыми другими без каких либо проблем

переключатели бывают двух видов:
1. Конечные (т.е 2 переключателя на одну лампу)
2. Промежуточные (т.е когда ставится ещё один м/у конечными)
Альбом электромонтажника
https://shop220.ru/images/data/gallery/68_378_album.pdf
И избегайте коммутации низкого напряжения 12 и 24 В выключателями - подгорят из за большого тока нагрузки
Тот, кто пытается использовать методы, не зная принципов, обречен на неудачу
Аватара пользователя
sibarit
Сообщения: 308
Зарегистрирован: 09 ноя 2023, 11:53
Репутация: 55
Контактная информация:

Проходные выключатели для чайника (меня)

Сообщение sibarit » 25 мар 2024, 09:31

rolex789 писал(а):Источник цитаты Далее уведу эту фазу в слаботочный щит на БП понижайку (N возьму с силового щита) и уже с БП поведу кабель непосредственно к точку подсветки.

Правильнее смонтировать БП низкого напряжения непосредственно у светильника.

aleksey.RU писал(а):Источник цитаты Промежуточные

Еще они называются перекрестными.
Аватара пользователя
aleksey.RU
Сообщения: 1397
Зарегистрирован: 12 сен 2022, 15:17
Репутация: 137
Откуда: СССР
Контактная информация:

Проходные выключатели для чайника (меня)

Сообщение aleksey.RU » 25 мар 2024, 09:43

А ещё вариант, если сложное освещение, то ставят импульсное (бистабильное, поляризованное) реле и вместо выключателей кнопки "выключателеобразные". Управление, хоть с тысячи мест
Скриншот 25-03-2024 094731.jpg
Тот, кто пытается использовать методы, не зная принципов, обречен на неудачу


  • Реклама

Вернуться в «Освещение и источники света»

Кто сейчас на конференции

Сейчас этот форум просматривают: нет зарегистрированных пользователей и 12 гостей