Дом 1905 года. Ревизиция щитка и заземление в воздухе

Принцип работы, типы и разновидности, выбор, проверка, схемы подключения, причины отключения и т.п.
kds_dmitry
Сообщения: 3
Зарегистрирован: 16 май 2024, 10:17
Репутация: 0
Контактная информация:

Дом 1905 года. Ревизиция щитка и заземление в воздухе

Сообщение kds_dmitry » 16 май 2024, 10:56

Добрый день. До недавнего времени был с электричеством на Вы. Переехали в квартиру дома 1905 года постройки и пришлось перечитать тонны литературы чтобы разобраться в проблеме.
Проблема: хочу разобраться с заземлением и модернизировать щиток для безопасности.
Предпосылки: посудомойка пробила на корпус и при прикосновении к раковине и посудомойке пробило 55-70 Вольт на кухне( или это работа ФПС сетевого фильтра на корпус). После тестером замерил землю тестером и мультиметром - есть напруга на земле в любой розетке квартиры. Полез в щиток смотреть что до квартиры и в квартире( ремонт лет 25 прошло с монтажа от предыдущих владельцев).
Плюс на новой стиральной машине на барабане 90В, тк работает ФПС и в квартире нет заземления.

Фото прилагаю. Благодарен за ваши советы.

Что хочу сделать минимум: разобраться с заземлением.
Что хочу сделать максимум: усовершенствовать щиток и поставить несколько Дифф/УЗО на кухню и ванную, реле напряжения - тк хочу убрать ФПС с стиральной машины и посудомойки, иные ваши рекомендации чтобы обеспечить безопасность в квартире до момента проведения капитального ремонта в 2033 году( когда появится заземление в доме на этажах).

На этаже
photo_2024-05-16 10.29.54.jpeg



В квартире
photo_2024-05-16 10.30.00.jpeg


photo_2024-05-16 10.32.59.jpeg

photo_2024-05-16 10.30.13.jpeg

photo_2024-05-16 10.30.09.jpeg

photo_2024-05-16 10.30.05.jpeg

photo_2024-05-16 10.30.03.jpeg

photo_2024-05-16 10.33.03.jpeg



Мои наблюдения:
1. В щитке на этаже нет заземления - дом 1905 года.
2. В квартирном щитке опять подключение идёт снизу наверх( заводится снизу фаза от счётчика или тут неправ?) тк цифра 1 на двухполюсном автомате стоит сверху.
3. В общем щитке собрано подключение фазы снизу - нагрузку забирает сверху в квартиру( по идее ПУЭ надо подключать к статическим контактам, а тут наоборот)\
4. В квартире полностью не соблюдается цвета по фаза -ноль. В квартире фаза синем, ноль - белым.
5. Все потребители заведены на шину заземления, а сама шина заземления в воздухе - никуда не идёт. НИ на ноль(что пишут небезопасно), но на щиток на этаже. Получается , если пробивает 1 прибор - то через заземление в розетке идёт до шины заземления в щитке, и далее разносится по всем розеткам всей квартиры обратно через заземляющий провод.
6. Стоит только 1 УЗО на 300 мА. При нажатии кнопки тест - не срабатывает. Похоже перегорел.
7. Счётчик старый, неопломбированный. Нужна замена и пломбировка и МОЭК

Что думаю сделать:
1. 25 мая приедет электрик. Не буду своими руками делать. Пусть сделает специалист
2. Убрать громоздкий счётчик и поставить маленький, пусть и пока не пломбированный и освободить место под Дифы и узо и реле напряжения
3. Заземление. Разобрать шину заземления тк она висит в воздухе. Тут непонятно надо ли из розеток землю убирать?? Или есть вариант кинуть мою шину земли на корпус щитка в подъезде?? Можно ли так сделать - вижу там болт с заземлением на щиток на этаже
4. Поставить несколько дифф - узо на группу Стиралка, нагреватель, посудомойка на 30мА
5. Поставить дифф - узо на квартиру на 100 мА
6. Поставить реле напряжения на квартиру. Тк понятно скачки напряжения и я хочу снять с стирали и посудомойки ФПС( которые на корпус кидают напряжение). Те убрать защиту с техники, но поставить реле напряжения

Спасибо за ваши советы
Реклама
Аватара пользователя
TOPMO3
Сообщения: 4181
Зарегистрирован: 29 фев 2016, 10:37
Репутация: 626
Откуда: Ижевск
Контактная информация:

Дом 1905 года. Ревизиция щитка и заземление в воздухе

Сообщение TOPMO3 » 16 май 2024, 12:15

kds_dmitry писал(а):Источник цитаты Получается , если пробивает 1 прибор - то через заземление в розетке идёт до шины заземления в щитке, и далее разносится по всем розеткам всей квартиры обратно через заземляющий провод.
:good: Верно соображаете ...
kds_dmitry писал(а):Источник цитаты 3. Заземление. Разобрать шину заземления тк она висит в воздухе. Тут непонятно надо ли из розеток землю убирать??
Заземление, бывшим жильцом собрано на перспективу "до момента проведения капитального ремонта" ... пусть дождется ... не надо разбирать.
kds_dmitry писал(а):Источник цитаты Тут непонятно надо ли из розеток землю убирать??
Надо, пока, разорвать всю сеть заземления, что-бы не было переноса напряжения с одного оборудования на другой ... вариантов два ... или отсоединять в розетках, или на шине. :pardon:
kds_dmitry писал(а):Источник цитаты вариант кинуть мою шину земли на корпус щитка в подъезде?? Можно ли так сделать - вижу там болт с заземлением на щиток на этаже
Такое подключение называется "зануление" ... оно запрещено, по всем нормативам, в жилых домах и квартирах.
kds_dmitry писал(а):Источник цитаты 5. Поставить дифф - узо на квартиру на 100 мА
Не надо ... лишние траты денег и места в щитке.
Такое УЗО применяется на протяженных линиях питания ... для защиты кабеля (в основном, в частном секторе).
kds_dmitry писал(а):Источник цитаты 6. Поставить реле напряжения на квартиру. Тк понятно скачки напряжения
А мне не понятно ... с чего Вы взяли, что в сети имеются постоянные "скачки напряжения"? Сколько вот уже живу ... ни разу не наблюдал сие явление. :nea:
kds_dmitry писал(а):Источник цитаты и я хочу снять с стирали и посудомойки ФПС( которые на корпус кидают напряжение).
А как Вы думаете ... на хрена, производители тратят лишние деньги, устанавливая в оборудование, эти ФПС? И с чего Вы решили, что они "кидают напряжение"? Если действительно, что они причина появления напруги на корпусе, то скорее всего, они неисправны ... почему бы их не отремонтировать?
kds_dmitry писал(а):Источник цитаты при прикосновении к раковине и посудомойке пробило 55-70 Вольт на кухне( или это работа ФПС сетевого фильтра на корпус)
Соедините кусочком провода, корпус посудомойки и раковину.
kds_dmitry писал(а):Источник цитаты После тестером замерил землю тестером и мультиметром
Напруга, на "земле", относительно чего?
kds_dmitry писал(а):Источник цитаты- есть напруга на земле в любой розетке квартиры.
Это могла быть и "наводка" ... большая сеть "заземления" висящая в воздухе (не подключенная) + проложенная рядом, с большой сетью фазовых проводов.
Смеюсь последний ... тормоз однако!
kds_dmitry
Сообщения: 3
Зарегистрирован: 16 май 2024, 10:17
Репутация: 0
Контактная информация:

Дом 1905 года. Ревизиция щитка и заземление в воздухе

Сообщение kds_dmitry » 16 май 2024, 12:49

TOPMO3 писал(а):Источник цитаты Верно соображаете ...

Спасибо за первый комментарий к моему посту!
TOPMO3 писал(а):Источник цитаты kds_dmitry писал(а):
Источник цитаты 3. Заземление. Разобрать шину заземления тк она висит в воздухе. Тут непонятно надо ли из розеток землю убирать??
Заземление, бывшим жильцом собрано на перспективу "до момента проведения капитального ремонта" ... пусть дождется ... не надо разбирать.

получается если оставить висящую землю - то так и будет постоянно происходить - заземление будет срабатывать от 1 прибора так и гулять по всей шине заземления всей квартиры... чем висящая линия заземления лучше, чем просто оставить фаза и ноль?

TOPMO3 писал(а):Источник цитаты kds_dmitry писал(а):
Источник цитаты и я хочу снять с стирали и посудомойки ФПС( которые на корпус кидают напряжение).
А как Вы думаете ... на хрена, производители тратят лишние деньги, устанавливая в оборудование, эти ФПС? И с чего Вы решили, что они "кидают напряжение"? Если действительно, что они причина появления напруги на корпусе, то скорее всего, они неисправны ... почему бы их не отремонтировать?

ну я читал, что ФПС ставят от помех и перебоев, поэтому ФПС заземление с корпусом стиралки специально. Поэтому в нтструкции пишут "обязательно стиралка в розетку с заземлением". Это было на старой машинке(напряжение на корпусе и барабане) так и на машинке с ФПС напряжение , что я купил вчера - абсолютно новая машинка. Меряю мультиметром между собой и барабаном 90ВОльт. Между трубой стояка и барабаном 80В на новой машинке.

TOPMO3 писал(а):Источник цитаты Соедините кусочком провода, корпус посудомойки и раковину.
kds_dmitry писал(а):
Источник цитаты После тестером замерил землю тестером и мультиметром

А это точно выход выровнить потенциалы? а если я возьмусь между раковиной и трубой газовой. Мне кажется не выход. Я ж не буду газовую трубу и раковину тоже проволокой соединять...
TOPMO3 писал(а):Источник цитаты Напруга, на "земле", относительно чего?
kds_dmitry писал(а):
Источник цитаты- есть напруга на земле в любой розетке квартиры.
Это могла быть и "наводка" ... большая сеть "заземления" висящая в воздухе (не подключенная) + проложенная рядом, с большой сетью фазовых проводов.


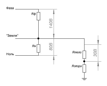
Фаза - земля 140В
Ноль земля 80В
Земля и я ( мультиметр 1 зажал пальцем, второй на землю) 30 В

И так на всех розетках
Аватара пользователя
TOPMO3
Сообщения: 4181
Зарегистрирован: 29 фев 2016, 10:37
Репутация: 626
Откуда: Ижевск
Контактная информация:

Дом 1905 года. Ревизиция щитка и заземление в воздухе

Сообщение TOPMO3 » 16 май 2024, 13:20

kds_dmitry писал(а):Источник цитаты а если я возьмусь между раковиной и трубой газовой.
Какой смысл в этих экспириментах? Зачем хвататься, за всё что ни попадя? Газовые трубы, на вводе в дом, имеют изолирующие прокладки ... на них по умолчанию, нет земли. На них может появится напруга при подключении к электрофицированной плитке, стальной трубой (в любой квартире) ... (у меня, лично, соединение кислородным шлангом :secret: ).
Смеюсь последний ... тормоз однако!
Аватара пользователя
TOPMO3
Сообщения: 4181
Зарегистрирован: 29 фев 2016, 10:37
Репутация: 626
Откуда: Ижевск
Контактная информация:

Дом 1905 года. Ревизиция щитка и заземление в воздухе

Сообщение TOPMO3 » 16 май 2024, 13:35

kds_dmitry писал(а):Источник цитаты Фаза - земля 140В
Ноль земля 80В
Так какой смысл от этих измерений ... у Вас же земля в воздухе ... к ней подключены фильтра нескольких оборудований (параллельно).
kds_dmitry писал(а):Источник цитатыЗемля и я ( мультиметр 1 зажал пальцем, второй на землю) 30 В
Ваше тело + дом = какое сопротивление?
Вложения
1C.jpg
Последний раз редактировалось TOPMO3 16 май 2024, 18:31, всего редактировалось 1 раз.
Смеюсь последний ... тормоз однако!
kds_dmitry
Сообщения: 3
Зарегистрирован: 16 май 2024, 10:17
Репутация: 0
Контактная информация:

Дом 1905 года. Ревизиция щитка и заземление в воздухе

Сообщение kds_dmitry » 16 май 2024, 14:57

TOPMO3 писал(а):Источник цитаты
kds_dmitry писал(а):Источник цитаты Фаза - земля 140В
Ноль земля 80В
Так какой смысл от этих измерений ... у Вас же земля в воздухе ... к ней подключены фильтра нескольких оборудований (параллельно).
kds_dmitry писал(а):Источник цитатыЗемля и я ( мультиметр 1 зажал пальцем, второй на землю) 30 В
Ваше тело + дом = какое сопротивление?

Не понял вопроса. Типо должно быть 60В?
Аватара пользователя
TOPMO3
Сообщения: 4181
Зарегистрирован: 29 фев 2016, 10:37
Репутация: 626
Откуда: Ижевск
Контактная информация:

Дом 1905 года. Ревизиция щитка и заземление в воздухе

Сообщение TOPMO3 » 16 май 2024, 18:39

kds_dmitry писал(а):Источник цитаты Не понял вопроса. Типо должно быть 60В?
Вопрос, там был, риторический ... типа пытался Вам объяснить, что эти Ваши измерения никакой информации не дают ... :pardon:
Смеюсь последний ... тормоз однако!
Аватара пользователя
sibarit
Сообщения: 308
Зарегистрирован: 09 ноя 2023, 11:53
Репутация: 55
Контактная информация:

Дом 1905 года. Ревизиция щитка и заземление в воздухе

Сообщение sibarit » 17 май 2024, 08:50

TOPMO3 писал(а):Источник цитаты На них может появится напруга при подключении к электрофицированной плитке

У меня нержавеющая сильфонная подводка и изолирующая полудюймовая вставка между отводом газового стояка и подводкой :yes:


  • Реклама

Вернуться в «УЗО и дифференциальные автоматы»

Кто сейчас на конференции

Сейчас этот форум просматривают: Google [Bot] и 7 гостей