Вам нужна готовая схема или есть желание разработать?Vipra писал(а):Источник цитаты Добрый день. Нет ли у кого-нибудь релейно-контакторных схем подключения трехфазного двигателя, которые работают по следующим алгоритмам:
1) "пуск" - 1 мин вперед - 1 мин назад и т.д. до нажатия кнопки "стоп". Время работы вперед/назад регулируемое, указано ориентировочно.
2) "пуск" - вперед - при возникновении перегрузки по току (заклинивании механизма) 10 сек назад - потом опять вперед и т.д. до нажатия кнопки "стоп".
Большое спасибо если поделитесь информацией.
Vipra писал(а):Источник цитаты 1) "пуск" - 1 мин вперед - 1 мин назад и т.д. до нажатия кнопки "стоп". Время работы вперед/назад регулируемое, указано ориентировочно.
Vipra писал(а):Источник цитаты Сколько реле времени? Одно? Два? Схема подключения?
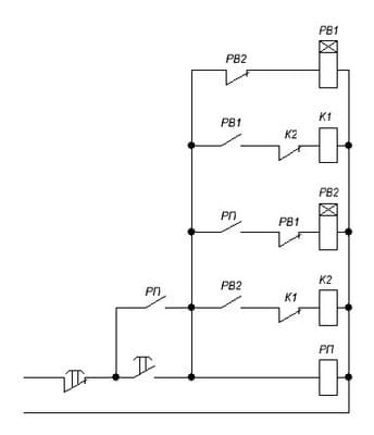
Мультивибратор на реле с периодом в 2 мин.Vipra писал(а):Источник цитаты ...алгоритм:
1) "пуск" - 1 мин вперед - 1 мин назад и т.д. до нажатия кнопки "стоп". Время работы вперед/назад регулируемое, указано ориентировочно.
TOPMO3 писал(а):Источник цитаты Первый режим ... мультивибратор, так примерно ...
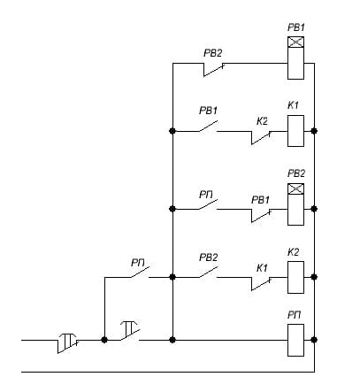
В ТЗ это не освещалось ... подключайте крановые движки ... им не "поплохеет".Vipra писал(а):Источник цитатыTOPMO3 писал(а):Источник цитаты Двигатель реверсируется минуя стоп, не будет ли этот режим тяжел для двигателя?

С такими тоже не работал, это два реле в одном корпусе или у него есть какие-то особенности?tupos писал(а):Источник цитаты Достаточно одного, но с двумя независимыми каналами
Вот с этого и надо начинать ... с определения нужных (и имеющихся в производстве) элементов ... мои выложенные схемы - чистая теория ...Vipra писал(а):Источник цитаты... не понятно на каких элементах она собрана (верхняя рейка, справа) там схема работает через "стоп" и нет промежуточных реле, но есть, похоже, третье реле времени.

Прежде всего надо знать параметры нагрузки (скорость перемещения, инерционность и т.д.и т.п.) ... может после отключения питания (К1 и К2) двигатель и так остановится ... а если имеется большая инерция, то так и так надо будет иметь тормоз, а если они будут - добавить в схему, катушку тормоза (с соответствующим управлением), не вопрос, думаю.Vipra писал(а):Источник цитатыДвигатель еще точно не знаю какой, но вряд ли крановый. Похоже надо думать как работать через "стоп".

Реле много всяких ... RT-10 - тоже подходит например.Vipra писал(а):Источник цитаты ... в принципе есть аналогичные устройства по более демократичной цене, например http://meandr.ru/rele-vremeni-timer-tsi ... e-rvc-p-15 или http://www.100amper.ru/catalog/timers/t ... _1726.html
Единственный недостаток отсутствие инфы ... с Вашей стороны ... по условиям работы двигателя.Vipra писал(а):Источник цитатыЕдинственный недостаток, что двигатель будет работать минуя "стоп"

Верю ... но, схемы разрабатываются не на все случаи жизни, а по вполне известным параметрам и свойствам оборудования.ПАВ писал(а):Источник цитаты Да хоть вентилятор, а без паузы и останова ротора там такое будет...

TOPMO3 писал(а):Источник цитатыВерю ... но, схемы разрабатываются не на все случаи жизни, а по вполне известным параметрам и свойствам оборудования.ПАВ писал(а):Источник цитаты Да хоть вентилятор, а без паузы и останова ротора там такое будет...
Воть ... предварительная ...Vipra писал(а):Источник цитаты2) "пуск" - вперед - при возникновении перегрузки по току (заклинивании механизма) 10 сек назад - потом опять вперед и т.д. до нажатия кнопки "стоп".
Вернуться в «Контакторы, пускатели, реле, датчики, кнопки и т.п.»
Сейчас этот форум просматривают: нет зарегистрированных пользователей и 3 гостя