АД80В4У3 Треугольник или звезда??

Выбор, пуск, схемы подключения и соединения обмоток, реверс различных электродвигателей.
Аватара пользователя
Dzaki
Сообщения: 8
Зарегистрирован: 09 май 2016, 05:32
Репутация: 0
Контактная информация:

АД80В4У3 Треугольник или звезда??

Сообщение Dzaki » 09 май 2016, 06:10

Всем доброго ..... !!!
Форумчане, профи - дайте совет.
Есть движок: АД80И4У3 где не прочитаю, пишут, что чуть ли ни должен и обязан распотрошить движку и достать от туда ещё три конца для сборки треугольника. Да, я не спорю, движка на 380V, ,,,да, на шильдике стоит Y(звезда) и в крышке три вывода. Я что не смогу его подключить к 220V и сделать на нем реверс??? Я в курсе о потере мощности,,, ,,,да, я не получу своих 1.5кВт Но на сколько я знаю при включении в звезду мощность теряется аж на 50% но при включении в треугольник всего на 30-35% цифры примерные, ну как то так. Может у кого есть, какие нибудь нестандартные решения включения двигателей на 380V в сеть 220V кроме описанных в ин-ете. Поделитесь, плиз, если не жалко. За ранее благодарствую.
Реклама
ПАВ
Сообщения: 7647
Зарегистрирован: 13 авг 2015, 19:54
Репутация: 923
Откуда: Одесса
Контактная информация:

АД80В4У3 Треугольник или звезда??

Сообщение ПАВ » 09 май 2016, 08:27

Не жалко, можете включать как угодно, в т.ч. и через конденсатор в однофазную сеть. Для точила, возможно и хватит. И реверс получится. Вы если пишете что-то, то и нагрузку укажите, она тоже как-бы немного имеет значение. А так- ваш мотор, вам и решать.
В жизни все не так, как на самом деле...
Аватара пользователя
Dzaki
Сообщения: 8
Зарегистрирован: 09 май 2016, 05:32
Репутация: 0
Контактная информация:

АД80В4У3 Треугольник или звезда??

Сообщение Dzaki » 09 май 2016, 09:27

ПАВ - понял. Да я бы ни сказал что там будет большая нагрузка, прокат труб через редуктор. Диаметр труб не большой. Там движка стояла на 300 Вт. или того меньше. Сейчас ёкнулась. Но в наличии оказалась вот эта. Почему бы и не приспособить??? По креплению подошла. Вот соображаю. Хотел через пускатели сделать, но тогда надо что бы кнопка с возвратом была(что бы пусковой кондер отцепить). А так как я такой не знаю пока, сижу изучаю. Смогу так сделать или нет. На переключателях и кнопки собирается а вот на пускателях??? Если есть какие предложения, буду признателен выслушать и обсудить.
ПАВ
Сообщения: 7647
Зарегистрирован: 13 авг 2015, 19:54
Репутация: 923
Откуда: Одесса
Контактная информация:

АД80В4У3 Треугольник или звезда??

Сообщение ПАВ » 09 май 2016, 10:27

Гугл выдаст вам тыщу схем с конденсатором.
В жизни все не так, как на самом деле...
Аватара пользователя
TOPMO3
Сообщения: 4181
Зарегистрирован: 29 фев 2016, 10:37
Репутация: 626
Откуда: Ижевск
Контактная информация:

АД80В4У3 Треугольник или звезда??

Сообщение TOPMO3 » 09 май 2016, 16:43

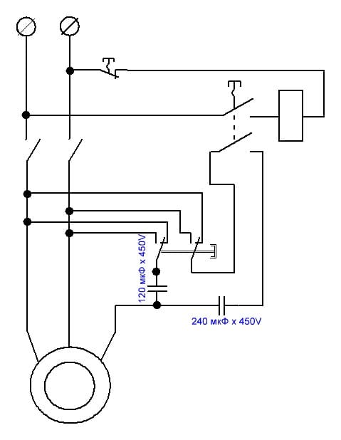
Dzaki писал(а):Источник цитаты Хотел через пускатели сделать, но тогда надо что бы кнопка с возвратом была
avr.JPG
avr.JPG (16.08 КБ) 2676 просмотров

(что бы пусковой кондер отцепить).
1.jpg
1.jpg (10.71 КБ) 2676 просмотров

А так как я такой не знаю пока, сижу изучаю. Смогу так сделать или нет. На переключателях
2.jpg

и кнопки собирается а вот на пускателях??? Если есть какие предложения, буду признателен выслушать и обсудить.
Смеюсь последний ... тормоз однако!
Аватара пользователя
elalex
Сообщения: 7423
Зарегистрирован: 21 июл 2015, 08:08
Репутация: 591
Откуда: [email protected]
Контактная информация:

АД80В4У3 Треугольник или звезда??

Сообщение elalex » 09 май 2016, 23:54

Пусковая кнопка ПНВС - 10А.
Одиночный свободный электрик
Опыт ремонтов квартир 20лет
Высшее электрическое образование
Бывший инженер-электрик
Пенсионер
64 года
Пишу для владельцев частного жилья
Запасной E–mail для россиян: [email protected]
Аватара пользователя
Dzaki
Сообщения: 8
Зарегистрирован: 09 май 2016, 05:32
Репутация: 0
Контактная информация:

АД80В4У3 Треугольник или звезда??

Сообщение Dzaki » 10 май 2016, 06:52

В подобную схему на картинке 1.jpg пытался реверс засунуть на переключателе из трёх контактов, пусковой мешает - пришлось ставить вторую тройку контактов. Сейчас схему найду, покажу. С выключателем на два положения, чёт ни совсем понял прикол??? он с возвратом???. Я просто с таким не работал. Реверс на данную установку надо. Пацанам предложил инвертор собрать с ~200V на ~380V(3-фазы) и проблем не знать. Ну по крайне мере, пилорама уже год работает и прекрасно себя чувствует. По крайней мере велосипед изобретать не надо.За цену узнали, у виска покрутили.
Аватара пользователя
elalex
Сообщения: 7423
Зарегистрирован: 21 июл 2015, 08:08
Репутация: 591
Откуда: [email protected]
Контактная информация:

АД80В4У3 Треугольник или звезда??

Сообщение elalex » 10 май 2016, 09:32

31 мая 10:00 будет вебинар ИЭК Трехфазные асинхронные двигатели в схеме однофазного включения.
Одиночный свободный электрик
Опыт ремонтов квартир 20лет
Высшее электрическое образование
Бывший инженер-электрик
Пенсионер
64 года
Пишу для владельцев частного жилья
Запасной E–mail для россиян: [email protected]
ПАВ
Сообщения: 7647
Зарегистрирован: 13 авг 2015, 19:54
Репутация: 923
Откуда: Одесса
Контактная информация:

АД80В4У3 Треугольник или звезда??

Сообщение ПАВ » 10 май 2016, 09:58

Вебинар? Набираете "асинхронные двигатели в схеме однофазного включения" имеете ответ- Результатов: примерно 41 000 (0,48 сек.)
В жизни все не так, как на самом деле...
Аватара пользователя
Dzaki
Сообщения: 8
Зарегистрирован: 09 май 2016, 05:32
Репутация: 0
Контактная информация:

АД80В4У3 Треугольник или звезда??

Сообщение Dzaki » 10 май 2016, 10:44

...не нашел я у себя на компе, дорисовал твою. Ну принцип был таков.
31 мая 10:00 будет вебинар ИЭК Трехфазные асинхронные двигатели в схеме

...а где???(ссылку можно) и время Московское или какое???
Вложения
Включение с пускателем.JPG
Аватара пользователя
elalex
Сообщения: 7423
Зарегистрирован: 21 июл 2015, 08:08
Репутация: 591
Откуда: [email protected]
Контактная информация:

АД80В4У3 Треугольник или звезда??

Сообщение elalex » 10 май 2016, 12:55

ПАВ писал(а):Источник цитаты Вебинар?

Чем вебинар лучше интернета - что на нем можно спрашивать и получать ответ немедленно. А еще можно быстро спорить, я уже задолбал ИЭК своими вопросами и возражениями, особенно последний вебинар по светотехнике. Впечатление такое, что я знаю больше, чем они.
Одиночный свободный электрик
Опыт ремонтов квартир 20лет
Высшее электрическое образование
Бывший инженер-электрик
Пенсионер
64 года
Пишу для владельцев частного жилья
Запасной E–mail для россиян: [email protected]
ПАВ
Сообщения: 7647
Зарегистрирован: 13 авг 2015, 19:54
Репутация: 923
Откуда: Одесса
Контактная информация:

АД80В4У3 Треугольник или звезда??

Сообщение ПАВ » 10 май 2016, 13:02

elalex писал(а):Источник цитаты Впечатление такое, что я знаю больше, чем они.

Так там персонал, а не практики, шо тут удивительного?
В жизни все не так, как на самом деле...
Аватара пользователя
Dzaki
Сообщения: 8
Зарегистрирован: 09 май 2016, 05:32
Репутация: 0
Контактная информация:

АД80В4У3 Треугольник или звезда??

Сообщение Dzaki » 10 май 2016, 14:16

...я на http://radiokot.ru темку прикольную выхватил, может кому будет интересно. Она конечно не новая(где то проскакивала подобная в журнале "Радио", но там до 1кВт) но интересное исполнение самой схемы и её защиты элементов интересное. Она до 4кВт, имеет автора в доступности. Питается от одной фазы 220V выдает три фазы. Далеко не бюджетный вариант но она того стоит. Уменьшил обороты движки до 50%, отключил - движка остановилась. Включил, движка с плавным пуском разогналась до 50%.
Аватара пользователя
Dzaki
Сообщения: 8
Зарегистрирован: 09 май 2016, 05:32
Репутация: 0
Контактная информация:

АД80В4У3 Треугольник или звезда??

Сообщение Dzaki » 10 май 2016, 16:02

Народ!!!
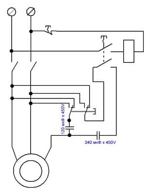
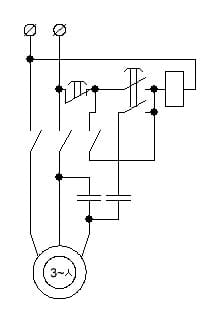
Есть вот такая схема включения:
http://savepic.su/7244188.jpg
смотрю на неё и догоняю.... ....зачем там стоит второй кондер с кнопкой??? :fool: . Если это пусковой?, то что он должен запускать если при подачи напруги, движок начнет крутится. Может кто обьяснить сеё подключение.
ПАВ
Сообщения: 7647
Зарегистрирован: 13 авг 2015, 19:54
Репутация: 923
Откуда: Одесса
Контактная информация:

АД80В4У3 Треугольник или звезда??

Сообщение ПАВ » 10 май 2016, 16:08

Верхний- реверс, нижний- пусковой при большой нагрузке на валу. Для вентилятора и точила это не требуется.
В жизни все не так, как на самом деле...
Аватара пользователя
elalex
Сообщения: 7423
Зарегистрирован: 21 июл 2015, 08:08
Репутация: 591
Откуда: [email protected]
Контактная информация:

АД80В4У3 Треугольник или звезда??

Сообщение elalex » 10 май 2016, 16:11

Dzaki писал(а):Источник цитаты движок начнет крутится

Пусковой конденсатор ставится для увеличения пускового момента, и он обычно в разы больше рабочего. После запуска двигателя отключается.
Двигатель может запуститься и с рабочим конденсатором, но на холостом ходу, без нагрузки.
Одиночный свободный электрик
Опыт ремонтов квартир 20лет
Высшее электрическое образование
Бывший инженер-электрик
Пенсионер
64 года
Пишу для владельцев частного жилья
Запасной E–mail для россиян: [email protected]
Аватара пользователя
Dzaki
Сообщения: 8
Зарегистрирован: 09 май 2016, 05:32
Репутация: 0
Контактная информация:

АД80В4У3 Треугольник или звезда??

Сообщение Dzaki » 10 май 2016, 18:18

ПАВ,elalex - мужики, я это понимаю. Вот прикинте,,,, ...движка 1.5кВт кондер стоит (ну если взять за пример схему) то 120мкФ, это в роли рабочего. Какое надо приложить усилие к ротору что бы потребовалось воспользоваться пусковым???, т.е. какая нагрузка должна присутствовать на роторе что бы у него не хватало сил прокрутить вал. Рядом у меня стоит пусковой на 240мкФ но я его пока не задействую.
ПАВ
Сообщения: 7647
Зарегистрирован: 13 авг 2015, 19:54
Репутация: 923
Откуда: Одесса
Контактная информация:

АД80В4У3 Треугольник или звезда??

Сообщение ПАВ » 10 май 2016, 18:26

Мынуточку!!! Вы начали с того, что у вас там обмотки звездой включены. Значит, даже при питании от условной сети 220х3 у вас на валу мощность будет ниже паспортной, да? Да. Теперь вы этот же мотор будете питать от однофазной сети 220 с пуско-сдвигающим конденсатором? Если так, то вы еще теряете в моменте, и х/з сколько там в итоге, этого достаточно для пуска с расчетным конденсатором? Или мы уже о другом моторе?
В жизни все не так, как на самом деле...
Аватара пользователя
Dzaki
Сообщения: 8
Зарегистрирован: 09 май 2016, 05:32
Репутация: 0
Контактная информация:

АД80В4У3 Треугольник или звезда??

Сообщение Dzaki » 10 май 2016, 18:46

...нет, нет, нет, о том же самом. ПАВ - не согласен. Движка изначальна по паспорту имеет обозначение "Y" говорящее что обмотки движки соединены в звезду и на выводе всего три провода. Я говорил, и у меня подкреплено практикой (замечено) следующее: Если такую движку включить в 220V со сдвигающим конденсатором, то потеря мощности доходит до 50% что ни скажешь о треугольнике,,, ,,,в треугольнике идет потеря процентов на 30. У меня была движка с возможностью соединения как хошь(все 6 проводов в доступности). Чего то мы там запустить пытались (сейчас не помню), мощи малёха не хватало. Я вскрываю коробку на движке, переделываю на скоряк звезду в треугольник и, вот он, заветный финиш. Без проблем стартовал и крутил. Вот я и прикидываю. Если этот дурак 1.5кВт пускай потеря будет 50%, т.е. я имею чистых 700Вт. Но если судить что предыдущая движка была на 500Вт и работала. То нужен ли тогда вообще пусковой кондер(но на всякий случай я его воткнул).
ПАВ
Сообщения: 7647
Зарегистрирован: 13 авг 2015, 19:54
Репутация: 923
Откуда: Одесса
Контактная информация:

АД80В4У3 Треугольник или звезда??

Сообщение ПАВ » 10 май 2016, 18:54

Не согласны- вам видней. И спорить не буду.
В жизни все не так, как на самом деле...


  • Реклама

Вернуться в «Электродвигатели переменного и постоянного тока»

Кто сейчас на конференции

Сейчас этот форум просматривают: нет зарегистрированных пользователей и 10 гостей