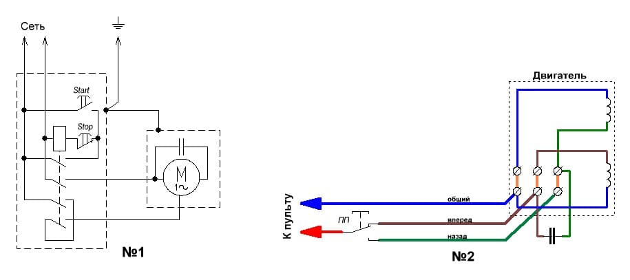
Вот Ваша схема (№1) и схема добавления переключателя (при желании получить реверс) (№2) ...maxlinder писал(а):Источник цитаты ...,напишите что мне нужно для такого блока под мой двигатель....
)
)Да бывает такое.maxlinder писал(а):Источник цитаты Константин,про биметалические термостаты,сработал у меня как-то помню на обмотке насосной станции pedrollo(1kW) в одну сторону, назад не в какую-пришлось закоротить.
maxlinder писал(а):Источник цитаты ВЫ просто огород ненавидите.Я выложил фото культиватора в ветке Электрофлуд.Там же и по кабелю мои мысли.
maxlinder писал(а):Источник цитаты И я мог бы использовать на 70 метров ПВС 3*2.5 или нет
maxlinder писал(а):Источник цитаты (клещи почему то не реагируют) показал 3А
maxlinder писал(а):Источник цитаты показал 3А
maxlinder писал(а):Источник цитаты И еще не будет ли выбивать УЗО на 16А при пусковом токе?
maxlinder писал(а):Источник цитаты почему 4.7 намекните
maxlinder писал(а):Источник цитаты только с РТИ к примеру 1310 с током на 4-6А правильно?
maxlinder писал(а):Источник цитатыВы хотите сказать что на моем двигателе 2.8kW номинальный ток 4А
maxlinder писал(а):Источник цитаты показал 3А
maxlinder писал(а):Источник цитаты к примеру на похожем однофазном на 1.5 kW почти 9А
maxlinder писал(а):Источник цитаты При чем тут нет шильдика
maxlinder писал(а):Источник цитаты Чтоб включить и проверить двигатель с помпой на 1 минуту -это подать 560 литров воды из одной емкости в другую. 6 бочек на 200 литров по три соединить.
maxlinder писал(а):Источник цитаты У меня при кратковременном пуске через вилку и розетку при легком косании штепсель латунный прихватилься.
Не правильно ... для примера я Вам дал (в ссылке) другой ... на 25А.maxlinder писал(а):Источник цитаты... то есть я должен купить как предлагал То-з из Ижевска контактор КМИ 22560 только с РТИ к примеру 1310 с током на 4-6А правильно?
Ток по проводнику одинаков по всей своей длине ... от розетки (фаза) до потребителя и от потребителя до розетки (нуль) ... т.е. сечение должно быть по всей длине одинаково.maxlinder писал(а):Источник цитатыИ скажите по поводу моих мыслей со ступенчатым сечением кабеля(вдруг по одной фрезе добавлю или удлинитель на соседский огород до 100 метров) верно или нет?

TOPMO3 писал(а):Источник цитаты КМИ 22560
Я не понимаю, откуда цифра 4,7?Константин писал(а):Источник цитатыЕсли рабочий ток у него не более 4.7А то реле с регулировкой тока до 32А не нужно.TOPMO3 писал(а):Источник цитаты КМИ 22560
TOPMO3 писал(а):Источник цитаты Он же выложил шильдики (для примера) ... имхо у "трехтысячника"
maxlinder писал(а):Источник цитаты (клещи почему то не реагируют) показал 3А
Константин писал(а):Источник цитаты Подбор РТИ индивидуально для каждого двигателя и не надо сравнивать по аналогии мощности для двигателей.
Вернуться в «Провода и кабели»
Сейчас этот форум просматривают: нет зарегистрированных пользователей и 15 гостей