Андрей Ingener писал(а):Источник цитаты адо смотреть первым светорегулятор к нему приходит 132 или уходит 132, потом люстру , подозрение на ноль .
АндрейЯ писал(а):Источник цитаты как теперь это исправить

Андрей Ingener писал(а):Источник цитаты смысл все уловили
.ПАВ писал(а):Источник цитаты Один из вариантов.
Кактус писал(а):Источник цитаты Конечно - ты не знал?!
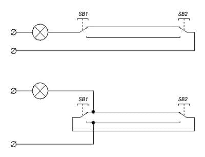
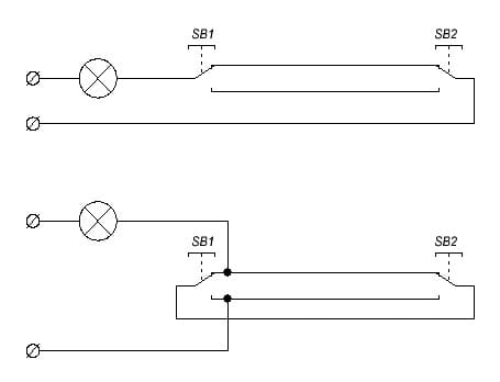
Воть ... варианты подключения самих переключателей и работа их.

TOPMO3 писал(а):Источник цитаты варианты
Как понимать одна и та же? Вы не читаете полностью, "сопроводиловку"?elalex писал(а):Источник цитатыЭто одна и та же схема, нарисованная по-разному.TOPMO3 писал(а):Источник цитаты варианты
ПАВ писал(а):Источник цитаты просто версии одной
Вернуться в «Освещение и источники света»
Сейчас этот форум просматривают: нет зарегистрированных пользователей и 1 гость