
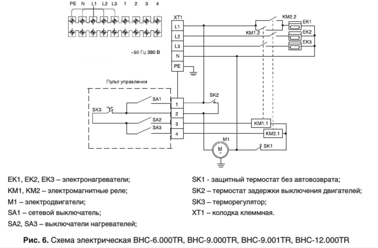
ДОМРАЧЕВ писал(а):Источник цитаты BALLU BHC-3.000TR
ДОМРАЧЕВ писал(а):Источник цитаты С добавлением схем для просмотра возникла проблемка. Не могу понять как это сделать
ПАВ писал(а):Источник цитаты Моторы последовательно? А это есть хорошо?
Я не виноват.

elalex писал(а):Источник цитаты А что, никакого тамбура нет? У всех нормальных людей есть.
TOPMO3 писал(а):Источник цитатыПАВ писал(а):Источник цитаты Моторы последовательно? А это есть хорошо?Я не виноват.
В документе 9 схем (для разных модификаций) ... эта единственная схема, с таким казусом.
Мне каажется ... тама один моторчик ... второй нечаянно влупили.
Юпег_формат не можете вложить?ДОМРАЧЕВ писал(а):Источник цитаты Спасибо за добавленные схемы. Но у меня есть свои схемы с изменениями. Вот их то я и не могу добавить к теме.А без них и разговор не получается.В ближайшее время постараюсь их добавить.
ДОМРАЧЕВ писал(а):elalex писал(а):Источник цитаты А что, никакого тамбура нет? У всех нормальных людей есть.
А что все остальные у кого нет тамбура "не нормальные"?Есть много причин отсутствия тамбура,например:стесненные условия расположения здания,архитектурным планом тамбур не предусмотрен идр.
А причем тут ЭЛВИН? Вы схему его можете предоставить? Как Вы узнали, что там последовательное подключение вентиляторов?ДОМРАЧЕВ писал(а):Источник цитатыПосчастливилось разбирать тепловую завесу ЭЛВИН ТЗ-3. Моторы последовательно 2шт.

Не флуди..ТЕ!elalex писал(а):Источник цитаты... К чёрту тепловую завесу. Лепите тамбур...

TOPMO3 писал(а):Источник цитаты Как Вы узнали, что там последовательное подключение вентиляторов?
TOPMO3 писал(а):Источник цитатыА причем тут ЭЛВИН? Вы схему его можете предоставить? Как Вы узнали, что там последовательное подключение вентиляторов?ДОМРАЧЕВ писал(а):Источник цитатыПосчастливилось разбирать тепловую завесу ЭЛВИН ТЗ-3. Моторы последовательно 2шт.
ПАВ писал(а):Источник цитатыTOPMO3 писал(а):Источник цитаты Как Вы узнали, что там последовательное подключение вентиляторов?
Из газеты.

И правильно ... вообще не думайте о такой возможности, как последовательное подключение электромоторов.ДОМРАЧЕВ писал(а):Источник цитаты Вероятность своей ошибки не исключаю.

Вернуться в «Контакторы, пускатели, реле, датчики, кнопки и т.п.»
Сейчас этот форум просматривают: нет зарегистрированных пользователей и 5 гостей