Стоп! Не надо отвлекаться от темы!ПАВ писал(а):Источник цитаты Очень часто ЭПРА имеет на выходе 6 контактов, т.е. не так все просто?
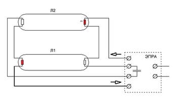
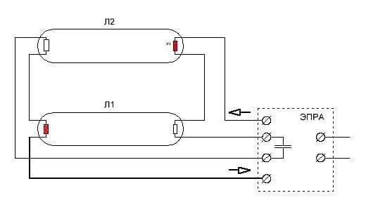
Речь идет о подключении двух ламп к ЭПРА, который изначально предназначен для подключения одной.

Стоп! Не надо отвлекаться от темы!ПАВ писал(а):Источник цитаты Очень часто ЭПРА имеет на выходе 6 контактов, т.е. не так все просто?

Гы ... вопросы эти не ко мне. а к автору и Константину (явно более опытного, чем я) ... мне как то не сподобилось экспериментировать со светильниками.ПАВ писал(а):Источник цитаты Тогда вопросы...

)
)TOPMO3 писал(а):Источник цитаты а к автору и Константину (явно более опытного, чем я)
Вернуться в «Освещение и источники света»
Сейчас этот форум просматривают: нет зарегистрированных пользователей и 9 гостей