Подключение и заземление металлической бытовки

Вопросы, связанные с устройством и монтажом заземления и зануления. Системы заземления и системы уравнивания потенциалов (СУП), молниезащита, грозозащита и т.п.
Аватара пользователя
elalex
Сообщения: 7423
Зарегистрирован: 21 июл 2015, 08:08
Репутация: 591
Откуда: [email protected]
Контактная информация:

Подключение и заземление металлической бытовки

Сообщение elalex » 16 май 2018, 17:46

1.Если расстояние между вертикальными штырями одинаково, объём земляных работ не зависит от формы контура - прямая линия или треугольник. Кстати, линия в геометрии не считается контуром. Но при линии расход материалов меньше, площадь контура вообще равна нулю, больше только габарит (длина).
2.Кто отводит прямой удар молнии по песчаному грунту - или должен знать РД-34 и СП-2003, или молчать в тряпочку. Что там в этих документах сказано про заземление УЗИП? Лично я их не читал, я только знаю отзыв Базеляна про них, что это дерьмо, а не документы.
Одиночный свободный электрик
Опыт ремонтов квартир 20лет
Высшее электрическое образование
Бывший инженер-электрик
Пенсионер
64 года
Пишу для владельцев частного жилья
Запасной E–mail для россиян: [email protected]
Реклама
Аватара пользователя
Sebr
Сообщения: 45
Зарегистрирован: 19 апр 2018, 19:07
Репутация: 1
Контактная информация:

Подключение и заземление металлической бытовки

Сообщение Sebr » 16 май 2018, 18:03

В варианте "треугольника" меня больше интересовала не геометрия, а допустимость использовать электроды не 6, а 2,5-3м. глубиной! Просто чисто технически, доставка в этот регион 6-метрового металла достаточно проблематична!
Аватара пользователя
elalex
Сообщения: 7423
Зарегистрирован: 21 июл 2015, 08:08
Репутация: 591
Откуда: [email protected]
Контактная информация:

Подключение и заземление металлической бытовки

Сообщение elalex » 16 май 2018, 18:11

Слушайте побольше Константина, добавление проблем заказчикам - это его профессия, он на этом зарабатывает деньги.
Одиночный свободный электрик
Опыт ремонтов квартир 20лет
Высшее электрическое образование
Бывший инженер-электрик
Пенсионер
64 года
Пишу для владельцев частного жилья
Запасной E–mail для россиян: [email protected]
Аватара пользователя
elalex
Сообщения: 7423
Зарегистрирован: 21 июл 2015, 08:08
Репутация: 591
Откуда: [email protected]
Контактная информация:

Подключение и заземление металлической бытовки

Сообщение elalex » 16 май 2018, 18:20

Sebr, как у Вас с IQ? Вы в состоянии объяснить необходимость низкого сопротивления заземления? Или только в состоянии слушать разные мнения, но не понимать их обоснования?
Одиночный свободный электрик
Опыт ремонтов квартир 20лет
Высшее электрическое образование
Бывший инженер-электрик
Пенсионер
64 года
Пишу для владельцев частного жилья
Запасной E–mail для россиян: [email protected]
Аватара пользователя
Константин
Сообщения: 3464
Зарегистрирован: 16 сен 2015, 10:19
Репутация: 851
Откуда: Новосибирская область
Контактная информация:

Подключение и заземление металлической бытовки

Сообщение Константин » 16 май 2018, 18:39

elalex писал(а):Источник цитаты Но при линии расход материалов меньше,

Нет. Не меньше.
elalex писал(а):Источник цитаты 2.Кто отводит прямой удар молнии по песчаному грунту - или должен знать РД-34 и СП-2003, или молчать в тряпочку. Что там в этих документах сказано про заземление УЗИП? Лично я их не читал, я только знаю отзыв Базеляна про них, что это дерьмо, а не документы.

Да мне по барабану куда ты собрался отводить молнию. Для тех кто в танке я молниеотводы не строю.И не собираюсь их делать. И не буду. Катись ты со своим молниеотводом куда по дальше.
elalex писал(а):Источник цитаты добавление проблем заказчикам - это его профессия, он на этом зарабатывает деньги.

Добавлять проблемы это ваш профиль. Моя только устранять.
Аватара пользователя
Sebr
Сообщения: 45
Зарегистрирован: 19 апр 2018, 19:07
Репутация: 1
Контактная информация:

Подключение и заземление металлической бытовки

Сообщение Sebr » 16 май 2018, 18:45

elalex писал(а):Источник цитаты Sebr, как у Вас с IQ? Вы в состоянии объяснить необходимость низкого сопротивления заземления? Или только в состоянии слушать разные мнения, но не понимать их обоснования?

А как у вас с понятием вежливость? Понятно, что чем меньше сопротивление заземления, тем меньше оно препятствует растеканию тока в земле. Другой вопрос, что на мой взгляд сопротивление заземлителя зависит от его сечения и площади поверхности соприкосновения с землёй, а стало быть этого можно добиться разными способами, а не только заглублением.
Аватара пользователя
elalex
Сообщения: 7423
Зарегистрирован: 21 июл 2015, 08:08
Репутация: 591
Откуда: [email protected]
Контактная информация:

Подключение и заземление металлической бытовки

Сообщение elalex » 16 май 2018, 19:18

1.У меня временами плохо с вежливостью. Если человек на форуме не в состоянии определить схему выключателя - я не знаю, как вежливо объяснить ему, что он дебил. Иногда я говорю, что грубость и хамство ускоряет понимание. А кому нужна вежливость - пусть идёт на женские форумы.
2.Я так понял, Вы не в состоянии обьяснить необходимость низкого сопротивления заземления? Не как оно достигается, а зачем нужно?
Последний раз редактировалось elalex 16 май 2018, 19:42, всего редактировалось 1 раз.
Одиночный свободный электрик
Опыт ремонтов квартир 20лет
Высшее электрическое образование
Бывший инженер-электрик
Пенсионер
64 года
Пишу для владельцев частного жилья
Запасной E–mail для россиян: [email protected]
Аватара пользователя
Константин
Сообщения: 3464
Зарегистрирован: 16 сен 2015, 10:19
Репутация: 851
Откуда: Новосибирская область
Контактная информация:

Подключение и заземление металлической бытовки

Сообщение Константин » 16 май 2018, 19:19

Можно и по площади. Вопрос только в том возможно ли это у вас? Какие у вас климатические условия? У вас постоянно тепло, круглый год? Если да то можете рассеять и по площади. Те же 6 метров. А если климат суровый. Обильные осадки осенью и низкие температуры зимой то такое ЗУ работать не будет.Эти вопросы давно обсуждались всеми блогерами, форумучанинами,работниками так сказать сферы энергетики.
Аватара пользователя
Константин
Сообщения: 3464
Зарегистрирован: 16 сен 2015, 10:19
Репутация: 851
Откуда: Новосибирская область
Контактная информация:

Подключение и заземление металлической бытовки

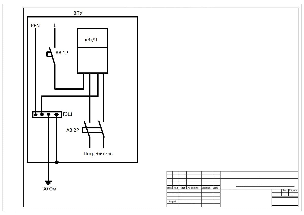
Сообщение Константин » 16 май 2018, 19:41

То что требует ваш начальник сетей
tn-c-s.jpg
Аватара пользователя
elalex
Сообщения: 7423
Зарегистрирован: 21 июл 2015, 08:08
Репутация: 591
Откуда: [email protected]
Контактная информация:

Подключение и заземление металлической бытовки

Сообщение elalex » 16 май 2018, 20:25

Нормальные люди прячут заземление в тёплое место - подвал под домом, а сумасшедшие выбрасывают в самое холодное - на улицу.
Одиночный свободный электрик
Опыт ремонтов квартир 20лет
Высшее электрическое образование
Бывший инженер-электрик
Пенсионер
64 года
Пишу для владельцев частного жилья
Запасной E–mail для россиян: [email protected]
Аватара пользователя
Константин
Сообщения: 3464
Зарегистрирован: 16 сен 2015, 10:19
Репутация: 851
Откуда: Новосибирская область
Контактная информация:

Подключение и заземление металлической бытовки

Сообщение Константин » 16 май 2018, 20:31

:biggrin: Sebr, осталось утеплить столб. Дома то нету.
Аватара пользователя
Sebr
Сообщения: 45
Зарегистрирован: 19 апр 2018, 19:07
Репутация: 1
Контактная информация:

Подключение и заземление металлической бытовки

Сообщение Sebr » 16 май 2018, 20:57

Константин писал(а):Источник цитаты Sebr, осталось утеплить столб. Дома то нету.

Причём на глубину промерзания! :-) Или вообще выкопать его, обмотать греющим шнуром и закопать обратно! ))))
Аватара пользователя
elalex
Сообщения: 7423
Зарегистрирован: 21 июл 2015, 08:08
Репутация: 591
Откуда: [email protected]
Контактная информация:

Подключение и заземление металлической бытовки

Сообщение elalex » 16 май 2018, 21:35

1.Строительство будет летом, так что для него можно забивать где попало.
2.Если и когда будет делаться ж/бетонный фундамент - можно засунуть 1м штыря в него. Если и когда будет подвал - забить в его дно. Как смешно! Прямо как смех без причины - ...
Одиночный свободный электрик
Опыт ремонтов квартир 20лет
Высшее электрическое образование
Бывший инженер-электрик
Пенсионер
64 года
Пишу для владельцев частного жилья
Запасной E–mail для россиян: [email protected]
Аватара пользователя
Sebr
Сообщения: 45
Зарегистрирован: 19 апр 2018, 19:07
Репутация: 1
Контактная информация:

Подключение и заземление металлической бытовки

Сообщение Sebr » 16 май 2018, 22:16

elalex писал(а):Источник цитаты 1.Строительство будет летом, так что для него можно забивать где попало.

Пока что речь шла про заземление щитка на столбе! Причём тут лето, фундамент и подвал?
Аватара пользователя
Pavel
Сообщения: 397
Зарегистрирован: 01 ноя 2015, 19:40
Репутация: 70
Контактная информация:

Подключение и заземление металлической бытовки

Сообщение Pavel » 16 май 2018, 23:08

Sebr писал(а):Источник цитаты Просто чисто технически, доставка в этот регион 6-метрового металла достаточно проблематична!

Так о чем я и говорил выше; берется три куска по три метра (для примера) и загоняются в землю последовательно. Забили трехметровый кусок электрода- приварили следующие три метра- забили- снова приварили три метра...
Аватара пользователя
Sebr
Сообщения: 45
Зарегистрирован: 19 апр 2018, 19:07
Репутация: 1
Контактная информация:

Подключение и заземление металлической бытовки

Сообщение Sebr » 17 май 2018, 00:31

Pavel писал(а):Источник цитаты Забили трехметровый кусок электрода- приварили следующие три метра- забили- снова приварили три метра...

Вариант! )
Аватара пользователя
Sebr
Сообщения: 45
Зарегистрирован: 19 апр 2018, 19:07
Репутация: 1
Контактная информация:

Подключение и заземление металлической бытовки

Сообщение Sebr » 17 май 2018, 00:35

elalex писал(а):Источник цитаты У меня временами плохо с вежливостью. Если человек на форуме не в состоянии определить схему выключателя - я не знаю, как вежливо объяснить ему, что он дебил

Это мне адресовано? По мне, так это уже запредельное хамство! На своём бы форуме влепил за это пожизненный бан!
Аватара пользователя
elalex
Сообщения: 7423
Зарегистрирован: 21 июл 2015, 08:08
Репутация: 591
Откуда: [email protected]
Контактная информация:

Подключение и заземление металлической бытовки

Сообщение elalex » 17 май 2018, 01:03

1.Про выключатель - это про Romusik . Ещё есть шизофреник Ivan83 со сверхценной идеей поиска источника шума.
2.Меня время от времени банят, только рейтинг форума сразу падает. Я - половина форума. Если я форуму не нужен - пусть выгоняют и скучают.
Одиночный свободный электрик
Опыт ремонтов квартир 20лет
Высшее электрическое образование
Бывший инженер-электрик
Пенсионер
64 года
Пишу для владельцев частного жилья
Запасной E–mail для россиян: [email protected]
Аватара пользователя
Sebr
Сообщения: 45
Зарегистрирован: 19 апр 2018, 19:07
Репутация: 1
Контактная информация:

Подключение и заземление металлической бытовки

Сообщение Sebr » 17 май 2018, 01:25

elalex писал(а):Источник цитаты .Меня время от времени банят, только рейтинг форума сразу падает. Я - половина форума. Если я форуму не нужен - пусть выгоняют и скучают.

Значит моё многолетнее чутьё троллей меня не подвело! Банить стоило навсегда, рейтинг и репутация ресурса несравнимые вещи!
Аватара пользователя
elalex
Сообщения: 7423
Зарегистрирован: 21 июл 2015, 08:08
Репутация: 591
Откуда: [email protected]
Контактная информация:

Подключение и заземление металлической бытовки

Сообщение elalex » 17 май 2018, 02:57

Тема моего тролинга заглохла ещё 2 года назад. Попробуйте поднять её снова, попробуйте зачеркнуть половину форума. Узнаете, что такое глас народа на форуме.
Одиночный свободный электрик
Опыт ремонтов квартир 20лет
Высшее электрическое образование
Бывший инженер-электрик
Пенсионер
64 года
Пишу для владельцев частного жилья
Запасной E–mail для россиян: [email protected]


  • Реклама

Вернуться в «Заземление и молниезащита»

Кто сейчас на конференции

Сейчас этот форум просматривают: нет зарегистрированных пользователей и 13 гостей