TOPMO3 писал(а):Источник цитаты Как вариант ...
Да! Я именно так и сделал. Интересно, зачем макаронники отдельный провод для кондера сделали?
TOPMO3 писал(а):Источник цитаты Как вариант ...
Гм ... а мне больше интересно, что произошло после "именно так и сделал"(с) ...Алексей99 писал(а):TOPMO3 писал(а):Источник цитаты Как вариант ...
Да! Я именно так и сделал. Интересно, зачем макаронники отдельный провод для кондера сделали?


TOPMO3 писал(а):Источник цитаты тыр-тыр писал(а):
Вентилятор МЗ, Мотор RpM (TYPE B004902) 230 V, 750 W, 5,7A, 50Hz, 1420/min, для прецизионного кондиционера «NordVent» MODEL - ETR U53AGH, SERIAL № 11A00055
Какую? Презик натягивали, чо ли? Энто интернет ... я так далеко не вижу ... желательно разжовывать свои действия, не дай бог (если что) отмазка у нас будет, что мы ни приделах ... что сам не разобравшись совал члены куда не следоват.Алексей99 писал(а):Источник цитаты Подключил на черный и белый, через защиту, конечно.
Это и козе известно ... Вы еще авто свое без масла попробуйте ... могет зря заставляют.А так как кондера пока нет, двигатель загудел (несильно), я толкнул крыльчатку рукой и оп-ля! вентилятор заработал. НО! Через пару минут сработала защита, вент остановился. двигатель нагрелся до 45-50 градусов. Я так понял нельзя без кондера включать?
Это как? 4 - 5 клеммы чоли? Как определили, что это конденсаторная (пусковая)? Я вот не могу утверждать сие!Кстати, ... белый- коричневый (конденсаторная обмотка) =11 Ом.
Сдается мне, что чувака звали Алёшей (возможно тот, что "с водокачки")Алексей99 писал(а):Источник цитаты... (по словам чувака который его курочил).
Мазохист чо ли?Путем долгих пыток и угрозе жизни, удалось отжать у этого чувака еще кое-что
Ога ... а чо корпус то не выкинул? Улика ведь!Алексей99 писал(а):Источник цитаты если интересно вот шильдик с вентилятора, трехскоростной, однако...

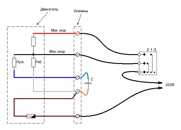
Видите на клеммах 2 коричневых конца? это тепловуха. см. схему красной стрелкой показалTOPMO3 писал(а):Источник цитаты Презик натягивали, чо ли?
TOPMO3 писал(а):Источник цитаты Это как? 4 - 5 клеммы чоли? Как определили, что это конденсаторная (пусковая)? Я вот не могу утверждать сие!
Отходящие три провода намекают, что это "скоростя" ... т.е. черный (1), красный (3) и коричневый (4).
Синий - намекает подключение конденсатора, т.е. это один из выводов пусковой обмотки, а может наоборот - это рабочая и туда надодь питание подавать.
Остается клемма с двумя проводами ... если белый на рабочую обмотку, куда тогда совмещенный с ним коричневый? А может эта клемма на пусковую!!!
На картинке от производителя показаны еще два провода (не подключенные к клемме) ... они действительно есть?
... чем это, такое можно намерить?!Алексей99 писал(а):Источник цитаты замеры: белый -черный = 4 Ом, черный-синий = 2 Ом, синий-красный = 1,8 Ом, белый- коричневый =11 Ом.
Я их видел, и даже нарисовал (цвета переводилАлексей99 писал(а):Источник цитатыВидите на клеммах 2 коричневых конца? это тепловуха. см. схему красной стрелкой показал
) ... viewtopic.php?p=49292#p49292
TOPMO3 писал(а):Источник цитаты Надо тщательно прозвонить все клеммы, относительно друг друга (не пропуская, ни одной пары ) прежние данные или врут или есть замыкания.
Чтобы это выяснить, надо иметь описание его.ПАВ писал(а):Источник цитаты А правильно ли включать датчик температуры последовательно с обмотками? Была бы это конт. группа биметаллическая, т.е. просто термопредохранитель- согласен, а это- скорее таки датчик температуры, вот его бы отдельно измерить и посмотреть характеристику. В моем моторе гидрофора итальянцы воткнули в обмотку именно термопред., и такое часто встречается. Но там сопротивление совсем коротенькое. А 11 Ом таки многовато.

ПАВ писал(а):Источник цитаты 11 Ом многовато для предохранителя.
Вернуться в «Электродвигатели переменного и постоянного тока»
Сейчас этот форум просматривают: нет зарегистрированных пользователей и 8 гостей