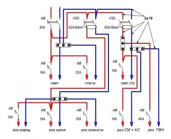
Alkup писал(а):Источник цитаты Схема и фото то что есть сейчас.
Alkup писал(а):Источник цитаты Режим работы водонагревателя - 2 недели в год.
... на однополюсные.Alkup писал(а):Источник цитатыХочу поменять 2-х полюсные автоматы на 1 полюсные. На какие лучше менять?
Могете ... (см.картинку)1. Могу ли я к одному из узо добавить автомат на 16 А (розетки в коридор)
2. Еще необходимо добавить розетку в сантехнишу чтобы подключить проточный водогрей на 8 кВт и розетку для аквасторожа.
... не менее 10 мм²(Cu)Какой необходим провод, какого сечения?
... смотря какое применено в щите и какое приходит из подъезда.Наверное отдельной линией необходимо?
... если в щиток уже приходит, нужного сечения провод, думаю можно подключить так ... (см.картинку)какое УЗО и автомат необходим для этого?
... откройте крышку, покажите "натураль" ... (в схеме, на свет, указано 10А, а у Вас стоит 16А).Схема и фото то что есть сейчас.
TOPMO3 писал(а):Источник цитаты ... на однополюсные.
TOPMO3 писал(а):Источник цитаты ... смотря какое применено в щите и какое приходит из подъезда.
Объясняю ... автору надодь подумать, прежде чем покупать такой водонагреватель (8 КВт), требуется знать разрешенную потребляемую мощность энергии, на квартиру - узнавать в Управляющей компании или в шараге, которая собирает денюжку, за неё.Voloxa писал(а):Источник цитаты... Объяснить надо!
TOPMO3 писал(а):Источник цитаты Объясняю
Надодь ... поменять местами, чтобы читалось, типа ... "Дифавтомат это тоже УЗО" ...ПАВ писал(а):Источник цитаты УЗО это тоже дифавтомат, уточните ху есть ху у вас . И с токами- пишите одинаковые размерности- или 30 мА и 10 мА, или 0,03 и 0,01 А

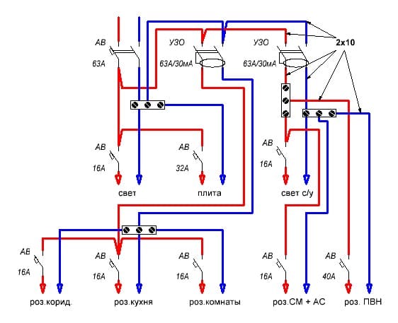
Если в энегосбыте согласны с той мощностью, на которую хотите, то схема нормальная ... при монтаже, реле напряжения, можно подключить так как я изменил в Вашей схеме, т.е. "нуль" нужен только для нормальной работы электроники самого реле ... при отработке реле - разрывается только фаза.Alkup писал(а):Источник цитаты ... подскажите пожалуйста по схеме, все ли так (верная она или что то переделать).
TOPMO3 писал(а):Источник цитаты Если в энегосбыте согласны с той мощностью, на которую хотите, то схема нормальная ...
Я, похоже, Вас не понял.Они не будут соглашаться с:"Той мощностью...". АВТОМАТОМ и все... но при превышении РАЗРЕШЕННОЙ мощности просто поставят 10 - кратный тариф.
TOPMO3 писал(а):Источник цитаты По закону, в РФ, частнику разрешается подключение до 15кВт (без разницы - одно или трехфазка) ... при однофазке (как у автора, выше) - это получается, более 65 ампер (230 В).
TOPMO3 писал(а):Источник цитаты Энергосбыт может, только ограничить разрешенную мощность
TOPMO3 писал(а):Источник цитаты Тариф менять, никому не позволяется ...
Вернуться в «Проектирование внутреннего электроснабжения»
Сейчас этот форум просматривают: нет зарегистрированных пользователей и 26 гостей