strn писал(а):Источник цитаты середина одной обмотки трансформатора пробивает на землю
strn писал(а):Источник цитаты в щитке напряжение 90 вольт между нулем и землей
strn писал(а):Источник цитаты середина одной обмотки трансформатора пробивает на землю
aleksey.RU писал(а):Источник цитаты Так же это может говорить и о плохом контакте от опоры до щитка.
Если проверять напряжение цифровым мультиметром, то можно измерить и наводку.
strn писал(а):Источник цитаты в щитке напряжение 90 вольт между нулем и землей
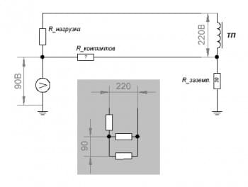
Гм ... а я, прально ли, понимаю, что у автора, на полезные дела (чайники, холодильники и т.п.) остается только 220-90=130 вольт.?aleksey.RU писал(а):Источник цитаты... одна основная проблема - плохой контакт средней точки трансформатора и его заземления. Отсутствие повторных заземлений на опорах.
TOPMO3 писал(а):Источник цитаты 130 вольт.?
Ну коли, автор утверждает, что 90 вольт есть - значит у него или ТТ или "двухпроводка".aleksey.RU писал(а):Источник цитаты Еще не маловажный фактор. Если у Вас система заземления на линии ТТ, то это возможно.
Если TN, то этого быть не должно

TOPMO3 писал(а):Источник цитаты Извините ... "не догоняю"
TOPMO3 писал(а):Источник цитаты значит у него или ТТ
strn писал(а):Источник цитаты Напряжение всех фаз относительно нуля 220 В
strn писал(а):Источник цитаты напряжение 90 вольт между нулем и землей
TOPMO3 писал(а):Источник цитаты Гм ... а я, прально ли, понимаю, что у автора, на полезные дела (чайники, холодильники и т.п.) остается только 220-90=130 вольт.?
aleksey.RU писал(а):Источник цитаты Еще не маловажный фактор. Если у Вас система заземления на линии ТТ, то это возможно.
Если TN, то этого быть не должно
Вы хоть схему (мной нарисованную) смотрели? Она нарисована согласно Вашим данным ...strn писал(а):Источник цитатыTOPMO3 писал(а):Источник цитаты Гм ... а я, прально ли, понимаю, что у автора, на полезные дела (чайники, холодильники и т.п.) остается только 220-90=130 вольт.?
Нет, не так. Все нагрузки включены между фазами и нулем, соответственно, все напряжения на нагрузках 220 вольт. Было бы хоть на одной фазе 130 вольт от нуля, давно бы заметил.

aleksey.RU писал(а):Источник цитаты strn, а счётчик у Вас какой? На опоре?
TOPMO3 писал(а):Источник цитаты Вы хоть схему (мной нарисованную) смотрели? Она нарисована согласно Вашим данным ...
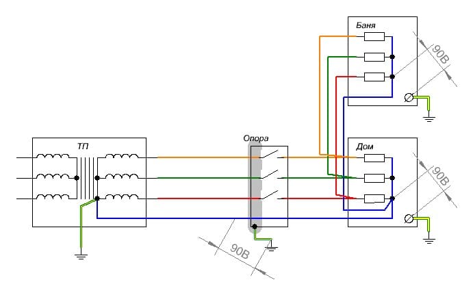
Кругом СИП - согласно ПУЭ, должны были организовать TN-C-S.strn писал(а):Источник цитатыЗаземление ТТ, иного не дано:
А Вам сколько надо? Поди пять жил хотите, ну тогда, можно и ... на TN-S замахнуться (губа не дура).strn писал(а):Источник цитаты... от трансформатора приходит только 4 жилы...
Первый раз встречаюсь, с такими идеальными условиями в электропитании.strn писал(а):Источник цитаты... Расстояние от ТП 500 м, других потребителей на этом фидере нет. Кабель СИП 4х25. ...
Расшифруйте пожалуйста, подчеркнутое ... у Вас даже три заземления и как они, и от кого независимые?strn писал(а):Источник цитаты... Все равно не понимаю такого напряжения на нулевом проводе - за счет чего? В трех цепях с независимым заземлением и разными нагрузками картина одинаковая.
TOPMO3 писал(а):Источник цитаты Расшифруйте пожалуйста, подчеркнутое ... у Вас даже три заземления и как они, и от кого независимые?
Какие между ними расстояния?
Почему, в щитке, нуль не подключен к заземлению?strn писал(а):Источник цитатыaleksey.RU писал(а):Источник цитаты strn, а счётчик у Вас какой? На опоре?
Счетчик на опоре в щитке
TOPMO3 писал(а):Источник цитаты Почему, в щитке, нуль не подключен к заземлению?
TOPMO3 писал(а):Источник цитаты Думаю, эти Ваши 90 вольт, просто "наводка" ... проверяется подключением контрольной лампочки.

strn писал(а):Источник цитаты Все-таки для наводки слишком серьезно.
strn писал(а):Источник цитаты 0 ком между нулем и землей ничего не меняют
strn писал(а):Источник цитаты нет оборудования, способного дать наводку такой мощности.
Вернуться в «Низковольтное электрооборудование (до 1000В)»
Сейчас этот форум просматривают: нет зарегистрированных пользователей и 11 гостей