Проблема с проводкой

Вопросы по электромонтажу, не попавшие в основные разделы
Аватара пользователя
TOPMO3
Сообщения: 4181
Зарегистрирован: 29 фев 2016, 10:37
Репутация: 626
Откуда: Ижевск
Контактная информация:

Проблема с проводкой

Сообщение TOPMO3 » 12 янв 2023, 18:31

A51 писал(а):Источник цитаты Объясняю: Мне надо было заменить метал коробку розетки. Чтобы не попасть под напругу, я отключил автомат, убрал провод квартиры, подключил доп провод через доп автомат на удлинитель, ноль взял с розетки. Дрель-перфоратор не работает, т к 99в. Обнаружил, что при включении выключателя освещения прихожей дрель-перфоратор заработала, но и загорается свет и напряжение 220в. Работать не стал, чтобы не сжечь перфоратор или ещё что-то. Так понятней, извините. Без обид, просто я хотел выяснить причину. Спасибо большое вам за помощь, но проблема не решена.
Я пытался нарисовать схему, по Вашему описанию ... пока не получается.
Я правильно понимаю, что "автомат счетчика" и дополнительный (подключенный временно, Вами для перфоратора) однополюсные?
Еще вопрос ... лампочка, в прихожей, лампа накаливания (мощность?) ?
Смеюсь последний ... тормоз однако!
Реклама
Аватара пользователя
A51
Сообщения: 46
Зарегистрирован: 11 янв 2023, 22:25
Репутация: 0
Контактная информация:

Проблема с проводкой

Сообщение A51 » 12 янв 2023, 18:44

Да, однополюсные автоматы, обычная лампа накаливания 60 Вт в похожей.
Аватара пользователя
TOPMO3
Сообщения: 4181
Зарегистрирован: 29 фев 2016, 10:37
Репутация: 626
Откуда: Ижевск
Контактная информация:

Проблема с проводкой

Сообщение TOPMO3 » 12 янв 2023, 18:57

Всяко пробовал переставлять "индигриенты" ... только так вроде объясняется. НО тогда получается ... в прихожей свет отсутствовал!!!
Вложения
1.jpg
Смеюсь последний ... тормоз однако!
Аватара пользователя
TOPMO3
Сообщения: 4181
Зарегистрирован: 29 фев 2016, 10:37
Репутация: 626
Откуда: Ижевск
Контактная информация:

Проблема с проводкой

Сообщение TOPMO3 » 12 янв 2023, 19:12

A51 писал(а):Источник цитаты ... отключил автомат, убрал провод квартиры,...
Нам не видно ... что значит "убрал провод" ... отключили от выхода основного автомата, что-ли?
A51 писал(а):Источник цитаты ... подключил доп провод через доп автомат на удлинитель, ноль взял с розетки. Дрель-перфоратор не работает, т к 99в.
Т.е. 99В обнаружили после, а не до "убрал провод"? (Я не учел это, при попытках нарисовать схему).
A51 писал(а):Источник цитаты ... Обнаружил, что при включении выключателя освещения прихожей дрель-перфоратор заработала, но и загорается свет и напряжение 220в.
Ясно ... фаза подается через лампу (последовательное соединение).
A51 писал(а):Источник цитаты ... но проблема не решена.
Решим ... счас еще порисую ...
Смеюсь последний ... тормоз однако!
Аватара пользователя
TOPMO3
Сообщения: 4181
Зарегистрирован: 29 фев 2016, 10:37
Репутация: 626
Откуда: Ижевск
Контактная информация:

Проблема с проводкой

Сообщение TOPMO3 » 12 янв 2023, 19:21

A51 писал(а):Источник цитаты ... я отключил автомат, убрал провод квартиры, ...
Сколько проводов БЫЛО подключено к выходу автомата?
После "убрал провод" - автомат больше не включали ... так?
Смеюсь последний ... тормоз однако!
Аватара пользователя
TOPMO3
Сообщения: 4181
Зарегистрирован: 29 фев 2016, 10:37
Репутация: 626
Откуда: Ижевск
Контактная информация:

Проблема с проводкой

Сообщение TOPMO3 » 12 янв 2023, 19:28

вопрос... это что нарисовано?
Та самая розетка?
Вложения
2.jpg
Смеюсь последний ... тормоз однако!
Аватара пользователя
TOPMO3
Сообщения: 4181
Зарегистрирован: 29 фев 2016, 10:37
Репутация: 626
Откуда: Ижевск
Контактная информация:

Проблема с проводкой

Сообщение TOPMO3 » 12 янв 2023, 19:44

Нифига не могу нарисовать схему, по Вашему сценарию ... :pardon:
Смеюсь последний ... тормоз однако!
Аватара пользователя
A51
Сообщения: 46
Зарегистрирован: 11 янв 2023, 22:25
Репутация: 0
Контактная информация:

Проблема с проводкой

Сообщение A51 » 12 янв 2023, 19:48

Отключил основной автомат, вытащил провод комнаты, подсоединил доп провод через доп автомат удлинитель, ноль с розетки с вопросом, вкл оба автомата=фаза с основного автомата через доп автомат+ноль с розетки с вопросом. Где стрелка тоже розетка.
Аватара пользователя
A51
Сообщения: 46
Зарегистрирован: 11 янв 2023, 22:25
Репутация: 0
Контактная информация:

Проблема с проводкой

Сообщение A51 » 12 янв 2023, 19:51

Ноль не рвётся, откл только фаза на щитке, один общий провод на квартиру.
Аватара пользователя
A51
Сообщения: 46
Зарегистрирован: 11 янв 2023, 22:25
Репутация: 0
Контактная информация:

Проблема с проводкой

Сообщение A51 » 12 янв 2023, 19:53

Сам уже ломаю голову, интересно получается, не могу врубиться :fool:
Аватара пользователя
TOPMO3
Сообщения: 4181
Зарегистрирован: 29 фев 2016, 10:37
Репутация: 626
Откуда: Ижевск
Контактная информация:

Проблема с проводкой

Сообщение TOPMO3 » 12 янв 2023, 20:00

A51 писал(а):Источник цитаты Сам уже ломаю голову, интересно получается, не могу врубиться :fool:
Вот только так возможно получить 99В и 220В ... при отключенном и включенном свете.
Вложения
aа.jpg
Смеюсь последний ... тормоз однако!
Аватара пользователя
TOPMO3
Сообщения: 4181
Зарегистрирован: 29 фев 2016, 10:37
Репутация: 626
Откуда: Ижевск
Контактная информация:

Проблема с проводкой

Сообщение TOPMO3 » 12 янв 2023, 20:05

A51 писал(а):Источник цитаты Отключил основной автомат, вытащил провод комнаты, подсоединил доп провод через доп автомат удлинитель, ноль с розетки с вопросом, вкл оба автомата=фаза с основного автомата через доп автомат+ноль с розетки с вопросом. Где стрелка тоже розетка.
и опять новое данное ...
Смеюсь последний ... тормоз однако!
Аватара пользователя
A51
Сообщения: 46
Зарегистрирован: 11 янв 2023, 22:25
Репутация: 0
Контактная информация:

Проблема с проводкой

Сообщение A51 » 12 янв 2023, 20:12

Фазы на розетке нет, откл на счетчике, снял вытащил с автомата, т е красный провод откл. Ноль не рвётся на розетке не рвётся, не отключается. На удлинитель подаётся фаза со счётчика и ноль с розетки
Аватара пользователя
A51
Сообщения: 46
Зарегистрирован: 11 янв 2023, 22:25
Репутация: 0
Контактная информация:

Проблема с проводкой

Сообщение A51 » 12 янв 2023, 20:14

Ну почему не могу объяснить?
Аватара пользователя
A51
Сообщения: 46
Зарегистрирован: 11 янв 2023, 22:25
Репутация: 0
Контактная информация:

Проблема с проводкой

Сообщение A51 » 12 янв 2023, 20:20

Оба автомата это основной на счетчике и свой доп удлинителя последовательно. Фазу взял со счётчика на свой доп автомат, затем на удлинитель с розеткой. Ну как ещё объяснить, не умею так рисовать.
Аватара пользователя
A51
Сообщения: 46
Зарегистрирован: 11 янв 2023, 22:25
Репутация: 0
Контактная информация:

Проблема с проводкой

Сообщение A51 » 12 янв 2023, 20:25

На последнем вашем рисунке, фаза через автомат со счётчика и ноль с розетки. Провод красный со счётчика получается нет, вытащил, отключил.
Аватара пользователя
A51
Сообщения: 46
Зарегистрирован: 11 янв 2023, 22:25
Репутация: 0
Контактная информация:

Проблема с проводкой

Сообщение A51 » 12 янв 2023, 20:31

Автомат на счетчике всего один и плюс свой доп для страхования удлинителя, последовательно. Спросили про стрелку на розетке, я ответил. Как ещё объяснить
Аватара пользователя
TOPMO3
Сообщения: 4181
Зарегистрирован: 29 фев 2016, 10:37
Репутация: 626
Откуда: Ижевск
Контактная информация:

Проблема с проводкой

Сообщение TOPMO3 » 12 янв 2023, 20:33

A51 писал(а):Источник цитаты... вкл оба автомата=фаза с основного автомата через доп автомат+ноль с розетки с вопросом. ...
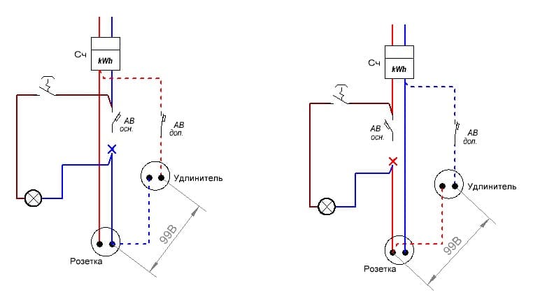
С последними данными, схема получается только такая ... т.е. автомат не контачит и свет никогда не работал. (на бред похоже) .. зато подтверждает Ваши 99/220.
- при отключенных АВ_осн. и выключателе - напряжение 99 вольт;
- при включенном выключателе - напряжение 220 вольт.
Возможно в коробке какой "хитроумное" подключение проводов ... у меня не хватает фантазии схему с таким сценарием, другую придумать. :pardon:
Вложения
1.jpg
Смеюсь последний ... тормоз однако!
Аватара пользователя
aleksey.RU
Сообщения: 1397
Зарегистрирован: 12 сен 2022, 15:17
Репутация: 137
Откуда: СССР
Контактная информация:

Проблема с проводкой

Сообщение aleksey.RU » 12 янв 2023, 20:35

TOPMO3 писал(а):Источник цитаты схему с таким сценарием, другую придумать

TOPMO3, не прибедняйтесь. Может свет коридора до счетчика?
Подключаться не охото пока, приустал от психоанализа :biggrin:
Тот, кто пытается использовать методы, не зная принципов, обречен на неудачу
Аватара пользователя
A51
Сообщения: 46
Зарегистрирован: 11 янв 2023, 22:25
Репутация: 0
Контактная информация:

Проблема с проводкой

Сообщение A51 » 12 янв 2023, 21:08

Больше академиков нет?


  • Реклама

Вернуться в «Прочие вопросы по электромонтажу»

Кто сейчас на конференции

Сейчас этот форум просматривают: нет зарегистрированных пользователей и 7 гостей