Запуск 3-х фазного двигателя

Вопросы от того, кто, мало сталкивался с темами электричества. Просьба к профессионалам стараться отвечать просто и понятно для людей без профильного образования.
Аватара пользователя
TOPMO3
Сообщения: 4181
Зарегистрирован: 29 фев 2016, 10:37
Репутация: 626
Откуда: Ижевск
Контактная информация:

Запуск 3-х фазного двигателя

Сообщение TOPMO3 » 01 май 2024, 19:54

Tonik_Ser писал(а):Источник цитаты Если здесь нет спецов и не найду решения - придётся методом "научного тыка" искать решение.

"Научный тык", это когда много вариантов решения ... у Вас этого нет.
Две обмотки ... с меньшим сопротивлением - фаза напрямую; с большим сопротивлением - через конденсатор.
Еще не встречал, чтоб было наоборот ... бывает с одинаковыми сопротивлениями, так это чаще на тельферах - схема реверсирования упрощается до-нельзя.
Может еще, есть смысл обратиться к перемотчикам ... http://forum.dvigatel.org/ ... ?
Смеюсь последний ... тормоз однако!
Реклама
Аватара пользователя
Tonik_Ser
Сообщения: 21
Зарегистрирован: 30 апр 2024, 00:23
Репутация: 2
Контактная информация:

Запуск 3-х фазного двигателя

Сообщение Tonik_Ser » 01 май 2024, 20:00

TOPMO3 писал(а):Источник цитаты Шильдик ... Да, присутствует. Данные двигателя (АО 71в-2АС 550W) с него взяты.
И ...?

Может поможет. Смотрим:
Двигатель.jpg
Аватара пользователя
Tonik_Ser
Сообщения: 21
Зарегистрирован: 30 апр 2024, 00:23
Репутация: 2
Контактная информация:

Запуск 3-х фазного двигателя

Сообщение Tonik_Ser » 01 май 2024, 20:03

TOPMO3 писал(а):Источник цитаты Две обмотки ... с меньшим сопротивлением - фаза напрямую; с большим сопротивлением - через конденсатор.

Так и думаю. Третью обмотку? Куда и как "приткнуть"? И какова её роль? Что за ...?
Аватара пользователя
TOPMO3
Сообщения: 4181
Зарегистрирован: 29 фев 2016, 10:37
Репутация: 626
Откуда: Ижевск
Контактная информация:

Запуск 3-х фазного двигателя

Сообщение TOPMO3 » 01 май 2024, 20:08

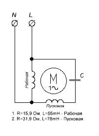
Tonik_Ser писал(а):Источник цитаты по какой схеме?, его подключить вновь?
Я бы ... обмотку 3, оставил в покое.
Остальное, попробовал бы вот так ...
Вложения
1ЦЗ.jpg
1ЦЗ.jpg (9.89 КБ) 3936 просмотров
Последний раз редактировалось TOPMO3 01 май 2024, 20:34, всего редактировалось 2 раза.
Смеюсь последний ... тормоз однако!
Аватара пользователя
TOPMO3
Сообщения: 4181
Зарегистрирован: 29 фев 2016, 10:37
Репутация: 626
Откуда: Ижевск
Контактная информация:

Запуск 3-х фазного двигателя

Сообщение TOPMO3 » 01 май 2024, 20:12

Tonik_Ser писал(а):Источник цитаты Третью обмотку? Куда и как "приткнуть"?
Ни куда ...
В моем понимании, это не обмотка, а встроенные тэны ... в случае работы во влажной атмосфере - устранять влагу или в условиях резких перепадов температуры - устранять конденсат. Короче ... встроенная просушка обмоток.
2.jpg

Явно, что это резисторы ... при 220В - ток 250 мА.
Смеюсь последний ... тормоз однако!
Аватара пользователя
Tonik_Ser
Сообщения: 21
Зарегистрирован: 30 апр 2024, 00:23
Репутация: 2
Контактная информация:

Запуск 3-х фазного двигателя

Сообщение Tonik_Ser » 01 май 2024, 20:26

TOPMO3 писал(а):Источник цитаты Ни куда ...
В моем понимании, это не обмотка, а встроенные тэны ...

Спасибо, как бы логично. Только не понятно: а нафига её было мотать такую? Если это не с завода, для спец. условий, а двигун-то, как бы не замороченный был, а, как я понимаю, обычный трёхфазник. Правда, данных на эту модель по шильдику я не нашёл.
Аватара пользователя
TOPMO3
Сообщения: 4181
Зарегистрирован: 29 фев 2016, 10:37
Репутация: 626
Откуда: Ижевск
Контактная информация:

Запуск 3-х фазного двигателя

Сообщение TOPMO3 » 01 май 2024, 20:42

Tonik_Ser писал(а):Источник цитаты... а нафига её было мотать такую? Если это не с завода, для спец. условий, а двигун-то, как бы не замороченный был, а, как я понимаю, обычный трёхфазник. Правда, данных на эту модель по шильдику я не нашёл.
По схеме на крышке, это и так, обычный трехфазник, только дополненный тормозом и системой поддержания обмоток в сухом виде ... где применялся не раскрывается в интернете ... может военка. :pardon:
Смеюсь последний ... тормоз однако!
Аватара пользователя
Tonik_Ser
Сообщения: 21
Зарегистрирован: 30 апр 2024, 00:23
Репутация: 2
Контактная информация:

Запуск 3-х фазного двигателя

Сообщение Tonik_Ser » 01 май 2024, 20:45

TOPMO3 писал(а):Источник цитаты Остальное, попробовал бы вот так ...

Да, похоже Вы правы - завтра буду пробовать.
TOPMO3 писал(а):Источник цитаты В моем понимании, это не обмотка, а встроенные тэны ...

Только не сходится количество выводов (6), и три вывода (звезда) должны "звониться" между собой. А у меня три изолированные пары. Вот и ступор. Никак концы с концами не сходятся.
Аватара пользователя
TOPMO3
Сообщения: 4181
Зарегистрирован: 29 фев 2016, 10:37
Репутация: 626
Откуда: Ижевск
Контактная информация:

Запуск 3-х фазного двигателя

Сообщение TOPMO3 » 01 май 2024, 21:32

Tonik_Ser писал(а):Источник цитаты Только не сходится количество выводов (6), и три вывода (звезда) должны "звониться" между собой. А у меня три изолированные пары. Вот и ступор. Никак концы с концами не сходятся.
Забудьте про "звезду" ...
Если исходить из мысли, что двигатель перемотан под однофазный, и удалены выводы тормоза, то всё идеально сходится.
Рабочая обмотка - два вывода; Пусковая обмотка - два вывода; Три тэна (включенные последовательно) - тоже два вывода.
Вложения
1C.jpg
1C.jpg (16.81 КБ) 3909 просмотров
Смеюсь последний ... тормоз однако!
Аватара пользователя
Tonik_Ser
Сообщения: 21
Зарегистрирован: 30 апр 2024, 00:23
Репутация: 2
Контактная информация:

Запуск 3-х фазного двигателя

Сообщение Tonik_Ser » 01 май 2024, 21:51

TOPMO3 писал(а):Источник цитаты Забудьте про "звезду" ...

Спасибо! Теперь всё сходится. Завтра проверю.
Аватара пользователя
Tonik_Ser
Сообщения: 21
Зарегистрирован: 30 апр 2024, 00:23
Репутация: 2
Контактная информация:

Запуск 3-х фазного двигателя

Сообщение Tonik_Ser » 02 май 2024, 22:11

Tonik_Ser писал(а):Источник цитаты Завтра проверю.

Заработало! Но... не совсем так:
TOPMO3 писал(а):Источник цитаты с меньшим сопротивлением - фаза напрямую; с большим сопротивлением - через конденсатор.

Всё наоборот. Как я теперь понял, "Кулибин" его не перематывал, а у звезды конец одной обмотки отсоединил от общего нуля и вывел наружу. Эту обмотку включил через кондёр и она стала задавать направление вращения.
И, кстати, эти 4 вывода выходят из корпуса в одном кембрике, а два (ТЭН) - в другом. Про ТЭНы я не знал, вот и "затупил" слегонца :secret:
TOPMO3, Спасибо! Помогли разобраться. Кстати, отличная идею "Кулибина" "перемотки"/переделки трёхфазника в однофазный двигатель.
Аватара пользователя
TOPMO3
Сообщения: 4181
Зарегистрирован: 29 фев 2016, 10:37
Репутация: 626
Откуда: Ижевск
Контактная информация:

Запуск 3-х фазного двигателя

Сообщение TOPMO3 » 03 май 2024, 20:57

Tonik_Ser писал(а):Источник цитаты Всё наоборот ... у звезды конец одной обмотки отсоединил от общего нуля и вывел наружу. Эту обмотку включил через кондёр и она стала задавать направление вращения.
Откуда такая уверенность, что надо подключать так, как Вы описали (рис.1)?
Почему Вы решили, что нельзя по рис.2?
Была бы у меня возможность, я бы еще попробовал бы по рис.3.
Кстати ... конденсатор работает только на пуск или подключен постоянно?
Вложения
1C.jpg
Смеюсь последний ... тормоз однако!
Аватара пользователя
Tonik_Ser
Сообщения: 21
Зарегистрирован: 30 апр 2024, 00:23
Репутация: 2
Контактная информация:

Запуск 3-х фазного двигателя

Сообщение Tonik_Ser » 03 май 2024, 22:29

TOPMO3 писал(а):Источник цитаты Откуда такая уверенность, что надо подключать так, как Вы описали (рис.1)?

Из практики. Когда включил так, как Вы советовали (рис.2) - двигатель гудит, греется, ток где-то 7А. Поменял местами обмотки (рис. 1) - Ура! Тихо, легко стартанул, крутится плавно, без гудения, ровно. Ток - 0,25А! Не греется. Даю нагрузку - тянет, обороты не падают, ток поднимается до 1А. Ну, нагрузка не max, а так, сколько смог. Лепота! Чего ещё от него хотеть? Стал устанавливать по месту будущей "службы".
Аватара пользователя
Tonik_Ser
Сообщения: 21
Зарегистрирован: 30 апр 2024, 00:23
Репутация: 2
Контактная информация:

Запуск 3-х фазного двигателя

Сообщение Tonik_Ser » 03 май 2024, 22:33

TOPMO3 писал(а):Источник цитаты Кстати ... конденсатор работает только на пуск или подключен постоянно?

А, да - кондёр включён постоянно. Пусковой не требуется - стартует уверенно, быстро и не "напрягается".
Аватара пользователя
Tonik_Ser
Сообщения: 21
Зарегистрирован: 30 апр 2024, 00:23
Репутация: 2
Контактная информация:

Запуск 3-х фазного двигателя

Сообщение Tonik_Ser » 03 май 2024, 22:47

TOPMO3 писал(а):Источник цитаты Была бы у меня возможность, я бы еще попробовал бы по рис.3.

Ааа... Ещё забыл сказать: пробовал. Если включаешь даже только одну обмотку с малым R - гудит, ток 7А, крутит куда раскрутишь. Ну, сразу понятно, что она не на это напряжение. А вот с большим R (типа рис.1.) - всё красиво: тихо, крутит куда скажешь, ток маленький. А подключив через кондёр вторую, с малым R, красота - крутит куда надо и момент на валу чувствуется. Впрочем, выше писал.
Аватара пользователя
TOPMO3
Сообщения: 4181
Зарегистрирован: 29 фев 2016, 10:37
Репутация: 626
Откуда: Ижевск
Контактная информация:

Запуск 3-х фазного двигателя

Сообщение TOPMO3 » 04 май 2024, 17:03

Tonik_Ser писал(а):Источник цитаты Даю нагрузку - тянет, обороты не падают, ток поднимается до 1А. Ну, нагрузка не max, а так, сколько смог. Лепота! Чего ещё от него хотеть?
Ну и прекрасно, коли Вам достаточно той мощности, какую выдает двигатель. :yes:
Смеюсь последний ... тормоз однако!
Аватара пользователя
Tonik_Ser
Сообщения: 21
Зарегистрирован: 30 апр 2024, 00:23
Репутация: 2
Контактная информация:

Запуск 3-х фазного двигателя

Сообщение Tonik_Ser » 04 май 2024, 19:24

TOPMO3 писал(а):Источник цитаты Ну и прекрасно, коли Вам достаточно той мощности

Думаю хватит. Я писал куда его поставлю:
Tonik_Ser писал(а):Источник цитаты поставить в газонокосилку вместо сгоревшего щёточного движка.
.
Аватара пользователя
Tonik_Ser
Сообщения: 21
Зарегистрирован: 30 апр 2024, 00:23
Репутация: 2
Контактная информация:

Запуск 3-х фазного двигателя

Сообщение Tonik_Ser » 26 май 2024, 22:52

TOPMO3 писал(а):Источник цитаты Ну и прекрасно, коли Вам достаточно той мощности, какую выдает двигатель.

Вы правы - мощности маловато-то будет: даёшь нагрузку (в моём случае - трава) и он "задыхается", обороты падают. Т.е., ёмкости кондёра хватало для точилы, а здесь нагрузка поболе будет. Какую ёмкость посоветуете поставить?
Аватара пользователя
МБВ
Сообщения: 407
Зарегистрирован: 20 мар 2023, 22:32
Репутация: 78
Контактная информация:

Запуск 3-х фазного двигателя

Сообщение МБВ » 27 май 2024, 07:36

Когда выбирал электро триммер, погуглил, выбрал Хантер 1800Вт. Не жалуюсь. Кто выбрал двигатель менее 1500Вт те жалуются, что дохнет. У Вас 550 Вт минус процентов 30-40. Вот и думайте.
Аватара пользователя
Tonik_Ser
Сообщения: 21
Зарегистрирован: 30 апр 2024, 00:23
Репутация: 2
Контактная информация:

Запуск 3-х фазного двигателя

Сообщение Tonik_Ser » 27 май 2024, 14:10

МБВ, согласен. Но мне не заросли косить, а газон подкашивать. Думаю, мощи бы хватило. Надо только "правильный" кондёр подобрать, чтобы с такой нагрузкой двигатель работал с максимально возможной мощностью. Чтобы не "экскрементировать", вот и спрашиваю: что посоветуете? Стоит 6 мкФ, всего.


  • Реклама

Вернуться в «Вопросы от "чайника"»

Кто сейчас на конференции

Сейчас этот форум просматривают: нет зарегистрированных пользователей и 9 гостей