TOPMO3 писал(а):Источник цитаты Термин "сопротивление" проявляется при протекании тока ... вопрос (обывателя) куда течет ток?
Ну и слава Аллаху.elalex писал(а):Источник цитаты... Мне никакого ущерба не было.
Ну да, Вы правы, зря мы так ... надо было хамски нагрубить Вам - быстрее пришли бы к пониманию.А колкости я замечал уже не раз, и они не способствуют общению.

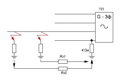
Т.е. из двух потребителей, у того, который находится ближе к ТП, легче добиться требуемое качество заземления, чем у того, который находится в дали. А ведь, вроде, не взирая от расстояния, всем нормируют одинаковую величину сопротивления растекания.кви-45 писал(а):Источник цитаты Стекает на заземлитель ТП откуда запитано эл. оборудование, с которого стекает в землю ток.

TOPMO3 писал(а):Источник цитаты TOPMO3 » Сегодня, 12:19
кви-45 писал(а):Источник цитаты Стекает на заземлитель ТП откуда запитано эл. оборудование, с которого стекает в землю ток.Т.е. из двух потребителей, у того, который находится ближе к ТП, легче добиться требуемое качество заземления, чем у того, который находится в дали. А ведь, вроде, не взирая от расстояния, всем нормируют одинаковую величину сопротивления растекания.Похоже я что то упускаю ... вообщем не укладывается у меня в голове.
Это Вы так скромно, уходите от от вопросов на которые сами не знаете ответа ... мы с Вами разные (говорил уже) - если не знаю - спрашиваю.elalex писал(а):Источник цитаты На форуме азам электрики не обучают. Особенно старожилов, имеющих репутацию за 200. Позорище, а не репутация! Пример для новичков форума, чего она стоит.
Что не зависит ... величина тока или его поведение? Окромя массы и объема, остальными свойствами владеют все проводники.кви-45 писал(а):Источник цитатыЗемля имеет большую массу и объем, хорошую электропроводность, ток в ней распространяется почти мгновенно и от расстояния нахождения потребителей не зависит.
Вы сейчас пересказали факторы, от которых зависит величина сопротивления растекания ... меня интересовало другое ... почему норма для разноудаленных заземлителей (у потребителей) имеет одинаковую величину? Это получается согласно формулы в ПУЭ.кви-45 писал(а):Сопротивление заземлителя зависит от удельного сопротивления грунта, которое на разных участках, даже близко расположенных, может отличаться, и это может влиять на конструкцию каждого заземлителя в отдельности и только.
TOPMO3 писал(а):Источник цитаты Вы сейчас пересказали факторы, от которых зависит величина сопротивления растекания ... меня интересовало другое ... почему норма для разноудаленных заземлителей (у потребителей) имеет одинаковую величину? Это получается согласно формулы в ПУЭ.Почему величина тока не зависит от расстояния (длины) земли (проводника)?
Извините ... перечитаю ... потом еще ... потом отвечу, а пока не вливается.кви-45 писал(а):Источник цитатыНорма величины сопротивления заземления разноудаленных заземлителей (потребителей) должна быть одинакова, потому что только эта норма на всех участках сможет обеспечить наличие безопасного напряжения прикосновения Uпр меньше 50В или 25В в зависимости от характера помещения. И где эти участки, на каком они расстоянии от ТП это безразлично. Uпр зависит только от правильно рассчитанного заземлителя на конкретном участке.
Надеюсь Вы не специально это написали (боюсь что я "запудрил" Вам голову) ... речь идет о системе ТТ.Если система TN исправна, то обратный ток возвращается только по PEN или N проводникам на заземлитель ТП
Врубился ... и согласился, что норма для всех должна быть одинакова ... но почему при расчете его не входит расстояние ... Вы хоть понимаете что я спрашиваю?кви-45 писал(а):Источник цитатыНорма величины сопротивления заземления разноудаленных заземлителей (потребителей) должна быть одинакова, потому что только эта норма на всех участках сможет обеспечить наличие безопасного напряжения прикосновения ...

Вот подтверждения этому утверждению ... я нигде не нашел.кви-45 писал(а):Источник цитаты... потому что Rз1 почти=Rз2,даже при расстоянии между ними в несколько км...
elalex писал(а):Источник цитаты elalex » Сегодня, 09:15
кви–45:Тыкните в глину желeзяку #1, рядом выкопайте яму, засыпьте сначала сухим песком, потом той же глиной, в глину тыкните такую же железяку #2, как и #1, и сравните Rз1 и Rз2.
elalex писал(а):Источник цитаты И что, тогда рельсы не использовали, как обратный провод?
)
)Вернуться в «Заземление и молниезащита»
Сейчас этот форум просматривают: нет зарегистрированных пользователей и 11 гостей